Connection between alpha i series amplifiers and Power Failure Backup Modul Additional Manual Page 3

Additional Manual
01
Ed. Date
S.Hanyu
Name
Newly designed
Detail of modification
Subject
DWG.No
Connection between
α
i series amplifiers
and Power Failure Backup Module
A-53866E-405
FANUC LTD
FANUC LTDFANUC LTD
FANUC LTD
Page
2/
5
21.Sept.’01
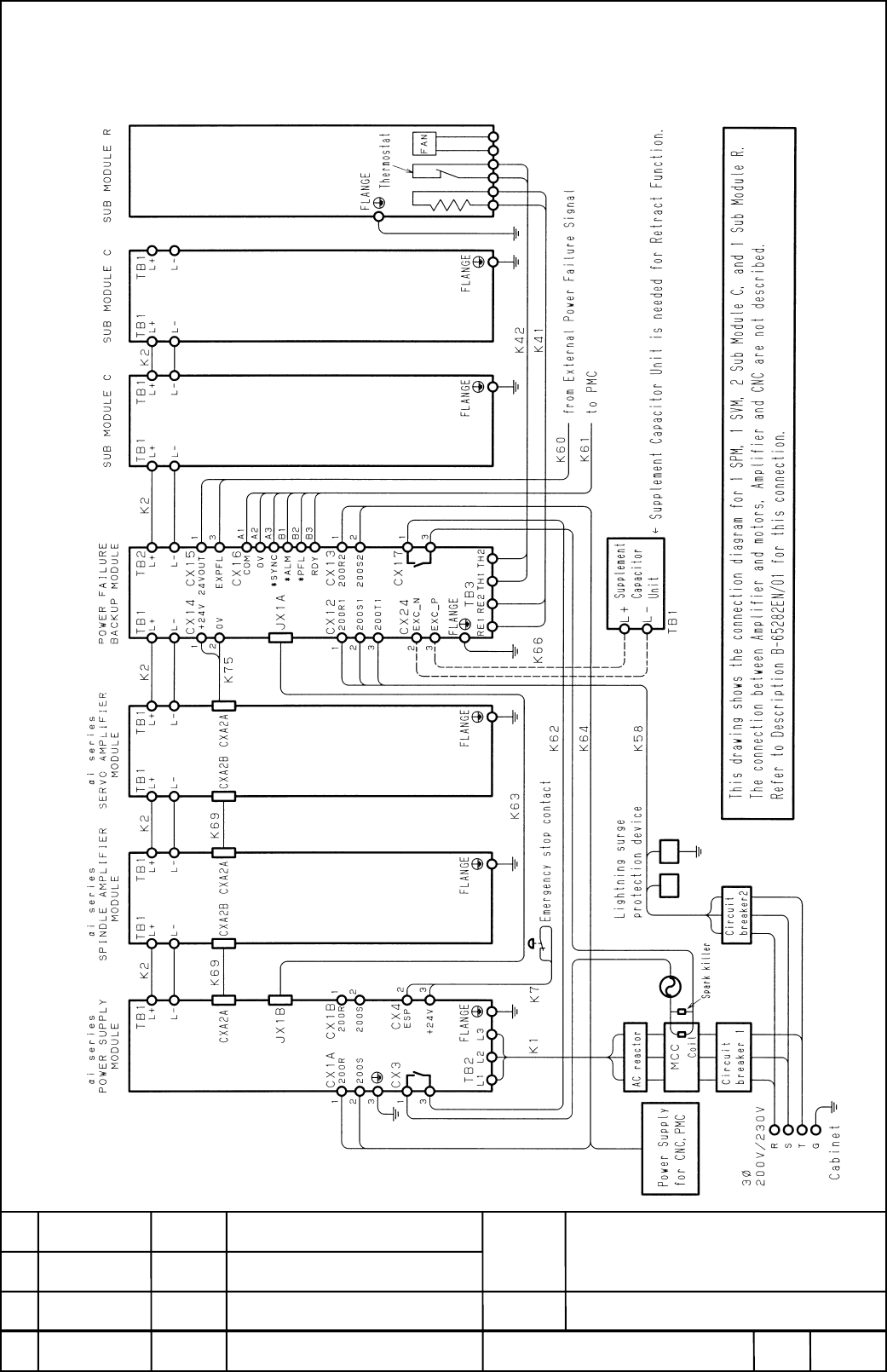
2. Overall connection diagram
2. Overall connection diagram2. Overall connection diagram
2. Overall connection diagram (for Power Failure Backup Module A06B-6077-H002)
* In case of Power Failure Backup Module A06B-6077-H001, Cable K64 and K66 is not needed.

Contents Summary of Connection between alpha i series amplifiers and Power Failure Backup Modul Additional Manual

  • Page 1TECHNICAL REPORT (MANUAL) TMS01/034E Date November 5, 2001 General Manager of Servo Laboratory Connection between αi series amplifiers and Power Failure Backup Module. 1. Distribute this report to the destinations marked with O: O Your information O GE Fanuc-N, GE Fanuc-E Fanuc Robotics-NA, Fanuc Ro
  • Page 2Connection between αi series amplifiers and Power Failure Backup Module 1. Summary This document describes about the connection between αi series amplifiers and Power Failure Backup Module. The connection with αi series amplifiers is different at the following points from the connection with α serie
  • Page 32. Overall connection diagram (for Power Failure Backup Module A06B-6077-H002) * In case of Power Failure Backup Module A06B-6077-H001, Cable K64 and K66 is not needed. Connection between αi series amplifiers Subject and Power Failure Backup Module 01 21.Sept.’01 S.Hanyu Newly designed DWG.No A-5386
  • Page 43. Detailed connection of cables (1) Cable K75 Cable K75 is for supplying the control power (DC24V) to Power Failure Backup Module. SVM       CXA2A CX14 K75 24V (A1)  24V (B1) 0V (A2)  0V (B2) MIFA (A3)   BATL (B3) *ESP (A4) XMIFA (B4) Connector specification CXA2A C
  • Page 54. About the limit of the number of amplifiers connected to PSM In case that Power Failure Backup Module with control power backup function (A06B-6077- H002) is connected to αi series PSM, the number of amplifiers to which the control power 24V can be supplied from PSM is limited. The number of ampl
  • Page 65. The method of supplying the control power from the external power supply equipment. This section describes the method of supplying the control power 24V from the external power supply equipment in case that the number of SVMs connected to PSM exceeds the maximum number calculated in section 4. (1