Servo Amplifier Unit Alpha Series Descriptions Page 73

Descriptions
B65192EN/02
9. CONNECTION
57
(1) Sample connection with TYPE A interface but without external MCC
1AXIS (A06B6089H101 to H106)
2AXIS (A06B6089H201 to H210)
a
RELAY UNIT
BATTERY
PULSECODER
IN THE CASE OF ABUSOLUTE PULSECODER
NC CONTROL UNIT
200/220/230VAC
+10%, 15%
BREAKER
AC LINE FILTER
BREAKER (5A)
SURGE
ABSORBER
SEPARATE REGENERATIVE
DISCHARGE RESISTOR
THERMOSTAT FAN MOTOR
EMERGENCY STOP
(EMG)
AC SERVO MOTOR
ON MACHINE
a (Plate metal terminal)
NOTE3
CAUTION1
NOTE2
CAUTION2
CAUTION3
CAUTION4 CAUTION5
NOTE1
NC
IN THE CASE OF INCREMENTAL PULSECODER
9.2
BASIC CONNECTION
9.2.1
Connection Example
for SVU

Contents Summary of Servo Amplifier Unit Alpha Series Descriptions

  • Page 1FANUC CONTROL MOTOR AM PLIF IER @ series SERVO AMPLIFIER UNIT DESCRIPTIONS B-65192EN/02
  • Page 2Ȧ No part of this manual may be reproduced in any form. Ȧ All specifications and designs are subject to change without notice. In this manual we have tried as much as possible to describe all the various matters. However, we cannot describe all the matters which must not be done, or which cannot be
  • Page 3FANUC CONTROL MOTOR AMPLIFIER series SAFETY PRECAUTIONS This ”Safety Precautions” section describes the precautions which must be observed to ensure safety when using FANUC control motor amplifiers. Users of any control motor amplifier model are requested to read the ”Safety Precautions” carefully b
  • Page 4SAFETY PRECAUTIONS B–65192EN/02 1 DEFINITION OF WARNING, CAUTION, AND NOTE This manual includes safety precautions for protecting the user and preventing damage to the machine. Precautions are classified into Warning and Caution according to their bearing on safety. Also, supplementary information i
  • Page 5B–65192EN/02 SAFETY PRECAUTIONS 2 WARNINGS AND CAUTIONS RELATING TO MOUNTING WARNING F Check the specification code of the amplifier. Check that the delivered amplifier is as originally ordered. F Mount a ground fault interrupter. To guard against fire and electric shock, fit the factory power suppl
  • Page 6SAFETY PRECAUTIONS B–65192EN/02 CAUTION F Do not step or sit on the amplifier. Also, do not stack unpacked amplifiers on top of each other. F Use the amplifier in an appropriate environment. See the allowable ambient temperatures and other requirements, given in the corresponding descriptions. F Pro
  • Page 7B–65192EN/02 SAFETY PRECAUTIONS CAUTION F Ensure that the combination of motor and amplifier is appropriate. F Ensure that valid parameters are specified. Specifying an invalid parameter for the combination of motor and amplifier may not only prevent normal operation of the motor but also result in
  • Page 8SAFETY PRECAUTIONS B–65192EN/02 NOTE F Keep the nameplate clearly visible. F Keep the legend on the nameplate clearly visible. F After unpacking the amplifier, carefully check for any damage. F Mount the amplifier in a location where it can be easily accessed to allow periodic inspection and daily m
  • Page 9B–65192EN/02 SAFETY PRECAUTIONS 3 WARNINGS AND CAUTIONS RELATING TO A PILOT RUN WARNING F Before turning on the power, check that the cables connected to the power magnetics cabinet and amplifier, as well as the power lines and power supply lines, are securely connected. Also, check that no lines ar
  • Page 10SAFETY PRECAUTIONS B–65192EN/02 CAUTION F Note whether an alarm status relative to the amplifier is displayed at power–up or during operation. If an alarm is displayed, take appropriate action as explained in the maintenance manual. If the work to be done requires that the door of the power magnetic
  • Page 11B–65192EN/02 SAFETY PRECAUTIONS 4 WARNINGS AND CAUTIONS RELATING TO MAINTENANCE WARNING F Read the maintenance manual carefully and ensure that you are totally familiar with its contents. The maintenance manual describes daily maintenance and the procedures to be followed in the event of an alarm be
  • Page 12SAFETY PRECAUTIONS B–65192EN/02 WARNING F Check the number of any alarm. If the machine stops upon an alarm being issued, check the alarm number. Some alarms indicate that a component must be replaced. If the power is reconnected without first replacing the failed component, another component may be
  • Page 13B–65192EN/02 SAFETY PRECAUTIONS CAUTION F Ensure that all required components are mounted. When replacing a component or PC board, check that all components, including the snubber capacitor, are correctly mounted. If the snubber capacitor is not mounted, for example, the IPM will be damaged. F Tight
  • Page 14SAFETY PRECAUTIONS B–65192EN/02 NOTE F Ensure that the battery connector is correctly inserted. If the power is shut off while the battery connector is not connected correctly, the absolute position data for the machine will be lost. F Store the manuals in a safe place. The manuals should be stored
  • Page 15B–65192EN/02 Table of contents SAFETY PRECAUTIONS 1. OVERVIEW . . . . . . . . . . . . . . . . . . . . . . . . . . . . . . . . . . . . . . . . . . . . . . . . . . . . . . . . . . . 1 2. CONFIGURATION . . . . . . . . . . . . . . . . . . . . . . . . . . . . . . . . . . . . . . . . . . . . . . . . . . .
  • Page 16Table of contents B–65192EN/02 8. OUTLINE DRAWINGS AND AREA OF MAINTENANCE . . . . . . . . . . . . . . . . . . . . 41 8.1 OUTLINE DRAWINGS AND AREA OF MAINTENANCE . . . . . . . . . . . . . . . . . . . . . . . . . . . . . . 41 8.1.1 Servo Amplifier Unit . . . . . . . . . . . . . . . . . . . . . . . .
  • Page 17B–65192EN/02 1. OVERVIEW 1 OVERVIEW This FANUC α series control motor amplifier unit (svu/svuc) is suitable for systems with one or two feed axes. The features of the servo amplifier unit are as follows: Compact The servo amplifier unit is integrated with a power supply. It enables implementation of
  • Page 182. CONFIGURATION B–65192EN/02 2 CONFIGURATION Fig. 2 is the configuration of an NC system with two controlled axes. A separate regenerative discharge unit may be required in applications in which the regenerative energy is high. AC Servo Motor X axis Pulse Coder X axis NC SVU/SVUC Control Unit (basi
  • Page 19B–65192EN/02 2. CONFIGURATION 2.1 TYPE OF UNIT AND DESIGNATION 2.1.1 SVU Types Table 2.1.1 (a) Type of SVU and Designation Applied motor group Group Axis Name Designation Note 1) (refer to table 2.1.1 (b) ) Basic 1 SVU1–12 A06B–6089–H101 Group A SVU1–20 A06B–6089–H102 Group B SVU1–40 A06B–6089–H104
  • Page 202. CONFIGURATION B–65192EN/02 Table 2.1.1 (b) Applied motor Applied motor group AC Servo Motor Group A α0.5/3000, α1/3000 ,α2/2000 ,α2/3000, αE1/3000, αE2/3000 Group B αC3/2000, αC6/2000, αC12/2000, αE3/2000, αE6/2000 Group C α2.5/3000, α3/3000, α6/2000, α12/2000, αC22/1500 α22/1500, αM3/3000, αL3/3
  • Page 21B–65192EN/02 2. CONFIGURATION 2.1.3 Othes Table 2.1.3 Type of Unit and Designation (1) Group Name Applcation Designation Basic AC line filter Type A: 5.4kW A81L–0001–0083#3C (Caution 1) Type B: 10.5kW A81L–0001–0101#C Type C: 23kW A81L–0001–0102 Option Power Type SAE: 2.2kVA A80L–0022–0005 transform
  • Page 222. CONFIGURATION B–65192EN/02 Table 2. 1. 3 Type of Unit and Designation (2) Group Name Applcation Designation Basic Connector JV (1/2) B, JS (1/2) B Soldering type A06B–6073–K212 Between NC to SVU/SVUC (Plastic cover) Crimp type A06B–6073–K213 (Note 1) Connector JV (1/2) B, JS (1/2) B Soldering typ
  • Page 23B–65192EN/02 2. CONFIGURATION CAUTION 1 Be sure to use an AC line filter in order to reduce harmonic interference with the power supply. See Section 4.1 for details .If a power supply transformer (insulation type) is used for the line voltage out of specification, it can dispense with an AC line fil
  • Page 243. SPECIFICATION B–65192EN/02 3 SPECIFICATION 8
  • Page 25B–65192EN/02 3. SPECIFICATION 3.1 SPECIFICATION Table 3.1 (a) Specification (Common) Item Specification Power Three–phase input Voltage : 200/220/230 VAC +10 %, –15 % supply for power Frequency : 50/60Hz " 2Hz (Caution 1) Voltage deviation due to load (at maximum output) shall be 7% or less. Single–
  • Page 263. SPECIFICATION B–65192EN/02 Table 3.1 (b) Specification (Each model for SVU) L axis M axis Axis Name Designation Rated current Current limit Rated current Current limit (Arms) (Apeak) (Arms) (Apeak) 1 SVU1–12 A06B–6089–H101 3.0 12 SVU1–20 A06B–6089–H102 5.9 20 SVU1–40 A06B–6089–H104 12.5 40 SVU1–8
  • Page 27B–65192EN/02 3. SPECIFICATION Table 3.1 (c) Specification (Each model) L axis M axis Axis Name Designation Rated current Current limit Rated current Current limit (Arms) (Apeak) (Arms) (Apeak) 1 SVUC1–4 A06B–6090–H002 0.9 4 SVUC1–12 A06B–6090–H003 2.9 12 SVUC1–40 A06B–6090–H004 16.0 40 SVUC1–80 A06B
  • Page 283. SPECIFICATION B–65192EN/02 3.2 The servo amplifier has a protection and error detection function. The detected alarm conditions are indicated by the 7–segment LED on the PROTECTION AND front of the servo amplifier. ERROR DETECTION If an alarm occurs, the motor is forced to stop by a dynamic brake
  • Page 29B–65192EN/02 3. SPECIFICATION Table 3.2 Protection and Error Detection Function (2/2) Type LED indication Description L–axis This alarm occurs if an abnormally high over–current current flows in the L–axis motor. alarm (HCL) M–axis This alarm occurs if an abnormally high over–currenta- current flows
  • Page 303. SPECIFICATION B–65192EN/02 3.3 In the normal operation mode, the 7–segment LED on the front of the servo amplifier lights as listed below. NORMAL OPERATION MODE Table 3.3 Normal Operation Mode Type LED indication Description Amplifier not Indicates that the servo amplifier is not ready ready to d
  • Page 31B–65192EN/02 3. SPECIFICATION 3.4 There are four channel switches above the 7–segment LED behind the terminal board cover on the front of the servo amplifier. These switches SWITCH SETTING should be set as described below before use of the servo amplifier. (1) Positions The switches are sequentially
  • Page 323. SPECIFICATION B–65192EN/02 (3) Switch 2 setting The settings of the SVU and SVUC differ. Switch 2 setting ON SVUC OFF SVU If the setting is incorrect, the VRDY OFF alarm may occur. (4) Switch 3 and 4 setting The setting varies depending on the regenerative discharge resistance used. If the settin
  • Page 33B–65192EN/02 3. SPECIFICATION NOTE The separate regenerative discharge resistor, designated A06B–6066–H***, does not comply with European safety standards (VDE 0160). To allow the application of the CE marking (machinery directive), use the separate regenerative discharge resistor designated A06B–60
  • Page 344. AC LINE FILTER AND SEPARATE REGENERATIVE DISCHARGE UNIT B–65192EN/02 AC LINE FILTER AND SEPARATE REGENERATIVE 4 DISCHARGE UNIT 18
  • Page 354. AC LINE FILTER AND SEPARATE B–65192EN/02 REGENERATIVE DISCHARGE UNIT 4.1 AC LINE FILTER An AC line filter should be used to reduce the effect of harmonic noise to the power supply. If two or more servo amplifiers are connected to one AC line filter, the total continuous output rating of all the c
  • Page 364. AC LINE FILTER AND SEPARATE REGENERATIVE DISCHARGE UNIT B–65192EN/02 Table 4.1(b) Continuous output rating of servo motors Motor Continuous Motor Continuous Motor Continuous Model output Model output Model output rating rating rating α0.5/3000 0.2 kW α22/3000 4.4 kW αM3/3000 0.9 kW α1/3000 0.3 kW
  • Page 374. AC LINE FILTER AND SEPARATE B–65192EN/02 REGENERATIVE DISCHARGE UNIT 4.2 SEPARATE REGENERATIVE DISCHARGE UNIT (1) If a servo motor releases a large amount of regenerative discharge, which exceeds the regenerative discharge capacity of the regenerative discharge resistor in the servo amplifier, it
  • Page 384. AC LINE FILTER AND SEPARATE REGENERATIVE DISCHARGE UNIT B–65192EN/02 4.2.1 Calculating the The amount (R) of regenerative discharge of a motor is the sum of P and Q calculated in Section (i) and (ii), respectively. Amount of Regenerative Discharge R + P ) Q [W] . . . . . . . . . . . . . . . . . .
  • Page 394. AC LINE FILTER AND SEPARATE B–65192EN/02 REGENERATIVE DISCHARGE UNIT (ii) Vertical operation Amount of regenerative discharge (power [W] ) with a duty cycle D (%) in the rapid–traverse descending direction SI system of units Q + 1.047 10*1 Th Vm D [W] . . . . . . . . . . . . . . . . . . . . . . .
  • Page 404. AC LINE FILTER AND SEPARATE REGENERATIVE DISCHARGE UNIT B–65192EN/02 4.2.2 Regenerative Table 4.2.2 (a) Regenerative discharge capacity of buit–in type discharge resistor Discharge Capacity of wind veloc- wind veloc- Servo Amplifier No wind Regenerative ity 2m/sec ity 4m/sec Discharge Resistor A0
  • Page 41B–65192EN/02 5. POWER SUPPLY 5 POWER SUPPLY 25
  • Page 425. POWER SUPPLY B–65192EN/02 5.1 · Nominal rated voltage: 200/220/230 VAC INPUT POWER · Voltage fluctuation tolerance: –15% to +10% SUPPLY · Frequency: 50/60 Hz · Frequency fluctuation tolerance: "2 Hz · Power supply impedance: Voltage drop of 7% or less due to load (at maximum output) · Power suppl
  • Page 43B–65192EN/02 5. POWER SUPPLY 5.2 POWER REQUIREMENTS 5.2.1 Capacity of (1) If more than one servo motor is used, the total power requirement can Three–phase Power be calculated by adding the requirements of all the servo motors. Supply (2) As for continuous output ratings, the power requirements list
  • Page 445. POWER SUPPLY B–65192EN/02 5.2.2 Single–phase Input for Control Circuit Table 5.2.2 Power requiremnts for control circuits Servo Amplifier Capacity A06B–6089–H101 to H105 30 VA A06B–6090–H002 to H006 A06B–6089–H106 60 VA A06B–6090–H008 A06B–6089–H201 to H210 40 VA A06B–6090–H222 to H266 28
  • Page 45B–65192EN/02 5. POWER SUPPLY 5.3 Use a power transformer for an export when this servo amplifier unit is POWER used at a site where the line voltage is other than 200/220/230 VAC. TRANSFORMERS FOR EXPORTS 5.3.1 Specification Table 5.3.1 Specification of power trasformers Designation A80L–0022–0005 A
  • Page 465. POWER SUPPLY B–65192EN/02 5.3.2 How to Select a Select a transformer according to the load condition and the model of the motor for which the transformer is used. Each transformer has secondary Transformer winding taps for three amplifiers so that it can be connected to two or three amplifiers. F
  • Page 47B–65192EN/02 5. POWER SUPPLY 5.4 The current drown by the SVU/SVUC is obtained using the following CIRCUIT BREAKER expression. Use the calculated value as a reference value when selecting AND MAGNETIC an external magnetic contactor (MCC), power cable, and so on. CONTACTOR Power supply rating (kVA) I
  • Page 486. HEAT GENERATION B–65192EN/02 6 HEAT GENERATION (1) The heat generated by a servo amplifier unit can be calculated by the following equations. In calculation, use appropriate values selected from Tables 6.1 and 6.2 according to the models of the amplifier and motor to be used. Value determined dep
  • Page 49B–65192EN/02 6. HEAT GENERATION CAUTION Cooling by forced air flow uses a air flow speed of 2 m/s measured at the heat sink. Servo amplifier unit A06B–6089 –H106 or A06B–6090–H008 has a standard built–in cooling fan. (4) Heat generated by the regenerative discharge resistor · The regenerative discha
  • Page 506. HEAT GENERATION B–65192EN/02 Table 6 (b) Heat generation depending on the motors total heat total heat motor model generation generation (W) : c (W) : d α0.5/3000 10.8 1.4 α1/3000 9.9 1.0 α2/2000 10.4 0.9 α2/3000 13.8 1.7 α2.5/3000 19.9 2.2 α3/3000 22.3 1.2 α6/2000 26.3 1.7 α6/3000 44.0 2.8 α12/2
  • Page 517. INSTALLATION CONDITIONS B–65192EN/02 AND CAUTIONS 7 INSTALLATION CONDITIONS AND CAUTIONS 7.1 The servo amplifier unit should be installed in a place meeting the ENVIRONMENTAL following environmental conditions. CONDITIONS 7.1.1 Temperature around the unit : 0 to 55 _C (during operation) Ambient T
  • Page 527. INSTALLATION CONDITIONS AND CAUTIONS B–65192EN/02 7.1.6 Cautions for The servo amplifier unit is designed for installation in the machine magnetics cabinet with the heat sink protruding from the rear of the Installation cabinet so that the heat generated in the semiconductors is released outside
  • Page 537. INSTALLATION CONDITIONS B–65192EN/02 AND CAUTIONS 7.2 Because the α series control motor amplifiers drive motors using a HOW TO SELECT A transistor PWM inverter, high–frequency current leaks to a ground line GROUND FAULT through a stray capacitance between the motor winding, power cable, or INTER
  • Page 547. INSTALLATION CONDITIONS AND CAUTIONS B–65192EN/02 7.3 MEASURES FOR NOISE 7.3.1 Signal Line Separate the signal lines from the amplifier input power lines and motor power lines. The types of cables used are as follows: Separation Group Description Measure Bundle the cables in group A sepa- Amplifi
  • Page 557. INSTALLATION CONDITIONS B–65192EN/02 AND CAUTIONS 7.3.2 Ground The following ground systems are provided for CNC machine tool. (a) Signal ground system (SG) The signal ground (SG) supplies the refernce voltage (0V) of the electrical signal system. (b) Frame ground system (FG) The frame ground sys
  • Page 567. INSTALLATION CONDITIONS AND CAUTIONS B–65192EN/02 7.3.3 To gain approval to affix the CE marking, the SVU must be grounded SVU Grounding for using the metal terminal supplied with it. CE Marking (EC Machinery Directive) NOTE The SVUC does not comply with European safety standards (VDE 0160). No m
  • Page 578. OUTLINE DRAWINGS AND B–65192EN/02 AREA OF MAINTENANCE 8 OUTLINE DRAWINGS AND AREA OF MAINTENANCE 8.1 OUTLINE DRAWINGS AND AREA OF MAINTENANCE 8.1.1 Servo Amplifier Unit (1) SVU1–12, 20 / SVUC1–4, 12 BREAKER 41
  • Page 588. OUTLINE DRAWINGS AND AREA OF MAINTENANCE B–65192EN/02 (2) SVU1–40, 80 / SVUC1–40, 80 BREAKER CAUTION PARTS INSTALLATION IS NOT PERMITTED HERE BECAUSE OF THE HEAT GENERATED BY THE DISCHARGE RESISTOR. 42
  • Page 598. OUTLINE DRAWINGS AND B–65192EN/02 AREA OF MAINTENANCE (3) SVU1–130 / SVUC1–130 BREAKER CAUTION PARTS INSTALLATION IS NOT PERMITTED HERE BECAUSE OF THE HEAT GENERATED BY THE DISCHARGE RESISTOR. 43
  • Page 608. OUTLINE DRAWINGS AND AREA OF MAINTENANCE B–65192EN/02 (4) SVU2 / SVUC2 BREAKER CAUTION PARTS INSTALLATION IS NOT PERMITTED HERE BECAUSE OF THE HEAT GENERATED BY THE DISCHARGE RESISTOR. 44
  • Page 618. OUTLINE DRAWINGS AND B–65192EN/02 AREA OF MAINTENANCE 8.1.2 AC Line Fileter (1) A81L–0001–0083#3C 45
  • Page 628. OUTLINE DRAWINGS AND AREA OF MAINTENANCE B–65192EN/02 (2) A81L–0001–0101#C (3) A81L–0001–0102 46
  • Page 638. OUTLINE DRAWINGS AND B–65192EN/02 AREA OF MAINTENANCE 8.1.3 Power Transformer for Export Designation A80L–0022– A80L–0024– A80L–0026– A80L–0028– 0005 0006 0003 0001 Type SAE SBE SCE SDE Weight 21 kg 27 kg 36 kg 42 kg h1 (height 217cm Max. 217cm Max. 247cm Max. 247cm Max. of trans) 47
  • Page 648. OUTLINE DRAWINGS AND AREA OF MAINTENANCE B–65192EN/02 8.1.4 Separate Regenerative Discharge Unit (1) A06B–6089–H510 SCREW OF THE TERMINAL : M44 WEIGHT : 0.8 kg 48
  • Page 658. OUTLINE DRAWINGS AND B–65192EN/02 AREA OF MAINTENANCE (2) A06B–6089–H500 SCREW OF THE TERMINAL : M44 WEIGHT : 2.2 kg 49
  • Page 668. OUTLINE DRAWINGS AND AREA OF MAINTENANCE B–65192EN/02 (3) A06B–6089–H711 to H714 CAUTION The exhaust section becomes very hot. No part shall be mounted at the exhaust section. Designation Weight A06B–6089–H711 5Kg A06B–6089–H712 6Kg A06B–6089–H713 5Kg A06B–6089–H714 6Kg 50
  • Page 678. OUTLINE DRAWINGS AND B–65192EN/02 AREA OF MAINTENANCE 8.1.5 Battery Case 51
  • Page 688. OUTLINE DRAWINGS AND AREA OF MAINTENANCE B–65192EN/02 8.2 PANEL CUTOUT DRAWING 8.2.1 Servo Amplifier Unit (1) SVU1–12, –20 (2) SVU1–40, –80 SVU2–j/j 52
  • Page 698. OUTLINE DRAWINGS AND B–65192EN/02 AREA OF MAINTENANCE (3) SVU1–130 53
  • Page 708. OUTLINE DRAWINGS AND AREA OF MAINTENANCE B–65192EN/02 8.2.2 Separate Regenerative Discharge Unit (1) A06B–6089–H510 (2) A06B–6089–H500 CAUTION ATTACH PACKINGS (ACRYLONITRILE–BUTADIENE RUBBER OR SOFT NBR) TO PREVENT THE INGRESS OF OIL AND DUST. 54
  • Page 718. OUTLINE DRAWINGS AND B–65192EN/02 AREA OF MAINTENANCE (3) A06B–6089–H711 to H714 CAUTION ATTACH PACKINGS (ACRYLONITRILE–BUTADIENE RUBBER OR SOFT NBR) TO PREVENT THE INGRESS OF OIL AND DUST. 55
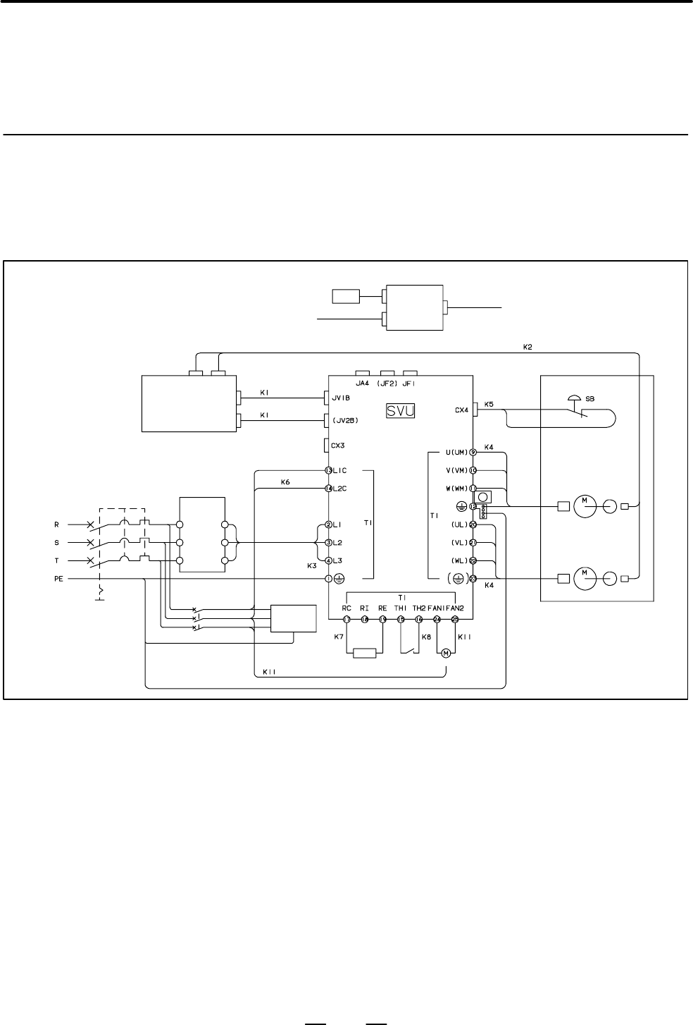
  • Page 729. CONNECTION B–65192EN/02 9 CONNECTION 9.1 OVERVIEW 9.1.1 Interface with the NC This servo amplifier unit has two types of NC interface. Cable connection varies with the interface type used. Before starting to connect, check the model of the NC unit and interface type. Interface type NC TYPE A Seri
  • Page 73B–65192EN/02 9. CONNECTION 9.2 BASIC CONNECTION 9.2.1 Connection Example for SVU (1) Sample connection with TYPE A interface but without external MCC 1–AXIS (A06B–6089–H101 to H106) 2–AXIS (A06B–6089–H201 to H210) RELAY UNIT a (Plate metal terminal) BATTERY NOTE3 PULSECODER NC IN THE CASE OF ABUSOLU
  • Page 749. CONNECTION B–65192EN/02 (2) Sample connection with TYPE B interface but without external MCC 1–AXIS (A06B–6089–H101 to H106) 2–AXIS (A06B–6089–H201 to H210) a (Plate metal terminal) BATTERY IN THE CASE OF PULSECODER NC CONTROL UNIT EMERGENCY STOP (EMG) NOTE1 NOTE2 AC LINE FILTER BREAKER a 200/220
  • Page 75B–65192EN/02 9. CONNECTION (4) Sample connection with TYPE B interface and external MCC 1–AXIS (A06B–6089–H101 to H106) 2–AXIS (A06B–6089–H201 to H210) IN THE CASE OF PULSECODER a (Plate metal terminal) BATTERY NC CONTROL UNIT EMERGENCY STOP Power for MCC drive (EMG) NOTE1 NOTE2 AC LINE FILTER 200/2
  • Page 769. CONNECTION B–65192EN/02 NOTE 1 Unlike the C series amplifiers, SVU does not require 100 VAC for an emergency stop. 2 L1C and L1 were connected with each other through a jumper bar at the factory, and so were L2C and L2. Remove these jumper bars before connecting a power supply. 3 Some NC units do
  • Page 77B–65192EN/02 9. CONNECTION 9.2.2 Connection Example (1) Sample connection with the TYPE A interface for SVUC 1–AXIS (A06B–6090–H002 to H008) 2–AXIS (A06B–6090–H222 to H266) RELAY UNIT BATTERY NOTE3 PULSECODER IN THE CASE OF ABSOLUTE PULSECODER IN THE CASE OF INCREMENTAL PULSECODER NC CONTROL UNIT EM
  • Page 789. CONNECTION B–65192EN/02 CAUTION 1 Be sure to use an AC line filter to reduce effect of harmonic noise to the power supply. Two or more SVUCs can be connected to one AC line filter if its power supply capacity is not exceeded. 2 RC and RI were connected with each other through a jumper bar at the
  • Page 79B–65192EN/02 9. CONNECTION 9.2.3 Connector and Terminal (T1) A06B–6089–H101 to H106 A06B–6089–H201 to H210 A06B–6090–H002 to H008 A06B–6090–H222 to H266 (1) Connector location NAME INDICATION REMARK À CONNECTOR FOR NC JV1B TYPE A INTERFACE INTERFACE L–AXIS Á CONNECTOR FOR NC JV2B TYPE A INTERFACE IN
  • Page 809. CONNECTION B–65192EN/02 (2) Terminal board (T1) A06B–6089–H101 to H105 A06B–6089–H106 A06B–6089–H201 to H210 A06B–6090–H008 A06B–6090–H002 to H006 A06B–6090–H222 to H266 NOTE 5 and 6 on the terminal board T1 are not used with SVU. 64
  • Page 81B–65192EN/02 9. CONNECTION 9.3 DETAILED CONNECTION 9.3.1 Detailed Connection of Cable K1 (1) For connection to Series 16–A/B, Series 18–A, Series 15–B, Series 21–TA, Power Mate–D, or Power Mate–F (TYPE A I/F) NC ( 3) *PWMA (*ALM1) ( 3) SVU Series 16–A/B SVUC Series 18–A ( 4) COMA ( 4) Series 15–B Se
  • Page 829. CONNECTION B–65192EN/02 (2) For connection to Series 0–C or Series 15–A (TYPE A I/F) NC ( 1) *PWMA (*ALM1) ( 3) SVU ÃÃ Series 0–C SVUC ÃÃ Series 15–A ( 2) COMA ( 4) ÃÃ ( 3) *PWMB (*ALM2) ( 5) ÃÃ ( 4) COMB ( 6) ÃÃ ÃÃ ( 5) *PWMC (*ALM4) ( 7) ÃÃ ( 6) COMC ( 8) (14) ÃÃ *PWMD (*ALM8) (13) (15) ÃÃ ÃÃ C
  • Page 83B–65192EN/02 9. CONNECTION (3) For connection to Series 16–B, Series 18–B, Series 20, Series 21–TB, Series 21–GA, or Power Mate–H (TYPE B I/F) NC ( 3) *PWMA (*ALM1) ( 3) SVU Series 16–B SVUC Series 18–B ( 4) 0V ( 4) Series 20 Series 21–TB ( 5) *PWMC (*ALM2) ( 5) Series 21–GA Power Mate H ( 6) 0V ( 6
  • Page 849. CONNECTION B–65192EN/02 NOTE Wire material of cable K1 Recommended material of cable K1 is as follows. Specification : A66L–001–0284#10P Name : 10 pairs cable Material : #28AWG10 pairs (20 cores), Standard Length is 200m Maker : Hitachi Cable , Oki Electric Cable (Important points) (1) Assign th
  • Page 85B–65192EN/02 9. CONNECTION (3) Associate ten twisted–pair wires with paires of pins 1 and 2, 3 and 4, . . . , and 19 and 20 of a connector such as PCR–E20FA when connecting the pins with the pairs. Specificarion Item Unit Specificarion Designation A66L–0001–0284#10P Manufacturer Hitachi Cable Oki El
  • Page 869. CONNECTION B–65192EN/02 9.3.2 Detailed Connection (1) For connection to Series 0–C or Series 15–A of Cable K2 (a) For model α1/3000, α2/2000, α2/3000 NC (16) SD (12) Motor (17) *SD (13) (14) REQ (5) (15) *REQ (6) (4, 5, 6) +5V (8, 15) (1, 2) 0V (1, 2, 3) (3) 0VA (10) Note) { (7) +6VA (14) } Note)
  • Page 87B–65192EN/02 9. CONNECTION Relay unit (16) SD (12) Motor (17) *SD (13) (14) REQ (5) (15) *REQ (6) (4, 5) +5V (8, 15) (1, 2) 0V (1, 2, 3) (3) 0VA (10) (6) +6VA (14) Shield (4) F F Connector: Connector: HDAB–15S (HIROSE ELECTRIC) MR–20LMH (HONDA TSUSHIN KOGYO) Cover : HDAW–15–CV (HIROSE ELECTRIC) Wire
  • Page 889. CONNECTION B–65192EN/02 (b) For model α3/3000 to α40/2000, αC3/2000 to αC22/1500 NC (16) SD (A) Motor (17) *SD (D) (14) REQ (F) (15) *REQ (G) (4, 5, 6) +5V (J, K) (1, 2) 0V (N, T) (3) 0VA (S) Note) { (7) +6VA (R) } Note) Shield (H) F F Connector: Connector: Refer to table 9.3.4 (b), (c). MR–20LFH
  • Page 89B–65192EN/02 9. CONNECTION (2) For connection to Series 16–A/B, Series 18–A, Series 15–B, Series 21– TA, or Power r Mate–D/F (TYPE A I/F) (a) For model α1/3000, α2/2000, α2/3000 NC (1) SD (12) Motor (2) *SD (13) (5) REQ (5) (6) *REQ (6) (9, 18, 20) +5V (8, 15) (12, 14) 0V (1, 2, 3) (16) 0VA (10) Not
  • Page 909. CONNECTION B–65192EN/02 (b) α3/3000 to α40/2000, αC3/2000 to αC22/1500 NC (1) SD (A) Motor (2) *SD (D) (5) REQ (F) (6) *REQ (G) (9, 18, 20) +5V (J, K) (12, 14) 0V (N, T) (16) 0VA (S) Note 1) { (7) +6VA (R) } Note 1) Shield (H) F F Connector: Connector: Refer to table 9.3.4 (b), (c). FI40–2015S (H
  • Page 91B–65192EN/02 9. CONNECTION (3) For connection to Series 16–B, Series 18–B, Series 20, Series 21– GA, Series 21– TB, or Power Mate H (TYPE B I/F) (a) For model α1/3000, α2/2000, α2/3000 SVU (1) SD (12) Motor SVUC (2) *SD (13) (5) REQ (5) (6) *REQ (6) (9, 18, 20) +5V (8, 15) (12, 14) 0V (1, 2, 3) (16)
  • Page 929. CONNECTION B–65192EN/02 (b) For model α3/3000 to α40/2000, αC3/2000 to αC22/1500 SVU (1) SD (A) Motor (2) *SD (D) (5) REQ (F) (6) *REQ (G) (9, 18, 20) +5V (J, K) (12, 14) 0V (N, T) (16) 0VA (S) Note 1) { (7) +6VA (R) } Note 1) JF (1/2) Shield (H) F F Connector: Connector: Refer to table 9.3.4 (b)
  • Page 93B–65192EN/02 9. CONNECTION 9.3.3 Detailed Connection (1) Power supply voltage is 200, 220, 230VAC and the system conform of Cable K3 with the European standard. TB1 SVU SVUC L1 Power supply R (L1) 200VAC AC L2 220VAC S Breaker line (L2) 230VAC filter L3 T (L3) 50/60Hz G ( ) (2) Power supply voltage
  • Page 949. CONNECTION B–65192EN/02 Table 9.3.3 Specification of Cable K3 Cable Vinyl cabtyre Heat–resistive Amplifier Screw of terminal cable vinyl cable Note 1) Note 2) SVU1–12, 20 2.0 mm2 or more 2.0 mm2 or more M4 SVUC1–4, 12 SVU1–40, 80 SVU2–j/j 3.5 mm2 or more 3.5 mm2 or more M4 SVUC1–40, 80 SVUC2–j/j
  • Page 95B–65192EN/02 9. CONNECTION 9.3.4 Detailed Connection of Cable K4 (1) For model α0.5/3000 SVU, SVUC Motor A1 U T1 (UL, UM) A2 V T1 (VL, VM) A3 W T1 (WL, WM) B1 T1 ( ) G (Motor body) Metal terminal (Note) Screw M4 Connector used Japan AMP Housing : 3–178129–6 (not waterproof) Cable used : 0.75mm2 (30/
  • Page 969. CONNECTION B–65192EN/02 (2) For model α1/3000 to α2/3000 SVU, SVUC Motor 1 U T1 (UL, UM) 2 V T1 (VL, VM) 3 W T1 (WL, WM) 4 T1 ( ) G (Motor body) G (Connector shell) Metal terminal (Note 1) Connector used Screw M4 Japan AMP 176346–2 (waterproof) Cable used : 0.75mm2 (30/0.18) 7–cores vinyl cabtyre
  • Page 97B–65192EN/02 9. CONNECTION (3) For model α3/3000 to α6/3000, αC3/2000 to αC6/2000, αM3/3000 to αM9/3000, αL3/3000 to αL9/3000, αΕ1/3000 to αΕ6/2000 SVU, SVUC Motor A U T1 (UL, UM) B V T1 (VL, VM) C W T1 (WL, WM) D T1 ( ) G (Motor body) Metal terminal (Note) Screw M4 Connector used Guide key Refer to
  • Page 989. CONNECTION B–65192EN/02 (4) For model α12/2000 to α30/1200, αC12/2000 to αC22/1500 SVU, SVUC Motor A U T1 (UL, UM) B V T1 (VL, VM) C W T1 (WL, WM) D α12/2000 T1 ( ) G (Motor α12/3000 body) α22/1500 α22/2000 Metal terminal α30/1200 (Note) Screw M4 Connector used Guide key Refer to ↓ Table 9.3.4 (a
  • Page 99B–65192EN/02 9. CONNECTION (5) For model α22/3000, α30/2000, α30/3000, α40/2000, α40/2000 (with fan), αL25/3000, αL50/2000 SVU, SVUC Motor A T1 (U) B U C T1 (V) D V E T1 (W) F W T1 ( ) G (Motor α22/3000 G body) α30/2000 α30/3000 Metal terminal α40/2000 (Note) Screw M4 Connector used Guide key Refer
  • Page 1009. CONNECTION B–65192EN/02 Important point When the motor do not ground to the machine (cabinet) that the motor is mounted, connect the ground of motor and the ground of amplifier with the cable to absorb the noise. In this case, use the cable thicker than 1.25mm2 which is not the line inside the po
  • Page 101B–65192EN/02 9. CONNECTION Table 9.3.4 (a) Cable side plug specifications (TUV recognized) α3/3000 αM3/3000 α12/2000 α30/3000HV α22/3000 α6/2000 αM6/3000 α12/3000 αC12/2000 α30/2000 α6/3000 αM9/3000 α22/1500 αC22/1500 α30/3000 Motor model α3/3000HV αL3/3000 α22/2000 α40/2000 α6/3000HV αL6/3000 α30/1
  • Page 1029. CONNECTION B–65192EN/02 Table 9.3.4 (c) Cable side plug specifications (non–waterproof) α3/3000 αM3/3000 α12/2000 α30/3000HV α22/3000 α6/2000 αM6/3000 α12/3000 αC12/2000 α30/2000 α6/3000 αM9/3000 α22/1500 αC22/1500 α30/3000 Motor model α3/3000HV αL3/3000 α22/2000 α40/2000 α6/3000HV αL6/3000 α30/1
  • Page 103B–65192EN/02 9. CONNECTION 9.3.5 Detailed Connection of Cable K5 Emergency stop contact CX4 SVU +24V (3) ESP (2) (1) Cable specification : Two–core vinly cabtyre cable JIS C 3312 Conductor 1.25mm2 (50/0.18) Sheath PVC 9.6 φ Connector specification : Cnnector manufactured by AMP Receptacle housing: 1
  • Page 1049. CONNECTION B–65192EN/02 9.3.6 Detailed Connection of Cable K6 T1 SVU 200R (L1C) 200S (L2C) Cable specification : Two–core vinly cabtyre cable JIS C 3312 Conductor 1.25mm2 (50/0.18) Sheath PVC 9.6 φ Crimp terminal : 2–4 9.3.7 Detailed Connection of Cable K7 SVU, SVUC Separate regenerative discharg
  • Page 105B–65192EN/02 9. CONNECTION 9.3.8 Detailed Connection of Cable K8 (a) When the transformer is not used SVU, SVUC Separate regenerative discharge unit T3 (3) T1 (TH1) T3 (4) T1 (TH2) Cable specification : Two–core vinly cabtyre cable JIS C 3312 Conductor 0.75mm2 (30/0.18) Sheath PVC 8.8 φ Crimp termin
  • Page 1069. CONNECTION B–65192EN/02 (b) When the transformer is used SVU, SVUC Separate regenerative discharge unit T3 (3) T1 (TH1) T3 (4) T1 (TH2) Screw M4 Screw M4 Transformer Thermostat : b contact (51) (52) Screw M4 Cable specification : Two–core vinly cabtyre cable JIS C 3312 Conductor 0.75mm2 (30/0.18)
  • Page 107B–65192EN/02 9. CONNECTION 9.3.9 Detailed Connection of Cable K9 SVU, SVUC Battery unit JA4 (7) +6V (+) JA4 (3) 0V (–) Screw M3 Connector : PCR–E20FA Crimp terminal : 1.25–4 Cable specification : Two–core vinly cabtyre cable JIS C 3312 Conductor 0.75mm2 (30/0.18) 91
  • Page 1089. CONNECTION B–65192EN/02 9.3.10 Detailed Connection of Cable K10 MCC CX3 SVU MCCOFF3 (3) (2) Internal Coil Spark killer contact MCCOFF4 X (1) 350/Y Power supply (Power supply depend on specification of MCC’ s coil.) Cable specification : Two–core vinly cabtyre cable JIS C 3312 Conductor 1.25mm2 (5
  • Page 109B–65192EN/02 9. CONNECTION 9.3.11 Detailed Connection of Cable K11 (1) For SVU1–130, SVUC1–130 A06B–6089–H711 to H714 SVU, SVUC Separate regenerative discharge unit T1 (FAN1) T3 (5) T1 (FAN2) T3 (6) Screw : M4 Screw : M4 Crimp terminal : 2–4 Crimp terminal : 2–4 Cable specification : Two–core vinly
  • Page 1109. CONNECTION B–65192EN/02 (b) SVUC A06B–6089–H711 to H714 200/220/ To main power Separate regenerative 230VAC discharge unit supply 3φ of SVUC ÃÃ ÃÃ T3 (5) ÃÃ T3 (6) Screw : M4 Crimp terminal : 2–4 Cable specification : Two–core vinly cabtyre cable JIS C 3312 or heat–resistive vinyl cable Conductor
  • Page 111B–65192EN/02 9. CONNECTION 9.3.13 For installation of the Lightning Surge Protector SVU : Requires the use of an external circuit breaker and lightning surge protector. SVUC : Features a built–in lightning arrester in the same way as the C series amplifier, hence does not require an external circuit
  • Page 1129. CONNECTION B–65192EN/02 (2) Cautions CAUTION 1 Minimize the length of wiring indicated in solid line so as to enhance the lightning surge absorptive effect.  Wire cross–sectional area : 2 mm2 or more  Wire length : The total length of the cable used for lightning surge protector 1 (a) and that
  • Page 113B–65192EN/02 9. CONNECTION 9.3.14 ESP Signal *) The connection of the ESP signal for the SVU differs from that for Connection for Use of the SVUC. Two or more SVUs or (1) When using SVUs: Use CX4. Up to six units can be connected. If more than six units must be SVUCs connected, contact FANUC. Emerge
  • Page 1149. CONNECTION B–65192EN/02 9.3.15 Monitoring Contact Monitoring contacts RL1 and RL2, or RL2 and RL3, are used as the direct Output output of the auxiliary contact of a contactor or relay for a dynamic brake. Machine tool builders can use these contacts when designing a safety device or the like. Th
  • Page 11510. COMPATIBILITY WITH THE C B–65192EN/02 SERIES SERVO AMPLIFIER COMPATIBILITY WITH THE C SERIES SERVO 10 AMPLIFIER 10.1 COMPARISON Table 10.1 Comparison between SVU/SVUC and C series Amplifier BETWEEN SVU/SVUC Item SVUC SVU AND C SERIES External shape and Same as C series am- Same as C series am- A
  • Page 11610. COMPATIBILITY WITH THE C SERIES SERVO AMPLIFIER B–65192EN/02 Â Surge absorber SVU: Does not have a built–in surge absorber, so as to conform to European standards. An external surge absorber is required. For details, see Subsec. 9.3.13. SVUC: Contains a surge absorber in the same way as the C se
  • Page 11710. COMPATIBILITY WITH THE C B–65192EN/02 SERIES SERVO AMPLIFIER Connector name Name Interface C series amplifier SVU/SVUC NC interface con- À TYPE A CN1 (L) JV1B nector: L–axis NC interface con- Á TYPE A CN1M JV2B nector: M–axis NC interface con- Â TYPE B JS1B nector: L–axis NC interface con- Ä TYP
  • Page 11810. COMPATIBILITY WITH THE C SERIES SERVO AMPLIFIER B–65192EN/02 10.2 NOTES ON (1) Switch setting REPLACING A C Some switches have been added on the front of the amplifier. The following switches must be set: SERIES AMPLIFIER – Interface setting (SW1) WITH THE SVUC – SVU/SVUC mode setting (SW2) – Pr
  • Page 119B–65192EN/02 Index [A] [E] AC Line Fileter, 45 Environmental Conditions, 35 AC Line Filter, 19 ESP Signal Connection for Use of Two or more SVUs or SVUCs, 97 AC Line Filter and Separate Regenerative Discharge Unit, 18 Altitude, 35 Ambient Temperature, 35 [F] Atmosphere, 35 For installation of the Li
  • Page 120Index B–65192EN/02 Power Requirements, 27 Signal Line Separation, 38 Power Supply, 25 Single–phase Input for Control Circuit, 28 Power Transformer for Export, 47 Specification, 8, 9, 29 Power Transformers for Exports, 29 SVU Grounding for CE Marking (EC Machinery Di- Protection and Error Detection F
  • Page 121Revision Record FANUC CONTROL MOTOR AMPLIFIER a series (SERVO AMPLIFIER UNIT) DESCRIPTIONS (B–65192EN) Section ”Safety Precautions” has been added. 02 Jun., ’96 Some descriptions relating to the SVUC have been added. 01 Feb., ’95 Revision Date Contents Revision Date Contents
  • Page 122