
B–65192EN/02
9. CONNECTION
59
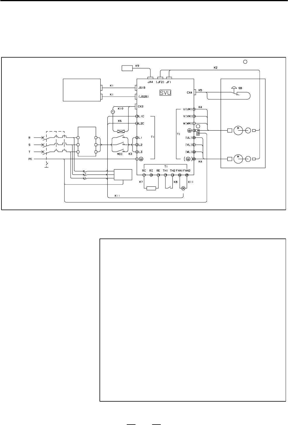
(4) Sample connection with TYPE B interface and external MCC
1–AXIS (A06B–6089–H101 to H106)
2–AXIS (A06B–6089–H201 to H210)
200/220/230VAC
+10%, –15%
BREAKER
AC LINE FILTER
BREAKER (5A)
SURGE
ABSORBER
SEPARATE REGENERATIVE
DISCHARGE RESISTOR
THERMOSTAT
FAN MOTOR
BATTERY
IN THE CASE OF PULSECODER
NC CONTROL UNIT
a
EMERGENCY STOP
(EMG)
AC SERVO MOTOR
ON MACHINE
a (Plate metal terminal)
NOTE2
CAUTION2
CAUTION3 CAUTION4
CAUTION5
NOTE1
CAUTION1
NOTE5
Power for MCC drive
CAUTION
1 Be sure to use an AC line filter to reduce effect of harmonic
noise to the power supply. Two or more SVUs can be
connected to one AC line filter if its power supply capacity
is not exceeded.
2 SVU does not contain a surge absorber. One should be
installed externally.
3 RC and RI were connected with each other through a
jumper bar at the factory. If a separate regenerative
discharge unit is to be used, remove the jumper bar.
4 TH1 and TH2 were connected with each other through a
jumper bar at the factory. Remove the jumper bar, and
connect them to the separate regenerative discharge unit
and power transformer thermostat.
5 Only the A06B–6089–H106 has FAN1 and FAN2. Connect
them to the fan motor of the separate regenerative
discharge unit. If a separate regenerative discharge unit
(other than the A06B–6089–H106) with a built–in fan motor
is to be used, connect the fan motor to the circuit beaker
(5A).