Series 16i/160i/160is/18i/180i/180is/21i/210i/210is - Model B Connection manual (Hardware) Page 424

Connection manual (Hardware)
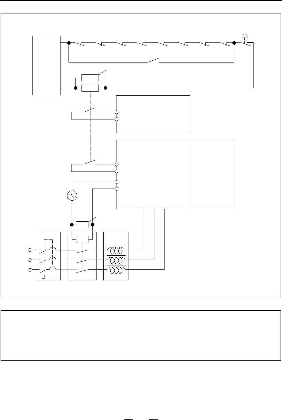
10. EMERGENCY STOP SIGNAL
B63523EN/03
408
+X X+YY+ZZ+44
Stroke end limit switch
Emergency
stop button
Relay
power
Release switch
Spark killer
SK
Spark killer
SK
Relay
EMG
emg1
emg2
CNC control unit
+24
*ESP
+24
*ESP
MCCOFF3
MCCOFF4
αi series servo amplifier
(PSM)
SVM
SPM
L1 L2
L3
External power source
L1
L2
3φ
200VAC
Circuit breaker 1 MCC AC reactor
Coil
L3
Fig. 10
WARNING
To use a spindle motor and amplifier produced by a manufacturer other than FANUC, refer to
the corresponding documentation as well as this manual. Design the emergency stop
sequence such that, if the emergency stop signal contact opens while the spindle motor is
rotating, the spindle motor is decelerated until it stops.

Contents Summary of Series 16i/160i/160is/18i/180i/180is/21i/210i/210is - Model B Connection manual (Hardware)

  • Page 1FANUC Series 16*/160*/160*s-MODEL B FANUC Series 18*/180*/180*s-MODEL B FANUC Series 21*/210*/210*s-MODEL B CONNECTION MANUAL (HARDWARE) B-63523EN/03
  • Page 2• No part of this manual may be reproduced in any form. • All specifications and designs are subject to change without notice. The export of this product is subject to the authorization of the government of the country from where the product is exported. In this manual we have tried as much as possi
  • Page 3B–63523EN/03 DEFINITION OF WARNING, CAUTION, AND NOTE DEFINITION OF WARNING, CAUTION, AND NOTE This manual includes safety precautions for protecting the user and preventing damage to the machine. Precautions are classified into Warning and Caution according to their bearing on safety. Also, supplem
  • Page 4
  • Page 5B–63523EN/03 PREFACE PREFACE This manual describes the electrical and structural specifications required for connecting the CNC control unit to a machine tool. The manual outlines the components commonly used for FANUC CNC control units, as shown in the configuration diagram in Chapter 2, and suppli
  • Page 6PREFACE B–63523EN/03 Organization of this This manual consists of chapters 1 to 15 and appendixes at the end of the manuals book. Chapter and title Contents Chapter 1 Provides general information related to the connection of the i Series CNC, as well as an CONFIGURATION introduction to detailed info
  • Page 7B–63523EN/03 PREFACE Related manuals of The following table lists the manuals related to Series 16i, Series 18i, Series 16i/18i/21i/160i/ Series 21i, Series 160i, Series 180i, Series 210i, Series 160is, Series 180i/210i/160is/ 180is/ 180is, Series 210is–MODEL B. This manual is indicated by an 210is–
  • Page 8PREFACE B–63523EN/03 Specification Manual name number Network FANUC I/O Link–II CONNECTION MANUAL B–62714EN Profibus–DP Board OPERATOR’S MANUAL B–62924EN Ethernet Board/DATA SERVER Board B–63354EN OPERATOR’S MANUAL FAST Ethernet Board/FAST DATA SERVER B–63644EN OPERATOR’S MANUAL DeviceNet Board OPER
  • Page 9B–63523EN/03 Table of Contents DEFINITION OF WARNING, CAUTION, AND NOTE . . . . . . . . . . . . . . . . . . . . . . . . . . s–1 PREFACE . . . . . . . . . . . . . . . . . . . . . . . . . . . . . . . . . . . . . . . . . . . . . . . . . . . . . . . . . . . . . . . . p–1 1. CONFIGURATION . . . . . . . .
  • Page 10Table of Contents B–63523EN/03 5.1 CONNECTION OF MDI UNIT (LCD–MOUNTED TYPE) . . . . . . . . . . . . . . . . . . . . . . . . . . . . . . . 75 5.1.1 General . . . . . . . . . . . . . . . . . . . . . . . . . . . . . . . . . . . . . . . . . . . . . . . . . . . . . . . . . . . . . . . . . . . . . . . .
  • Page 11B–63523EN/03 Table of Contents 7.1.13 Notes on Installing a Separate Detector Interface Unit . . . . . . . . . . . . . . . . . . . . . . . . . . . . . . . . . . . . . 164 7.1.14 Connecting the Servo Check Adapter . . . . . . . . . . . . . . . . . . . . . . . . . . . . . . . . . . . . . . . . . . . .
  • Page 12Table of Contents B–63523EN/03 9.4.6 DO (Output Signal) Connection . . . . . . . . . . . . . . . . . . . . . . . . . . . . . . . . . . . . . . . . . . . . . . . . . . . . . . 221 9.4.7 DI/DO Signal Specifications . . . . . . . . . . . . . . . . . . . . . . . . . . . . . . . . . . . . . . . . . . . .
  • Page 13B–63523EN/03 Table of Contents 9.9.2 Output Signal Specifications for Source Output Type Connection Unit . . . . . . . . . . . . . . . . . . . . . . . . 314 9.9.3 Connector Pin Layout for Source Output Type Connection Unit . . . . . . . . . . . . . . . . . . . . . . . . . . . . . 318 9.9.4 Dimension
  • Page 14Table of Contents B–63523EN/03 9.13.6.4 Outline of sub panel B . . . . . . . . . . . . . . . . . . . . . . . . . . . . . . . . . . . . . . . . . . . . . . . . . . . . . . . 389 9.13.6.5 Outline of sub panel C . . . . . . . . . . . . . . . . . . . . . . . . . . . . . . . . . . . . . . . . . . . . . .
  • Page 15B–63523EN/03 Table of Contents 14.CONNECTION FOR Series 160is/180is/210is . . . . . . . . . . . . . . . . . . . . . . . . . . . . . 430 14.1 TOTAL CONNECTION DIAGRAMS . . . . . . . . . . . . . . . . . . . . . . . . . . . . . . . . . . . . . . . . . . . . . . . . 431 14.1.1 LCD–Mounted Type Series 16
  • Page 16
  • Page 17B–63523EN/03 1. CONFIGURATION 1 CONFIGURATION 1
  • Page 181. CONFIGURATION B–63523EN/03 1.1 The i series control units are divided into two types: the LCD–mounted type and stand–alone type. CONTROL UNIT CONFIGURATION LCD–mounted type control units have a built–in display. Stand–alone AND COMPONENT type control units have a separate display unit. In the fol
  • Page 19B–63523EN/03 1. CONFIGURATION Series 160is/180is/210is LCD–mounted type control units (A circle in the table denotes that a unit is available.) Expan- Touch Display Soft key 160is 180is 210is sion slot panel 10+2 None f f f None None Provided f f f 10+2 Provided f f f 10+2 None f f f 2 None Provided
  • Page 201. CONFIGURATION B–63523EN/03 LCD–mounted type control unit Liquid–crystal display Memory card interface Soft key switch NOTE This figure is a front view of the Series 16i/18i/21i LCD–mounted type control unit with an 8.4″ TFT color liquid–crystal display. The configurations of other control units a
  • Page 21B–63523EN/03 1. CONFIGURATION LCD–mounted type control unit Fan unit Battery Unit rear panel Power supply Power supply Ethernet connector module connector [CP1] [CD38A] (5.5) Servo unit connector Fuse [COP10A–1] (left) (7) [COP10A–2] (right) (7) Serial spindle or position coder connector [JA41] (6)
  • Page 221. CONFIGURATION B–63523EN/03 LCD–mounted type control unit Rear of unit Option board For remote buffer, DNC1, or DNC2 RS–422 connector (11) [JD6A] RS–232C connector (11) [JD28A] Rear of unit Option board For HSSB board HSSB optical connector (12) [COP7] 6
  • Page 23B–63523EN/03 1. CONFIGURATION NOTE 1 The above figures are rear views of a LCD–mounted type control unit with option slots. The configurations of the option slot portions of other LCD–mounted type control units are the same as in the above figures. 2 When a loader control board is used, refer to the
  • Page 241. CONFIGURATION B–63523EN/03 LCD–mounted type control unit Rear side of unit Option board For sub–CPU card Analog output connector (6) [JA40] Connector for serial spindle/ Servo unit position coder (6) connector (FSSB) Servo check [JA41] (7) [CP10A–1] (left) board connector [CP10A–2] (right) (Near
  • Page 25B–63523EN/03 1. CONFIGURATION LCD–mounted type control unit Rear of unit Option board Profibus board Connector for master board [JN1] Connector for slave board [JN2] Rear side of unit Option board I/O Link–II interface board I/O LINK–II terminal unit [TB1] NOTE The above figures are rear views of a
  • Page 261. CONFIGURATION B–63523EN/03 1.1.2 Series 16i/18i/21i stand–alone type control units (A circle in the table Configurations of denotes that a unit is available.) Stand–alone Type Slot rack name Expansion Mini 16i 18i 21i Re- Control Units slot slot marks Single–slot rack None 2 f f f (*NOTE) 3–slot
  • Page 27B–63523EN/03 1. CONFIGURATION Series 160is/180is/210is display units (CNC display unit with PC functions) (A circle denotes that a unit is available.) Soft Touch Re- Display 160is 180is 210is key panel marks 10+2 None f f f 10.4″ TFT color LCD None Provided f f f 10+2 Provided f f f 11
  • Page 281. CONFIGURATION B–63523EN/03 Stand–alone type control unit Battery (4.4) Status display LED I/O unit interface connector (5.2) [JD5A, JD5B] I/O Link Battery connector (9) (4.4) [JD44A] Slot 3 Slot 2 Connector for analog Memory card spindle or high–speed interface skip (6) (5.3) [JA40] Connector for
  • Page 29B–63523EN/03 1. CONFIGURATION Stand–alone type control unit Sub–CPU board Connector for analog spindle or high–speed skip (6) (5.3) [JA40] Connector for serial spindle or position coder (6) [JA41] Servo unit (FSSB) connector (7) Mini slot [COP10A–1(lower)] [COP10A–2(upper)] Servo check board connect
  • Page 301. CONFIGURATION B–63523EN/03 Stand–alone type control unit (mini slots) HSSB board HSSB optical connector (12) C board The C board has no connector. Remote buffer, DNC2 board RS–232–C connector (11) Remote buffer, DNC2 board RS–422 connector (11) DNC1 board RS–485 connector (11) NOTE The numbers in
  • Page 31B–63523EN/03 1. CONFIGURATION Stand–alone type control unit (mini slots) Ethernet board Ethernet board connector (13) DeviceNet board DeviceNet board connector (13) PROFIBUS board PROFIBUS board connector (13) FL–net board FL–net board connector (13) I/O Link–II board I/O Link–II board connector (13
  • Page 321. CONFIGURATION B–63523EN/03 LCD unit for stand–alone type control unit Liquid–crystal display Memory card interface Soft key switch Connector for MDI connection (5) [CA55] I/O unit interface connector (5) [JD36A] Power supply LCD connector (5) connector(5) GND Fuse [COP20B] [CPIA (right)] connecti
  • Page 33B–63523EN/03 1. CONFIGURATION 1.2 HARDWARE OVERVIEW Serial communication board Loader control board Mother board Remote buffer/ Loader control function CPU for controlling CNC DNC1/DNC2/HDLC · 2–/4–axis control · Power supply · 2–axis to 8–axis control · Spindle interface · LCD/MDI Sub–CPU board Dat
  • Page 341. CONFIGURATION B–63523EN/03 Serial communication board Symbol CAPi T Mother board Remote buffer/ Conversational CPU for controlling CNC DNC1/DNC2/HDLC automatic · Power supply programming · 2–axis to 6–axis control function · Spindle interface · LCD/MDI Sub–CPU board · I/O link Loader control boar
  • Page 35B–63523EN/03 1. CONFIGURATION Serial communication board Symbol CAPi T Mother board Remote buffer/ Conversational CPU for controlling CNC DNC1/DNC2/HDLC automatic · Power supply programming · 2–axis to 4–axis control function · Spindle interface · LCD/MDI C board · I/O link · PMC–SA1/SB7 C functions
  • Page 361. CONFIGURATION B–63523EN/03 Three–slot rack Slot 0 Single–slot rack Option Option slot 2 slot 1 Mini slot 12 Mini slot 10 Mini slot 10 Mini slot 11 Mini slot 9 Mini slot 9 Options (mini slot) Options (slot 3) Options (slot 2) Basic system (slot 1) HSSB interface board RISC board Sub–CPU board Main
  • Page 37B–63523EN/03 1. CONFIGURATION Conditions for installing options (LCD–mounted type) Middle slot Option 4 slot Slot nearest Option among the farthest from to the LCD option 3 slots the LCD Axis control Sub–CPU board Axis control board – 2/4/6/8 axis Loader control board Axis control board – 2/4 axis P
  • Page 382. TOTAL CONNECTION DIAGRAMS B–63523EN/03 2 TOTAL CONNECTION DIAGRAMS 22
  • Page 39B–63523EN/03 2. TOTAL CONNECTION DIAGRAMS LCD–mounted type control unit Mother board L 24V–IN(CP1A) 24 VDC power C (CN2) MDI UNIT D Soft key cable MDI(CA55) CK1 R232(JD36A) RS–232C I/O unit R232(JD36B) RS–232C I/O unit { Touch panel Analog output for tool drive A–OUT&HDI(JA40) High–speed skip input
  • Page 402. TOTAL CONNECTION DIAGRAMS B–63523EN/03 LCD–mounted type control unit (only when optional functions are provided) Serial communication board Option slot Remote buffer board DNC1 board DNC2 board R232–3(JD28A) RS–232C I/O unit (when remote buffer board or DNC2 board is used) RS–422 I/O unit (when r
  • Page 41B–63523EN/03 2. TOTAL CONNECTION DIAGRAMS LCD–mounted type control unit (when optional functions are provided) Circuit breaker Loader control board Option slot 200VAC 200VAC MCC Circuit breaker CX1A TB2 CX3 PSM CX4 CX1B TB1 CX2B JX1B TB2 CX2A JX1A FSSB(COP10A) COP10B Loader axis 1 servo SVM TB2 moto
  • Page 422. TOTAL CONNECTION DIAGRAMS B–63523EN/03 Stand–alone type control unit Main board Slot 0 24V–IN(CP1) 24 VDC power The soft key cable is 24V–OUT(CP2) To I/O unit attached to the LC control printed circuit board. LCD UNIT MDUNIT Optical fiber cable LCD(COP20A) COP20B CK2 24VDC CP1A CA55 CK1 CP1B (Tou
  • Page 43B–63523EN/03 2. TOTAL CONNECTION DIAGRAMS Stand–alone type control unit Data server board slot 2 Hard disk unit Ethernet slot 3 Sub–CPU board (cannot be used in 21i) A–OUT(JA40) Analog output for tool drive SPDL&POS(JA41) { Position coder PSM Position coder Spindle motor SPM Servo card To second spi
  • Page 443. INSTALLATION B–63523EN/03 3 INSTALLATION 28
  • Page 45B–63523EN/03 3. INSTALLATION 3.1 The peripheral units and the control unit have been designed on the assumption that they are housed in closed cabinets. In this manual ENVIRONMENTAL “cabinet” refers to the following: REQUIREMENTS D Cabinet manufactured by the machine tool builder for housing the OUT
  • Page 463. INSTALLATION B–63523EN/03 3.2 POWER SUPPLY CAPACITY 3.2.1 The following CNC–related units require an input power supply that Power Supply satisfies the indicated current capacities with a power supply voltage of 24 VDC "10%. Here, note that momentary voltage changes and ripples Capacities of are
  • Page 47B–63523EN/03 3. INSTALLATION Table 3.2.1 (b) Power supply capacity (for stand–alone type control units) Power 160i/ 180i/ 210i/ Re- Unit 16i 18i 21i supply 160is 180is 210is marks capacity Stand–alone 1–slot rack f f f f f f 1.6A (*1, *2, type control unit *3, *4) (including main CPU board) 3–slot r
  • Page 483. INSTALLATION B–63523EN/03 Table 3.2.1 (c) Power supply rating 160i/ 180i/ 210i/ Power supply Unit 16i 18i 21i Remarks 160is 180is 210is capacity MDI unit f f f f f f 0A Operator’s panel I/O f f f f f f 0.3A+7.3mA×DI module Connector panel I/O f f f f f f 0.2A+7.3mA×DI module (basic) Connector pan
  • Page 49B–63523EN/03 3. INSTALLATION 3.3 When a cabinet is designed, it must satisfy the environmental conditions described in Section 3.1. In addition, the magnetic interference on the DESIGN AND screen, noise resistance, and maintenance requirements must be INSTALLATION considered. The cabinet design must
  • Page 503. INSTALLATION B–63523EN/03 D The installation conditions of the I/O unit and connector panel I/O module must be satisfied. To obtain good ventilation in the module, the I/O unit and connector panel I/O module must be installed in the direction shown in the following figure. Clearances of 100 mm or
  • Page 51B–63523EN/03 3. INSTALLATION 3.4 The internal air temperature of the cabinet increases when the units and parts installed in the cabinet generate heat. Since the generated heat is THERMAL DESIGN radiated from the surface of the cabinet, the temperature of the air in the OF THE CABINET cabinet and th
  • Page 523. INSTALLATION B–63523EN/03 3.4.2 Heat Output of Each Unit Table 3.4.2 (a) Heat output (for LCD–mounted type control unit) Heat output Unit 16i 18i 21i Remarks (W) LCD–mounted Without option slots f f f 33W (*1) type control unit With 2 option slots f f f 37W (*1) With 3 option slots f f — 39W (*1)
  • Page 53B–63523EN/03 3. INSTALLATION Table 3.4.2 (b) Heat output (for stand–alone type control units) 160i/ 180i/ 210i/ Heat Re- Unit 16i 18i 21i 160is 180is 210is output marks Stand–alone type 1–slot rack f f f f f f 30W (*1) control unit (including main 3–slot rack f f f f f f 43W (*1) CPU board) Option b
  • Page 543. INSTALLATION B–63523EN/03 Table 3.4.2 (c) Heat output (peripheral units) 160i/ 180i/ 210i/ Heat output Unit 16i 18i 21i Remarks 160is 180is 210is (W) MDI unit f f f f f f 0W Operator’s panel I/O f f f f f f 12W (*1) module Connector panel I/O f f f f f f 8W (*1) module (basic) Connector panel I/O
  • Page 55B–63523EN/03 3. INSTALLATION 3.4.3 With a small cabinet like the operator’s panel, the heat dissipating Thermal Design of capacity of the cabinet is as shown below, assuming that there is sufficient mixing of the air inside the cabinet. Operator’s Panel Coated metal surfaces: 8 W/m2°C Plastic surfac
  • Page 563. INSTALLATION B–63523EN/03 Table 3.4.3 LCD–mounted type control unit with option 2 slots 37 W Option board (serial communication board) 6W Option board (loader control board) 10 W Distributed operator’s panel I/O module 12 W 120–mm square fan motor for air mixing 8W Total heat dissipation of the a
  • Page 57B–63523EN/03 3. INSTALLATION 3.5 The CNC has been steadily reduced in size using surface–mount and custom LSI technologies for electronic components. The CNC also is ACTION AGAINST designed to be protected from external noise. However, it is difficult to NOISE measure the level and frequency of nois
  • Page 583. INSTALLATION B–63523EN/03 NOTE 1 The groups must be 10 cm or more apart from one another when binding the cables in each group. 2 The electromagnetic shield refers to shielding between groups with grounded steel plates. 3 The shield is not required when the cable between the CNC and MDI is shorte
  • Page 59B–63523EN/03 3. INSTALLATION 3.5.2 The CNC machine tool uses the following three types of grounding: Ground D Signal grounding Signal grounding supplies a reference potential (0 V) for electrical signals. D Grounding for protection Grounding for protection is performed for safety reasons as well as
  • Page 603. INSTALLATION B–63523EN/03 LCD–mounted type i series CNC Pendant box Distributed αi amplifier I/O CNC Frame AC power supply 24–V power Operator’s supply panel AC input Pendant box PE (ground plate of cabinet) Cabinet on machine side Stand–alone type i series CNC Pendant box Distributed αi amplifie
  • Page 61B–63523EN/03 3. INSTALLATION 3.5.3 Connecting the Signal Ground (SG) of the Control Unit M4 stud Grounding cable, wire 2 mm2 or more Connect the 0 V line of the electronic circuit in the control unit with the ground plate of the cabinet via the signal ground (SG) terminal. For the locations of the g
  • Page 623. INSTALLATION B–63523EN/03 Stand–alone type control unit Single–slot rack Three–slot rack Signal ground terminal M4 Signal ground terminal (threaded hole) (Faston terminal) M3 (threaded hole) Ground cable 2 mm2 or more Grounding plate of the cabinet PE Connect the 0–V lines of the electronic circu
  • Page 63B–63523EN/03 3. INSTALLATION 3.5.4 The AC/DC solenoid and relay are used in the power magnetics cabinet. Noise Suppressor A high pulse voltage is caused by coil inductance when these devices are turned on or off. This pulse voltage induced through the cable causes the electronic circuits to be distu
  • Page 643. INSTALLATION B–63523EN/03 3.5.5 If a cable connected to the CNC, servo amplifier, spindle amplifier, or Cable Clamp and other device requires shielding, clamp the cable as shown below. The clamp both supports and shields the cable. Use this clamp to ensure stable Shield Processing operation of th
  • Page 65B–63523EN/03 3. INSTALLATION ÇÇ Machine side installation ÇÇ board ÇÇ Control unit ÇÇ ÇÇ ÇÇ ÇÇ ÇÇ ÇÇ ÇÇ ÇÇ Ground plate ÇÇ ÇÇ ÇÇ Metal fittings ÇÇ ÇÇ for clamp Shield cover Fig. 3.5.5 (b) Cable clamp (2) Prepare ground plate like the following figure. Ground terminal (grounded) Hole for securing met
  • Page 663. INSTALLATION B–63523EN/03 Ground 8mm plate 12mm 20mm Fig. 3.5.5 (d) Ground plate holes (Reference) Outer drawings of metal fittings for clamp. Max. 55mm 28mm 6mm 17mm Fig. 3.5.5 (e) Outer drawings of metal fittings for clamp Ordering specification for metal fittings for clamp A02B–0124–K001 (8 pi
  • Page 67B–63523EN/03 3. INSTALLATION 3.5.6 To protect the devices from surge voltages due to lightening, it is Measures Against recommended to install surge–absorbing elements between the lines of the input power and between one line and ground. This does not, Surges due to however, assure protection from a
  • Page 683. INSTALLATION B–63523EN/03 Notes (1) For a better surge absorbing effect, the wiring shown by heavy line must be as short as possible. Wire Size: The wire diameter must be 2 mm2 or greater. Wire length: The sum of the length (a) of the wire for the connection of surge–absorbing element 1 and that
  • Page 69B–63523EN/03 3. INSTALLATION 3.6 CONTROL UNIT 3.6.1 The control unit has a built–in fan motor. Installation of the Air enters the control unit through the bottom and is drawn through the fan motor which is located on the top of the control unit. Control Unit Space (A), shown in Fig. 3.6.1, must be p
  • Page 703. INSTALLATION B–63523EN/03 3.6.2 The control unit is equipped with a fan motor. Installing the Air is fed into the bottom of the unit and output from the fan motor Stand–alone Type mounted on the top of the unit. Control Unit The spaces shown in Fig. 3.6.2 (areas (A) and (B)) are always required t
  • Page 71B–63523EN/03 3. INSTALLATION 3.7 For the cabling diagram, see the control unit configuration and component names in Section 1.1. CABLING DIAGRAM 3.8 The cabinet and pendant box that house a display and a operator’s panel that are to be designed and manufactured by the machine tool builder are DUSTPR
  • Page 724. POWER SUPPLY CONNECTION B–63523EN/03 4 POWER SUPPLY CONNECTION 56
  • Page 73B–63523EN/03 4. POWER SUPPLY CONNECTION 4.1 This section explains the connection of power supply for i Series control unit. GENERAL 57
  • Page 744. POWER SUPPLY CONNECTION B–63523EN/03 4.2 TURNING ON AND OFF THE POWER TO THE CONTROL UNIT 4.2.1 Supply power (24VDC) to the control uint of i series CNC from an Power Supply for the external sources. Control Unit Provide ON/OFF circuit A for turning the AC power on and off or ON/OFF circuit B for
  • Page 75B–63523EN/03 4. POWER SUPPLY CONNECTION ON/OFF circuit (example) For example, “ON/OFF circuit” is as follows : (Fig.4.2.1 (b) ) Select the circuit devices, in consideration of its capacity. +24V +24V ry1 OUTPUT 24 VDC RY1 The power rating is the DC INPUT sum of power requirements 24 V on the load si
  • Page 764. POWER SUPPLY CONNECTION B–63523EN/03 4.2.2 Specifications of recommended external 24 VDC power supply +24V Input Power (regulated power supply): (The power supply must satisfy UL1950.) Specifications Output voltage: +24 V (10% (21.6 V to 26.4 V) (including ripple voltage and noise. See the figure
  • Page 77B–63523EN/03 4. POWER SUPPLY CONNECTION S Notes to take when the When the vertical axis exists, select the DC power supply that has a long voltage vertical axis exists hold time to decrease the amount of vertical axis falling during power–off (including a power failure). If the operating voltage dro
  • Page 784. POWER SUPPLY CONNECTION B–63523EN/03 Example 2 Regulated AC input power CNC unit supply Device with large rush current For a circuit configuration in 2, connect another regulated power supply to be specifically used for the device with remarkable load fluctuations so that the CNC and other units
  • Page 79B–63523EN/03 4. POWER SUPPLY CONNECTION The following circuit configuration is recommended. The power to the CNC and other units (FANUC I/O Unit MODEL A (I/O Unit–A), FANUC Servo Unit (Series with an I/O link (β amplifier with an I/O link), and so on in the sample configuration below) is assumed to
  • Page 804. POWER SUPPLY CONNECTION B–63523EN/03 As for a CNC display unit with PC functions, no specific power turn–on sequence for the CNC control unit is required. D If the power only to the control unit of the CNC is turned on without turning the power to the CNC display unit with PC functions on, the co
  • Page 81B–63523EN/03 4. POWER SUPPLY CONNECTION 4.3 Supply power to the control unit from external resouce. The brackets in the figures are the stand–alone type connector name. CABLE FOR POWER SUPPLY TO i series control unit External power CONTROL UNIT CP1 1 +24V 24VDC stabilized 2 0V power 3 24VDC "10% Cab
  • Page 824. POWER SUPPLY CONNECTION B–63523EN/03 4.4 In a system using the i Series CNC, batteries are used as follows: BATTERIES Use Component connected to battery Memory backup in the CNC control unit CNC control unit BIOS data backup in the CNC display unit with CNC display unit with PC PC functions funct
  • Page 83B–63523EN/03 4. POWER SUPPLY CONNECTION Replacing the lithium (1) Prepare a new lithium battery (ordering drawing number: battery A02B–0200–K102). (2) Turn the i Series on for about 30 seconds. (3) Turn the i Series off. (4) (LCD–mounted type i Series CNC) Remove the old battery from the top of the
  • Page 844. POWER SUPPLY CONNECTION B–63523EN/03 Claw holding the battery Battery connector Lithium battery (Stand–alone type i Series CNC) WARNING Incorrect battery replacement may cause an explosion. Do not use a battery other than that specified (specification: A02B–0200–K102). 68
  • Page 85B–63523EN/03 4. POWER SUPPLY CONNECTION Replacing the alkaline (1) Prepare two new alkaline dry cells (size D). dry cells (size D) (2) Leave the power to the i Series CNC turned on for 30 seconds or so. (3) Turn the i Series 16i/18i/160i/180i off. (4) Remove the battery case cover. (5) Replace the b
  • Page 864. POWER SUPPLY CONNECTION B–63523EN/03 Use of alkaline dry cells (size D) Connection Power from the external batteries is supplied through the connector to which the lithium battery is connected. The lithium battery, provided as standard, can be replaced with external batteries in the battery case
  • Page 87B–63523EN/03 4. POWER SUPPLY CONNECTION 4.4.2 If the voltage of a battery drops, the screen on the LCD flashes. (If a fan Batteries for CNC alarm is issued, the screen on the LCD also flashes.) If this status occurs, replace the battery as soon as possible (within 1 week). FANUC Display Unit with PC
  • Page 884. POWER SUPPLY CONNECTION B–63523EN/03 Battery holder Lithium battery A02B–0200–K102 Connector (BAT1) Fig.4.4.2 Battery replacement 4.4.3 One battery unit can maintain current position data for six absolute pulse coders for a year. Battery for Separate When the voltage of the battery becomes low, A
  • Page 89B–63523EN/03 4. POWER SUPPLY CONNECTION Replacing batteries Obtain four commercially available alkaline batteries (size D). (1) Turn on the power to the machine (i Series CNC). (2) Loosen the screws of the battery case, and remove the cover. (3) Replace the dry batteries in the case. Note the polari
  • Page 905. CONNECTION TO CNC PERIPHERALS B–63523EN/03 5 CONNECTION TO CNC PERIPHERALS 74
  • Page 91B–63523EN/03 5. CONNECTION TO CNC PERIPHERALS 5.1 CONNECTION OF MDI UNIT (LCD–MOUNTED TYPE) 5.1.1 “MDI unit” is the generic name used to refer to a manual data input device. It has a keyboard and is used to input CNC data such as programs and General parameters into the CNC. A standard MDI unit is a
  • Page 925. CONNECTION TO CNC PERIPHERALS B–63523EN/03 5.1.2 Connection to the MDI Unit (LCD–mounted Type) CN2 MDI CA55 Soft key flexible cable Included in the main unit CK1 MDI cable MDI unit 76
  • Page 93B–63523EN/03 5. CONNECTION TO CNC PERIPHERALS 5.1.3 Connection with the Standard MDI Unit CNC MDI unit CA55 CK1 JAE LY20–20P–DTI–P PCR–E20MDK–SL–A P A B 1 *KEY00 11 *KEY01 1 *KEY00 *KEY02 2 *KEY02 12 *KEY03 2 *KEY01 *KEY03 3 *KEY04 13 *KEY05 3 *KEY04 *KEY06 4 *KEY06 14 *KEY07 4 *KEY05 *KEY07 Japan A
  • Page 945. CONNECTION TO CNC PERIPHERALS B–63523EN/03 5.1.4 Key Layout of Separate–type MDI Compact keys for lathe series (T series) English display Symbol display 78
  • Page 95B–63523EN/03 5. CONNECTION TO CNC PERIPHERALS Compact keys for machine center series (M series) English display Symbol display 79
  • Page 965. CONNECTION TO CNC PERIPHERALS B–63523EN/03 Standard keys for lathe series (T series) English display Symbol display 80
  • Page 97B–63523EN/03 5. CONNECTION TO CNC PERIPHERALS Compact keys for machining center series (M series) English display Symbol display 81
  • Page 985. CONNECTION TO CNC PERIPHERALS B–63523EN/03 5.1.5 The 61–key MDI unit can be used, in addition to the conventional MDI 61–Key MDI Unit units (small MDI unit and standard MDI unit). On this 61–key MDI unit, the alphabetic keys are each assigned to a single letter, and are arranged in alphabetical o
  • Page 99B–63523EN/03 5. CONNECTION TO CNC PERIPHERALS 5.2 CONNECTION WITH THE DISPLAY/MDI UNITS (FOR THE STAND–ALONE TYPE i SERIES CNC) 5.2.1 With the stand–alone type i Series CNC (except CNC with the PC functions), the following display/MDI units can be connected: Overview Connection with a 10.4″ LCD unit
  • Page 1005. CONNECTION TO CNC PERIPHERALS B–63523EN/03 Connection with an CNC display unit with PC functions CNC display FA full Control unit with PC keyboard unit functions MDI Unit 24VDC 5.2.2 Connection with the 10.4″/9.5″ LCD Unit Control unit LCD Unit Optical fiber cable COP20A COP20B External power sup
  • Page 101B–63523EN/03 5. CONNECTION TO CNC PERIPHERALS D Connection between the An optical fiber cable is used to make the connection between the CNC CNC control unit and control unit and 10.4″ unit or 9.5″ LCD unit. For details of the optical LCD unit fiber cable, see Appendix D. D Connection of a power Fee
  • Page 1025. CONNECTION TO CNC PERIPHERALS B–63523EN/03 D Connection between the For the connection between the connector (CA55) of the LCD unit and LCD unit and MDI unit that (CK1) of the MDI unit, see Section 5.1.3. With the LCD–mounted type i Series CNC, the connector (CA55) is located on the CNC control u
  • Page 103B–63523EN/03 5. CONNECTION TO CNC PERIPHERALS 5.2.3 Connection with the 7.2″ LCD Unit Via the Display Link Control unit MDI unit JD45 JD13 External power supply CPD1 24 VDC ±10% CPD2 JA1 CK2 Flat cable for the soft keys. Included in the LCD unit. Cable length: About 50 cm LCD unit LCD video cable JA
  • Page 1045. CONNECTION TO CNC PERIPHERALS B–63523EN/03 D Connection between the CNC control unit and MDI unit i Series CNC MDI unit JD45 JD13 (PCR–EV20MDT) (PCR–EV20MDT) 1 RXD 11 0V 1 TXD 11 0V 2 *RXD 12 0V 2 *TXD 12 0V 3 TXD 13 RXTM1 3 RXD 13 4 *TXD 14 RXTM2 4 *RXD 14 5 15 TXTM1 5 15 6 16 TXTM2 6 16 7 17 7
  • Page 105B–63523EN/03 5. CONNECTION TO CNC PERIPHERALS D Connection of a power Feed power to the MDI unit from an external 24 VDC power supply. supply to the MDI unit MDI unit CPD1 (AMP) External power supply 1 +24V 2 0V 3 +24 VDC power supply (regulated power supply) +24 VDC ±10% FG AMP Japan 1–178288–3(hou
  • Page 1065. CONNECTION TO CNC PERIPHERALS B–63523EN/03 D LCD video connection With an LCD/MDI integration unit, the video connection to the LCD unit is made inside the unit, so that the machine tool builder need not make any connections. MDI Unit LCD Unit JA1 JA1 (PCR–EV20MDT) (PCR–EV20MDT) 1 VDR 11 1 VDR 11
  • Page 107B–63523EN/03 5. CONNECTION TO CNC PERIPHERALS 5.2.4 Example where one FS18i and two Power Mate i’s are connected Connecting to the 7.2″ LCD Unit by the Display Link (Multiple Connection) LCD/MDI UNIT A02B–0166–C261#xx J45 JD13 24V JN1 J47 JD41B FS18i–TA JD45 JD41 #1 #0 J45 #0 #2 24V JD41A Machine co
  • Page 1085. CONNECTION TO CNC PERIPHERALS B–63523EN/03 Power Mate, i series CNC Display link adapter JD41 [JD45] JD41 (PCR–EV20MDT) (PCR–EV20MDT) 1 RXD 11 0V 1 RXD 11 0V 2 *RXD 12 0V 2 *RXD 12 0V J45 3 TXD 13 (RXTM1) 3 TXD 13 (RXTM1) 4 *TXD 14 (RXTM2) 4 *TXD 14 (RXTM2) 5 (RXALM) 15 (TXTM1) 5 (RXALM) 15 (TXTM
  • Page 109B–63523EN/03 5. CONNECTION TO CNC PERIPHERALS Unit selection with interface Separate type MDI unit CRT/MDI unit JN1 (PCR-EV20MDT) Machine control panel 1 *SEL0 11 *SEL4 2 0V 12 0V J47 3 *SEL1 13 *SEL5 Unit No. selector switch 4 0V 14 0V 5 *SEL2 15 *SEL6 6 0V 16 0V 7 *SEL3 17 *SEL7 8 0V 18 0V 9 19 10
  • Page 1105. CONNECTION TO CNC PERIPHERALS B–63523EN/03 Relationship between selector switch Unit No. *SEL7 *SEL4 *SEL3 *SEL2 *SEL1 *SEL0 #0 #1 f #2 f #3 f #4 f #5 f f #6 f f #7 f f #8 f #9 f f #10 f f #11 f f #12 f f #13 f f f #14 f f f : Switch open #15 f f f f : Switch closed Common f – – – – – – : Either
  • Page 111B–63523EN/03 5. CONNECTION TO CNC PERIPHERALS 60 JD41B JD41 JD41A 45 85 In mm Fig. 5.2.4 (a) Display link adaptor 1) Mounting to the DIN rail 35 25 In mm Fig. 5.2.4 (b) Recommended DIN rail 2) Mounting with screws 11.6 2–M4 70 In mm Fig. 5.2.4 (c) Sheet metal hole drilling diagram 95
  • Page 1125. CONNECTION TO CNC PERIPHERALS B–63523EN/03 5.2.5 The detachable 7.2″ LCD/MDI unit is a 7.2″ LCD/MDI unit housed in a Connection of the portable dustproof case. The unit can be connected/disconnected while the power is turned on. Detachable 7.2″ LCD/MDI Unit Via the Display Link Detachable LCD/MDI
  • Page 113B–63523EN/03 5. CONNECTION TO CNC PERIPHERALS (a) The total length of the cables (J127, J128, and J143) between the detachable LCD/MDI unit and control unit must not exceed 50 m. (b) The cables J127, J128, and J132 also serve as the 24 VDC power line for the detachable LCD/MDI unit. On the 24 VDC li
  • Page 1145. CONNECTION TO CNC PERIPHERALS B–63523EN/03 2) Details of the cable J127 Detachable LCD/MDI unit CA50 Connection panel 04 03 02 01 J127 *TXD TXD *RXD RXD 10 09 08 07 06 05 Hirose Electric Co., Ltd. +24V +24V FG (1) Soldering type HR22–12TPD–20S 16 15 14 13 12 11 (2) Crimp type · Housing ATCH2 ATCH
  • Page 115B–63523EN/03 5. CONNECTION TO CNC PERIPHERALS 3) Details of the cable J126 Connector panel i Series CNC JD45 (PCR–EV20MDT) 01 RXD 11 0V 02 *RXD 12 0V J143 03 TXD 13 RXTM1 04 *TXD 14 RXTM2 Honda Tsushin Kogyo 05 15 TXTM1 Co., Ltd. PCR–E20F 06 16 TXTM2 FANUC specification 07 17 · Soldering type (with
  • Page 1165. CONNECTION TO CNC PERIPHERALS B–63523EN/03 4) Details of the cable J128 Connection panel Connector panel RXTP RXTP Pair *RXTP *RXTP TXTP TXTP Pair *TXTP *TXTP +24V +24V +24V +24V 0V 0V 0V 0V (*2) FG (*3) Shield Wire: wire ³ A66L–0001–0284#10P (#28AWG × 10 pairs): Oki Electric Cable Co., Ltd., Hit
  • Page 117B–63523EN/03 5. CONNECTION TO CNC PERIPHERALS 5) Details of the J132 cable Connector panel External power supply J132 DC24V Cable connection (J132) External power supply Connector panel DC24V +24V 0V 0V 101
  • Page 1185. CONNECTION TO CNC PERIPHERALS B–63523EN/03 5.2.6 This section describes the connection of an MDI unit with an CNC display Connection with an unit with PC functions. For other CNC display unit with PC functions connections, see Chapter 8. CNC Display Unit with PC Functions Connection with an CNC d
  • Page 119B–63523EN/03 5. CONNECTION TO CNC PERIPHERALS D Connection with an MDI unit CNC control unit MDI unit JD45 CK1 01 :KEY00 11 :KEY01 01 :KEY00 11 :KEY01 02 :KEY02 12 :KEY03 02 :KEY02 12 :KEY03 03 :KEY04 13 :KEY05 03 :KEY04 13 :KEY05 04 :KEY06 14 :KEY07 04 :KEY06 14 :KEY07 05 :COM00 15 :COM01 u u t t 0
  • Page 1205. CONNECTION TO CNC PERIPHERALS B–63523EN/03 5.3 CONNECTION WITH INPUT/OUTPUT DEVICES 5.3.1 An input/output device is used to enter information such as CNC Overview programs and parameters from an external device to the CNC, or to output information from the CNC to an external device. The input/out
  • Page 121B–63523EN/03 5. CONNECTION TO CNC PERIPHERALS Port name Interface location Second channel on the CNC On the CNC display unit with PC display unit with PC functions functions side (JD46) Serial port dedicated to a touch On the 10.4″ LCD unit or 9.5″ LCD (*3) panel unit for a CNC with a touch panel NO
  • Page 1225. CONNECTION TO CNC PERIPHERALS B–63523EN/03 5.3.2 Connecting I/O Devices R232–1 R232–2 JD36A JD36B Punch panel Handy File (LCD–mounted type) NOTE This interface is the RS–232C interface on the CNC side. When using the CNC display unit with PC functions, usually use the RS–232C interface on the per
  • Page 123B–63523EN/03 5. CONNECTION TO CNC PERIPHERALS 5.3.3 RS–232–C Serial Port CNC JD36A, JD36B RELAY CONNECTOR PCR–E20MDK–SL–A (DBM–25S) (JD5A, JD5B 1 FG PCR–EV20MDT) 14 2 SD 1 RD 11 SD 15 3 RD 16 2 0V 12 0V u u t 4 RS 17 3 DR 13 ER 5 CS 4 0V 14 0V 18 6 DR 5 CS 15 RS 19 7 SG 6 0V 16 0V 20 ER 8 CD 7 CD 17
  • Page 1245. CONNECTION TO CNC PERIPHERALS B–63523EN/03 CABLE CONNECTION 1 3 RD RD 2 0V 3 6 DR DR 0V 4 5 5 CS CS 6 0V 7 8 CD CD 8 0V 9 10 +24V 11 2 SD SD 12 0V 13 20 ER ER 14 0V 15 4 RS RS 16 7 SG 0V 17 18 19 25 +24V +24V 20 1 FG SHIELD GND GROUNDING PLATE RECOMMENDED CABLE SPECIFICATION A66L–0001–0284#10P (#
  • Page 125B–63523EN/03 5. CONNECTION TO CNC PERIPHERALS 5.3.4 RS–232–C Interface Specification RS–232–C Interface Generally signals as follows are used in RS–232–C interface. signals CNC Output SD (Send data) Input RD (Recieve data) RS (Request to Send) When CS is not used short CS and RS. CS (Enable to send)
  • Page 1265. CONNECTION TO CNC PERIPHERALS B–63523EN/03 Signal description of Signal RS–232C I/O Description RS–232–C interface name circuit number SD 103 Output Sending Start bit Stop bit data RD 104 Input Receiving ON 1 2 3 4 5 6 7 8 OFF (When ISO code “0” is sent) data RS 105 Input Sending This signal is s
  • Page 127B–63523EN/03 5. CONNECTION TO CNC PERIPHERALS Transmission Method of RS–232–C interface Start–stop Generally, two transmission methods are available at the serial interface. i Series CNC use the start–stop method. With this method, start and stop signals are output before and after each data bit. On
  • Page 1285. CONNECTION TO CNC PERIPHERALS B–63523EN/03 Table 5.3.4 ISO code EIA code Meaning Character 8 7 6 5 4 3 2 1 Character 8 7 6 5 4 3 2 1 0 f f F 0 f F Numeral 0 1 f f f F f 1 F f Numeral 1 2 f f f F f 2 F f Numeral 2 3 f f F f f 3 f F f f Numeral 3 4 f f f F f 4 F f Numeral 4 5 f f F f f 5 f F f f Nu
  • Page 129B–63523EN/03 5. CONNECTION TO CNC PERIPHERALS NOTE 1 When the external device is equipped with an ISO/EIA converter, the following items must be noted in Table 5.3.4 (a). Control out (Comment field start) Control in (Comment field end) EIA code (.......................) CR o .................... Con
  • Page 1305. CONNECTION TO CNC PERIPHERALS B–63523EN/03 Time chart when the NC (1) NC outputs DC1. receives data (2) The external device starts sending data upon receiving DC1. (Read into memory) (3) NC sends DC3 when NC processing is delayed. (4) The external device stops sending data to NC after receiving D
  • Page 131B–63523EN/03 5. CONNECTION TO CNC PERIPHERALS Time chart when the NC (1) NC output DC2. send data (Punch out) (2) NC outputs punch data in succession. (3) When data processing is delayed at the external device. (a) Data output stops within two characters including a currently transmitting character
  • Page 1325. CONNECTION TO CNC PERIPHERALS B–63523EN/03 Connection between RS–232–C interface and external device CNC External device SD SD side RD RD RS RS CS CS ER ER DR DR CD CD SG SG FG FG 116
  • Page 133B–63523EN/03 5. CONNECTION TO CNC PERIPHERALS D The cable for connecting the PG–Mate to the NC should be connected as shown in the below diagram. CNC External device SD SD side RD RD RS RS CS CS ER ER DR DR CD CD SG SG FG FG Prepare the cable with I/O device as follows : Serial interface SD RD RS CS
  • Page 1345. CONNECTION TO CNC PERIPHERALS B–63523EN/03 5.3.5 FANUC Handy File Connection Cable side connector Connector: DBM–25P (Japan Aviation Electronic Inc., Ltd.) CNC Cover: DB–C2–J9 (Japan Aviation Electronic Inc., Ltd.) JD36A, JD36B (PCR–E20MDK–SL–A) (JD5A, JD5B, PCR–EV20MDT) Relaying 1 RD 11 SD cable
  • Page 135B–63523EN/03 5. CONNECTION TO CNC PERIPHERALS 5.4 CONNECTING THE HIGH–SPEED SKIP (HDI) 5.4.1 General High–speed skip (HDI) JA40 This figure shows an example of connecting a LCD–mounted type i Series CNC. Switch 119
  • Page 1365. CONNECTION TO CNC PERIPHERALS B–63523EN/03 5.4.2 Connection to the CNC High–speed Skip (HDI) JA40 PCR–E20MDK–SL–A (PCR–EV20MDT) 1 HDI0 11 2 0V 12 3 13 4 14 5 (ES) 15 6 16 7 (SVC) 17 8 (ENB1) 18 9 (ENB2) 19 10 20 Signals inside ( ) are used with the analog spindle. NOTE 1 The upper connector speci
  • Page 137B–63523EN/03 5. CONNECTION TO CNC PERIPHERALS Cable connections JA40 1 HDI0 2 0V 11 HDI1 12 0V 3 HDI2 4 0V 13 HDI3 14 0V 6 HDI4 5 or 10 0V 15 HDI5 16 0V 17 HDI6 18 0V 19 HDI7 20 0V 7 8 9 10 Shield Ground plate The 0V signal of pin 5 functions as a common signal when analog output is used. So, as the
  • Page 1385. CONNECTION TO CNC PERIPHERALS B–63523EN/03 5.4.3 Input Signal Rules for the High–speed Skip (HDI) Circuit configuration CNC liL/liH FILTER RECEIVER DRIVER VH/VL SHIELD Absolute maximum rating Input voltage range Vin: –3.6 to +13.6 V Input characteristics Unit Symbol Specification Unit Remark High
  • Page 139B–63523EN/03 5. CONNECTION TO CNC PERIPHERALS 5.5 LINKING THE CAUTION EMBEDDED Before attaching or removing cables, power off the CNC ETHERNET main unit, and confirm that the power is off. INTERFACE Ask the respective manufacturers for explanations about how to build a network and about conditions f
  • Page 1405. CONNECTION TO CNC PERIPHERALS B–63523EN/03 Leading in Ethernet An Ethernet cable should be fixed with a clamp or the like so that pulling cables it will not cause tension to be applied to the connector (RJ–45) at the end of the cable. The clamp not only fixes the cable but also grounds the shield
  • Page 141B–63523EN/03 5. CONNECTION TO CNC PERIPHERALS 5.5.2 Specification of Twisted–Pair Cable Cable connection The connectors of a cable for connecting between the 10BASE–T/ 100BASE–TX interface (CD38A) and the hub have the pin arrangement shown below. CD38A HUB 1 TX+ 1 TX+ 2 TX– RJ–45 modular jack 2 TX–
  • Page 1425. CONNECTION TO CNC PERIPHERALS B–63523EN/03 Cable Wires Many cables without a shield (UTP cables) are commercially available as twisted pair cables conforming to 10BASE–T or 100BASE–TX. To improve noise immunity in factory automation environments, however, be sure to use twisted pair cables (STP c
  • Page 143B–63523EN/03 5. CONNECTION TO CNC PERIPHERALS About cable assemblies Oki Electric Cable Co., Ltd. can offer a cable assembly that uses the TM21CP–88P(03) connector made by Hirose Electric Co., Ltd. To get this cable assembly, negotiate directly with the manufacturer on its specifications (cable leng
  • Page 1445. CONNECTION TO CNC PERIPHERALS B–63523EN/03 [Large–scale network] (*1) Power supply for the HUB HUB PC and backbone cable side Electrical separation by STP cable STP cable connection with 10BASE–T/100BASE–TX Machine system side Machine Machine Machine (*1) (*1) (*1) [Small–scale network] PC Power
  • Page 145B–63523EN/03 6. SPINDLE CONNECTION 6 SPINDLE CONNECTION 129
  • Page 1466. SPINDLE CONNECTION B–63523EN/03 The figure below shows the spindle–related connections. Note that the number of connectable spindles depends on the model, the number of paths, and the configuration. So, see the tables that follow the figure below. First serial spindle Position coder JA7B SPM JA41
  • Page 147B–63523EN/03 6. SPINDLE CONNECTION For one–path control with Series 16i First serial Second serial Third serial Fourth serial Position coder Analog output spindle on main spindle on main spindle on main spindle on main (for analog on main board board board board board spindle) f f f f f f f f f For
  • Page 1486. SPINDLE CONNECTION B–63523EN/03 For three–path control using two CPUs with Series 16i (The interface on the main board is used by path 1.) First serial Second serial Third serial Fourth serial Position coder Analog output spindle on main spindle on main spindle on main spindle on main (for analog
  • Page 149B–63523EN/03 6. SPINDLE CONNECTION (Path 2) First serial Second serial Third serial Fourth serial Analog output Position coder spindle on spindle on spindle on spindle on on sub–CPU (for analog sub–CPU board sub–CPU board sub–CPU board sub–CPU board board spindle) f f f f f f f f For two–path contro
  • Page 1506. SPINDLE CONNECTION B–63523EN/03 6.1 SERIAL SPINDLE 6.1.1 Connection of One to Two Serial Spindles CNC Spindle amplifier module JA41 (main board, sub–CPU board) PCR–E20MDK–SL–A JA7B (PCR–EV20MDT) (PCR–E20MDT) 1 SIN 11 1 SIN 11 0V 2 *SIN 12 0V 2 *SIN 12 0V 3 SOUT 13 3 SOUT 13 0V 4 *SOUT 14 0V 4 *SO
  • Page 151B–63523EN/03 6. SPINDLE CONNECTION Cable connection Connector JA41 Connector JA7B 3 1 SOUT SIN *SOUT 4 2 *SIN CNC SIN 1 3 SOUT Spindle amplifier *SIN 2 4 *SOUT module 12,14,16 12,14,16 Ground plate Ground plate Recommended cable connector: PCR–E20FA (manufactured by Honda Tsushin Kogyo) FI30–20S (ma
  • Page 1526. SPINDLE CONNECTION B–63523EN/03 6.1.2 With the Series 16i and 18i, three or four serial spindles can be connected Connecting One to using the serial spindle connector panel described below. Serial spindle connector panel specification: A13B–0180–B001 Four Serial Spindles Outside dimensions of the
  • Page 153B–63523EN/03 6. SPINDLE CONNECTION Connection diagram (Connection diagram when only electrical cables are used) Serial spindle connector panel SPM SPM CNC JA7B JA7B JA7A–1 JA7A JA7A JA41 JA48 JA7B JA7B JA7A–2 JA7A JA7A SPM SPM Interconnection cable 1 Interconnection cable 2 Interconnection cable 2 (
  • Page 1546. SPINDLE CONNECTION B–63523EN/03 (Cable connections when only electrical cables are used) Cable connection between the CNC and serial spindle connector panel (Interconnection cable 1) CNC (motherboard, sub–CPU board) Serial spindle connector panel JA41 PCR–E20MDK–SL–A JA48 (PCR–EV20MDT) (PCR–E20MD
  • Page 155B–63523EN/03 6. SPINDLE CONNECTION Cable connection JA41 JA48 1 3 SINA SOUTA 2 4 *SINA *SOUTA 3 1 SOUTA SINA 4 2 *SOUTA *SINA 15 15 SINB SOUTB 17 17 *SINB *SOUTB 19 19 SOUTB SINB 10 10 *SOUTB *SINB 12 12 0V 0V 14 14 0V 0V 16 16 0V 0V Shield Ground plate Recommended cable connector: PCR–E20FA (manufa
  • Page 1566. SPINDLE CONNECTION B–63523EN/03 Cable connection between the serial spindle connector panel and a spindle amplifier (Interconnection cable 2) Serial spindle connector panel α spindle amplifier module JA7A–1, 2 JA7B (PCR–E20MD) (PCR–EV20MDT) 1 SIN 11 1 SIN 11 2 :SIN 12 0V 2 :SIN 12 0V 3 SOUT 13 3
  • Page 157B–63523EN/03 6. SPINDLE CONNECTION (Cable connections when optical cables are used) Cable connection between the CNC and serial spindle connector panel (Interconnection cable 3) CNC (motherboard, sub–CPU board) Serial spindle connector panel JA41 PCR–E20MDK–SL–A JA48 (PCR–EV20MDT) (PCR–E20MDT) 1 SIN
  • Page 1586. SPINDLE CONNECTION B–63523EN/03 Cable connection JA41 JA48 1 3 SINA SOUTA 2 4 *SINA *SOUTA 3 1 SOUTA SINA 4 2 *SOUTA *SINA 15 15 SINB SOUTB 17 17 *SINB *SOUTB 19 19 SOUTB SINB 10 10 *SOUTB *SINB 9 9 +5V +5V 18 18 +5V +5V 20 20 +5V +5V 12 12 0V 0V 14 14 0V 0V 16 16 0V 0V Shield Ground plate Recomm
  • Page 159B–63523EN/03 6. SPINDLE CONNECTION (Cable connection between the serial spindle connector panel and an optical I/O link adapter) (Interconnection cable 4) Serial spindle connector panel Optical I/O link adapter JA7A–1, 2 JD1 (PCR–E20MD) (PCR–E20LMDT) 1 SIN 11 1 SIN 11 2 :SIN 12 0V 2 :SIN 12 0V 3 SOU
  • Page 1606. SPINDLE CONNECTION B–63523EN/03 6.2 ANALOG SPINDLE CNC INTERFACE JA40(Main board, Signal Name Description Sub CPU board) SVC, ES Spindle command voltage PCR–E20MDK–SL–A and common line (PCR–EV20MDT) ENB1, ENB2 Spindle enable signal (Note 1) 1 HDI0 11 2 (0V) 12 3 13 4 14 5 ES 15 6 16 7 SVC 17 8 EN
  • Page 161B–63523EN/03 6. SPINDLE CONNECTION 6.3 POSITION CODER CNC INTERFACE JA41(Main board, Signal Name Description Sub CPU board) :SC Position coder phase C signals (PCR–E20MDK–SL–A) PA, :PA Position coder phase A signals 1 ( ) 11 PB, :PB Position coder phase A signals 2 ( ) 12 0V 3 ( ) 13 SOUT, :SOUT Ser
  • Page 1627. SERVO INTERFACE B–63523EN/03 7 SERVO INTERFACE 146
  • Page 163B–63523EN/03 7. SERVO INTERFACE 7.1 CONNECTION TO THE SERVO AMPLIFIERS Control unit COP10A-1 COP10A-2 This figure is an example of connecting Connection of FSSB to an i Series CNC with a LCD–mounted type panel. 147
  • Page 1647. SERVO INTERFACE B–63523EN/03 7.1.1 This chapter describes how to connect the servo units to the i series CNC. General For details of the connection of the Servo amplifier αi series, refer to the Servo Amplifier αi series descriptions (B–65282EN). 7.1.2 Interface to the Servo Amplifiers 7.1.2.1 In
  • Page 165B–63523EN/03 7. SERVO INTERFACE Control unit Servo amplifier module COP10A–1 COP10B COP10A COP10A–2 COP10B COP10A Up to 8 axes for the 16i/160i/160is COP10B Up to 6 axes for the 18i/180i/180is Up to 4 axes for the 21i/210i/210is COP10A COP10B COP10A Cable length limit Within 100m between units Separ
  • Page 1667. SERVO INTERFACE B–63523EN/03 7.1.3 Separate Detector Interface Servo amplifier module Separate detector in- terface unit CP11A Control unit or the previous–stage servo amplifier module Linear scale This figure is an example of connecting the I/O Link to an i Series CNC with a LCD–mounted type pan
  • Page 167B–63523EN/03 7. SERVO INTERFACE CNC Servo amplifier module Servo card  Optical fiber cable   Â COP10A COP10B  COP10A    COP10B COP10A  | | |  COP10B  Optical fiber cable COP10A Up to 8 axes with 16i/160i/160is Up to 6 axes with 18i/180i/180is Up to 4 axes with 21i/210i/210is Separ
  • Page 1687. SERVO INTERFACE B–63523EN/03 7.1.4 Usually, the separate detector corresponding to a servo motor for each of Separate Detector the first to eighth axes is connected to each of separate detector interfaces JF101 to JF108. If necessary, the controlled axis numbers corresponding Interface Unit to JF
  • Page 169B–63523EN/03 7. SERVO INTERFACE 7.1.6 Linear Scale Interface Separate detector interface unit Linear scale JF101 to JF108 (PCR–EV20MDT) 1 PCA 11 2 *PCA 12 0V 3 PCB 13 4 *PCB 14 0V 5 PCZ 15 6 *PCZ 16 0V 7 (+6V) 17 +6V and REQ are for separate absolute pulse coders. 8 (REQ) 18 +5V 9 +5V 19 10 20 +5V C
  • Page 1707. SERVO INTERFACE B–63523EN/03 7.1.7 Stand–alone Type Separate detector interface unit Pulse Coder Interface JF101 to JF108 Stand–alone type detector (PCR–EV20MDT) D For absolute detector 1 PCA 11 Pulse coder (MS3102A–22–14P) 2 *PCA 12 0V 3 PCB 13 A PCA B *PCA C PCB D *PCB 4 *PCB 14 0V E PCZ F *PCZ
  • Page 171B–63523EN/03 7. SERVO INTERFACE (Parallel interface) D For incremental detector Separate detector interface unit Stand–alone type detector JF101 to JF108 Pulse coder (PCR–EV20MDT) (MS3102A–20–29P) 1 PCA 11 2 *PCA 12 0V 3 PCB 13 A PCA B PCB C +5V D *PCA 4 *PCB 14 0V E *PCB F PCZ G *PCZ H SHLD 5 PCZ 1
  • Page 1727. SERVO INTERFACE B–63523EN/03 (Serial interface) Separate detector interface unit Separate detector JF101AJF108 Pulse coder (PCR–EV20MDT) 1 SD 11 A SD B C D :SD 2 :SD 12 0V E F REQ G REQ H SHLD 3 13 J +5V K +5V L M 4 14 0V N 0V P R +6VA S 0VA 5 REQ 15 T 0V 6 :REQ 16 0V 7 +6V 17 8 18 +5V MS3106B20–
  • Page 173B–63523EN/03 7. SERVO INTERFACE 7.1.8 The standard of the feedback signal from the additional detector is as Input Signal shown below. Requirements (1) A and B phase signal input This is a method to input position information by the mutual 90 degree phase slip of A and B phase signals. Detection of
  • Page 1747. SERVO INTERFACE B–63523EN/03 Time requirements Requirements for the signals at the input pins of input connectors JF101 to JF104. TD y 0.15 µsec The signals for these connectors are differential input signals with A and B phases. An important factor is time TD from point A, when the potential dif
  • Page 175B–63523EN/03 7. SERVO INTERFACE 7.1.9 Separate detector interface unit Connection of Battery for Separate Absolute Detector Absolute pulse coder battery case 159
  • Page 1767. SERVO INTERFACE B–63523EN/03 Separate detector interface unit Battery case JA4A (PCR–EV20MDT) 01 11 (M3 terminal) 02 12 + – 03 0V 13 +6V 0V 04 14 05 15 06 16 07 +6V 17 08 18 09 19 10 20 CABLE CONNECTION JA4A Battery case +6V 7 + +6V 0V 3 – 0V RECOMMENDED CABLE MATERIAL: y0.2 mm2 (7/0.18) Recommen
  • Page 177B–63523EN/03 7. SERVO INTERFACE 7.1.10 A flat cable is used to make a connection between the basic unit and Connection Between expansion unit as shown below. the Basic Unit and A flat cable not longer than 100 mm must be used. Expansion Unit Units viewed from top Basic unit Expansion unit Mounting s
  • Page 1787. SERVO INTERFACE B–63523EN/03 7.1.11 Connector locations on the basic unit Connector Locations Connector locations on the expansion unit For the outside dimensions, see Appendix A. 162
  • Page 179B–63523EN/03 7. SERVO INTERFACE 7.1.12 1) Notes on installation Installation (1) Use an interface unit in a completely enclosed cabinet. (2) Install an interface unit on a vertical surface, and provide a space of 100 mm above and below the unit. Below an interface unit, do not place equipment that g
  • Page 1807. SERVO INTERFACE B–63523EN/03 7.1.13 Notes on Installing a Separate Detector CAUTION To install/remove the unit, a screwdriver must be inserted Interface Unit obliquely. So, sufficient access clearances are required on both sides of the unit. As a guideline, if the front of an adjacent unit appear
  • Page 181B–63523EN/03 7. SERVO INTERFACE Installing the unit on the DIN rail Installing the unit on the DIN rail DIN rail Removing the unit from the DIN rail DIN rail Installing the unit: 1. Hook the unit on the top of the DIN rail. 2. Push the unit in until it clicks. Removing the unit: 1. Push down the loc
  • Page 1827. SERVO INTERFACE B–63523EN/03 7.1.14 The servo check connectors used with the i Series (MODEL B) are not Connecting the Servo compatible with the i Series (MODEL A). So, to connect the servo check board (board unit: A16B–1600–0320) or interface board for automatic Check Adapter adjustment (board u
  • Page 183B–63523EN/03 7. SERVO INTERFACE Axis signal output Connector Controlled axis Connector Controlled axis number(*1) number(*1) TEST0 1/2 TESTA 1/2/3/4 TEST1 3/4 TESTB 5/6/7/8 TEST2 5/6 TEST3 7/8 (*1) The correspondence between the controlled axis numbers and servo axis numbers depends on the setting o
  • Page 1848. CNC DISPLAY UNIT WITH PC FUNCTIONS B–63523EN/03 8 CNC DISPLAY UNIT WITH PC FUNCTIONS 168
  • Page 185B–63523EN/03 8. CNC DISPLAY UNIT WITH PC FUNCTIONS 8.1 The CNC display unit with PC functions is on an IBM PC compatible panel computer. Connecting the CNC display unit with PC functions to OVERVIEW an i Series CNC system via a high–speed optical fiber (high–speed serial bus) provides the system wit
  • Page 1868. CNC DISPLAY UNIT WITH PC FUNCTIONS B–63523EN/03 8.3 CONNECTION Connection with the CNC display unit with PC functions ÂÂÂÂ ÂÂÂÂ ÂÂÂÂÂ ÂÂÂÂÂ ÂÂÂÂÂÂ ÂÂÂÂÂÂ FA ÂÂÂÂ ÂÂÂÂÂ ÂÂÂÂÂÂ Control CNC display typewriter– unit unit with PC style ÂÂÂÂ ÂÂÂÂÂ ÂÂÂÂÂÂ functions keyboard ÂÂÂÂ ÂÂÂÂ ÂÂÂÂÂÂ ÂÂÂÂÂÂ ÂÂÂÂ
  • Page 187B–63523EN/03 8. CNC DISPLAY UNIT WITH PC FUNCTIONS 8.4 GENERAL CONNECTION DIAGRAMS 8.4.1 CNC Display Unit with PC Functions Having Neither Soft Keys nor a Touch Panel 171
  • Page 1888. CNC DISPLAY UNIT WITH PC FUNCTIONS B–63523EN/03 : Optical link Module & Cable : AMP(Dynamic) : AMP(mini–DIN6pins) CNC Control Unit : HONDA TSUSHIN (PCR 20pins) POWER SUPPLY " : HIROSE DENKI(Flat Cable34pins) HSSB I/F BOARD : HIROSE DENKI(Flat Cable40pins) HSSB(COP7) ! : AMP(EI Series 4pins) ! : m
  • Page 189B–63523EN/03 8. CNC DISPLAY UNIT WITH PC FUNCTIONS 8.4.2 CNC Display Unit with PC Functions Having Soft Keys but No Touch Panel CNC Control Unit : Optical link Module & Cable : AMP(Dynamic) , POWER SUPPLY : AMP(mini–DIN6pins) HSSB I/F BOARD HSSB(COP7) - , - : HONDA TSUSHIN (PCR 20pins) : HIROSE DENK
  • Page 1908. CNC DISPLAY UNIT WITH PC FUNCTIONS B–63523EN/03 8.4.3 CNC Display Unit with PC Functions Having a Touch Panel but No Soft Key CNC Control : Optical link Module & Cable POWER SUPPLY : AMP(Dynamic) + : AMP(mini–DIN6pins) 2 + HSSB I/F BOARD HSSB(COP7) : HONDA TSUSHIN (PCR 20pins) 2 ’ : HIROSE DENKI(
  • Page 191B–63523EN/03 8. CNC DISPLAY UNIT WITH PC FUNCTIONS 8.4.4 CNC Display Unit with PC Functions Having a Touch Panel and Soft Key CNC Control Unit : Optical link Module & Cable POWER SUPPLY : AMP(Dynamic) ++ : AMP(mini–DIN6pins) 22 ++ HSSB I/F BOARD HSSB(COP7) : HONDA TSUSHIN (PCR 20pins) 22 + ’’ : HIRO
  • Page 1928. CNC DISPLAY UNIT WITH PC FUNCTIONS B–63523EN/03 8.5 SPECIFICATIONS 8.5.1 When CNC display unit with PC functions is used, the following Installation environmental conditions (as measured top of the CNC display unit with PC functions inside the cabinet) must be ensured for the CNC display unit Env
  • Page 193B–63523EN/03 8. CNC DISPLAY UNIT WITH PC FUNCTIONS Some development or maintenance options may not satisfy the above specifications. *3 Measure for Noise : Please measure for noise sufficiently referring to Subsec 3.5.4. 8.5.2 (1) Input power Power Supply (a) Specification Specification To use the C
  • Page 1948. CNC DISPLAY UNIT WITH PC FUNCTIONS B–63523EN/03 NOTE Above power consumption is reference. If peripherals are connected or PCI extended boards are mounted, the power consumption will increase. Also, please consider the cabinet design and the cooling method which is most suitable to the total powe
  • Page 195B–63523EN/03 8. CNC DISPLAY UNIT WITH PC FUNCTIONS 8.6 The following three spaces are required around the CNC display unit with PC functions. INSTALLATION A: Space for connecting cables. SPACE Also, If you wish to exchange a battery or a fuse without removing CNC display unit with PC functions from
  • Page 1968. CNC DISPLAY UNIT WITH PC FUNCTIONS B–63523EN/03 8.6.2 Basic Unit 12.1″ LCD Type 60 In case that PCI Extension Board Fitting 333 333333333333333 Plate is ordered. 20 333C 333333333333333 333 333333333333333 C 333 333333333 333 333 A 333333333 333333333 A 333 333333333 333 333333 333333333 333 3333
  • Page 197B–63523EN/03 8. CNC DISPLAY UNIT WITH PC FUNCTIONS 8.6.4 The HDD unit is mounted on the backside of the MDI or the FA HDD Unit Full–Keyboard. Reserve space C in the above figure. And reserve space for connecting cables of HDD signal, HDD power, FAN power , and MDI/FA full keyboard signal too. The HD
  • Page 1988. CNC DISPLAY UNIT WITH PC FUNCTIONS B–63523EN/03 8.7 PERIPHERAL EQUIPMENT AND CONNECTION 8.7.1 Connector Layout Diagram PCMCIA Card slot (Display side) Show from CNP1 The back side CNP2 CN2B CN2 JD33 JD46 JD9 CD32B CD32A CP5 COP7 CNH3 CD34 CN7 Connector Number Connector Name Function CP5 +24V INPU
  • Page 199B–63523EN/03 8. CNC DISPLAY UNIT WITH PC FUNCTIONS 8.7.2 Main Power Supply Input CNC display unit with PC functions CP5 1 +24V 2 0V +24 VDC input 3 AMP 2–178288–3 (CASE) 1–175218–5 (CONTACT) (1) Cable connection 1 +24V +24V 2 0V 0V (2) Recommended cable conductor Use a cable whose conductor is not s
  • Page 2008. CNC DISPLAY UNIT WITH PC FUNCTIONS B–63523EN/03 8.7.3 Floppy Disk Drive (Signal and Power Supply) CNC display unit with PC functions Panel–mount type 3.5″ floppy disk drive CD34 1 0V 2 DENSEL 1 0V 2 DENSEL 3 0V 4 3 0V 4 5 0V 6 5 0V 6 7 0V 8 :INDEX 7 0V 8 :INDEX 9 0V 10 :MT0 9 0V 10 :DS0 11 0V 12
  • Page 201B–63523EN/03 8. CNC DISPLAY UNIT WITH PC FUNCTIONS (1) Cable connection 1 1 1 0V 0V 2 2 2 DENSEL DENSEL 3 3 3 0V 0V 4 4 4 (NC) (NC) 5 5 5 0V 0V 6 6 6 (NC) (NC) 7 7 7 0V 0V 8 8 8 *INDEX *INDEX 9 9 9 0V 0V 10 10 16 *MT0 *0S0 11 11 15 0V 0V 12 12 14 *DS1 *DS1 13 13 13 0V 0V 14 14 12 *DS0 (RES) 15 15 11
  • Page 2028. CNC DISPLAY UNIT WITH PC FUNCTIONS B–63523EN/03 8.7.3.1 When using this unit on the machine, observe the following cautions: Operating environment (1) Dust Because the CNC display unit with PC functions is not covered with panels, except for the front door section, it must be enclosed in a sealed
  • Page 203B–63523EN/03 8. CNC DISPLAY UNIT WITH PC FUNCTIONS 8.7.4 High–speed Serial Bus (HSSB) CNC display unit with PC functions HSSB interface board (CNC side) Optical fiber COP7 COP7 1) Recommended cables (optical fiber cables) A66L–6001–0026#L1R003: Cable length = 1 m A66L–6001–0026#L3R003: Cable length
  • Page 2048. CNC DISPLAY UNIT WITH PC FUNCTIONS B–63523EN/03 NOTE 1 The high–speed serial bus cannot use an optical fiber cable designed for the FANUC I/O link, FSSB extension line, or serial spindle. 2 Machine tool builders cannot cut or extend optical fiber cables. Select an appropriate type from the above
  • Page 205B–63523EN/03 8. CNC DISPLAY UNIT WITH PC FUNCTIONS A02B–0236–C132#EC : FA Full Keyboard (English) for 12.1” LCD type A08B–0082–C150#JC : FA Full Keyboard (Japanese) for 15.0” LCD type A08B–0082–C150#EC : FA Full Keyboard (English) for 15.0” LCD type A08B–0082–C151#JC : FA Full Keyboard (Japanese) fo
  • Page 2068. CNC DISPLAY UNIT WITH PC FUNCTIONS B–63523EN/03 8.7.6 Mouse CNC display unit with PC functions Mouse (commercial model) CD32B (mini DIN6) Alternatively, FA typewriter– style keyboard Mouse (commercial model) 1) Recommended mouse A86L–0001–0212 . . . . . Standard PS/2 mouse (commercial model) . .
  • Page 207B–63523EN/03 8. CNC DISPLAY UNIT WITH PC FUNCTIONS 8.7.7 Centronics Parallel Port CNC display unit with PC functions Example) Printer JD9 (PCR–E20MD) 1 STD0 11 :STB 1 :STB 19 0V 2 STD1 12 0V 2 STD 20 0V 3 STD2 13 :AFD 3 STD1 21 0V 4 STD3 14 0V 4 STD2 22 0V 5 STD4 15 :INIT 5 STD3 23 0V 6 STD5 16 0V 7
  • Page 2088. CNC DISPLAY UNIT WITH PC FUNCTIONS B–63523EN/03 8.7.8 Serial Port 2 + USB CNC display unit with PC functions ex.) Host Computer JD46 (PCR–E20MD) (DBM–25S) 1 RD 11 SD 1 FG 14 2 0V 12 USB1_0V 2 SD 15 3 DR 13 ER 3 RD 16 4 0V 14 USB2_0V 4 RS 17 5 CS 15 RS 5 CS 18 6 USB1+ 16 USB2+ 6 DR 19 7 CD 17 USB2
  • Page 209B–63523EN/03 8. CNC DISPLAY UNIT WITH PC FUNCTIONS NOTE 1 The figure shows a sample host computer interface and USB. Design the cable to suit the interface of the actual device to be connected. 2 The +24V pins of the interface for CNC display unit with PC functions shown above can be used only with
  • Page 2108. CNC DISPLAY UNIT WITH PC FUNCTIONS B–63523EN/03 8.7.9 For an CNC display unit with PC functions having a touch panel, the Serial Port 1 touch panel controller uses serial port 1. So this connector cannot be used for any other purpose. The touch panel controller is connected, using a dedicated con
  • Page 211B–63523EN/03 8. CNC DISPLAY UNIT WITH PC FUNCTIONS NOTE 1 he interface on the host computer side shown above is only an example. Design an interface cable according to the specification of the host computer with which it is used. 2 The +24 V lines in the interface on the CNC display unit with PC fun
  • Page 2128. CNC DISPLAY UNIT WITH PC FUNCTIONS B–63523EN/03 8.7.11 PCMCIA Card CNC display unit with PC functions Door PCMCIA Card slot Back side PCMCIA card (Type I, Type II) NOTE 1 Only Type I or Type II PCMCIA card is usable. The following card cannot be used. – Card–bus card – Dual mode card (Card–bus mo
  • Page 213B–63523EN/03 8. CNC DISPLAY UNIT WITH PC FUNCTIONS 8.7.12 Hard Disk Unit 1) Cable Connection Connect HDD Signal cable to CNH3. Connect HDD Power cable to CN2B. Connect FAN cable to CN7. Each cables are connected to HDD unit at exfactory. 2) Cable Length HDD Power Cable: 50cm HDD Signal Cable: 40cm H
  • Page 2148. CNC DISPLAY UNIT WITH PC FUNCTIONS B–63523EN/03 8.8 PCI EXPANSION BOARD 8.8.1 (1) Usable boards Installation Method Up to two PCI expansion boards (shown below) can be used in CNC display unit with PC functions. PCI Specification 2.1 compliant 32 bits, 33 MHz, +5 V The external dimensions of the
  • Page 215B–63523EN/03 8. CNC DISPLAY UNIT WITH PC FUNCTIONS Screw Point (B) Vibration Proof Fittings Press Down PCI Extension Board Slot 1 Slot 2 Screw Point (A) (3) Method of mounting PCI extension board Refer to the specifications of PCI extension board for the environmental conditions for installation of
  • Page 2169. CONNECTION TO FANUC I/O Link B–63523EN/03 9 CONNECTION TO FANUC I/O Link 200
  • Page 217B–63523EN/03 9. CONNECTION TO FANUC I/O Link 9.1 The FANUC I/O Link is a serial interface which connects the CNC, cell controller, I/O Unit–A, or Power Mate and transfers I/O signals (bit data) GENERAL at high speeds between each device. The FANUC I/O Link regards one device as the master and other
  • Page 2189. CONNECTION TO FANUC I/O Link B–63523EN/03 9.2 On i Series, the interface connector JD1A (JD44A) for I/O Link is provided on the main board. CONNECTION In the I/O there are the master station and its slave stations. The master is the control unit of the CNC, and the slave is the I/O unit–A. The sl
  • Page 219B–63523EN/03 9. CONNECTION TO FANUC I/O Link Control unit I/O Link JD44A I/O UNIT–A JD1B I/O UNIT–A DC24V This figure is an example of connecting the I/O Link to an i Series CNC with a LCD–mounted type panel. 203
  • Page 2209. CONNECTION TO FANUC I/O Link B–63523EN/03 9.2.1 Connection of FANUC I/O Link by Electric Cable Control unit or preceding slave unit I/O unit MODEL A JD1A JD1B (PCR–E20MDK–SL–A) (PCR–E20LMD) JD1A (PCR–E20LMD) 1 SIN 11 0V JD1B 1 SIN 11 0V 2 :SIN 12 0V 2 :SIN 12 0V 3 SOUT 13 0V 3 SOUT 13 0V Next sla
  • Page 221B–63523EN/03 9. CONNECTION TO FANUC I/O Link 9.2.2 The FANUC I/O Link can be extended to the maximum length of 200 m Connection of FANUC with optical fiber cables using an optical I/O Link adapter. The length of the electrical cable connected to the optical conversion adapter must not I/O Link Optic
  • Page 2229. CONNECTION TO FANUC I/O Link B–63523EN/03 Weight of optical link Main body: Approx. 100 g. adapter Connection D Connection diagram Unit Unit JD1 JD1 JD1A JD1B Connecting COP1 Optical COP1 Connecting cable between cable cable between unit Optical I/O Optical I/O unit link adapter link adapter D In
  • Page 223B–63523EN/03 9. CONNECTION TO FANUC I/O Link D Optical cable 1 Specification: A66L–6001–0009# L5R003 5 m long A66L–6001–0009# L10R03 10 m long A66L–6001–0009# L15R03 15 m long 2 Cable length Maximum length: 200 m (standard type) Maximum length: 100 m (high–speed type) NOTE Be careful not bend optica
  • Page 2249. CONNECTION TO FANUC I/O Link B–63523EN/03 Installation conditions (a) The optical link adapter enclosure is not fully sealed ; install it with the CNC control unit in the fully enclosed cabinet. (b) Ground the case using the case fixing screw of the optical link adapter. (c) The optical link adap
  • Page 225B–63523EN/03 9. CONNECTION TO FANUC I/O Link 9.2.3 Two channels of FANUC I/O Link interfaces are provided. Use of two Connection when Two channels allows the number of usable I/Os to be increased to 2048 for both inputs and outputs (previously, only 1024 inputs and 1024 outputs were Channels of FANU
  • Page 2269. CONNECTION TO FANUC I/O Link B–63523EN/03 Connection between the CNC and I/O Link branching adapter CNC I/O Link branching adapter JD44A JD44B (such as PCR–E20MDK–SL–A) (PCR–E20MDT) 1 SIN1 11 0V 1 SIN1 11 0V 2 *SIN1 12 0V 2 *SIN1 12 0V 3 SOUT1 13 0V 3 SOUT1 13 0V 4 *SOUT1 14 0V 4 *SOUT1 14 0V 5 S
  • Page 227B–63523EN/03 9. CONNECTION TO FANUC I/O Link Connection between the The I/O Link branching adapter can be connected to I/O units in the same I/O Link branching way as for the conventional FANUC I/O Link. See 9.2.1. adapter and FANUC I/O Link I/O units Cable length CNC I/O Link branching I/O unit ada
  • Page 2289. CONNECTION TO FANUC I/O Link B–63523EN/03 External dimensions of the I/O Link branching adapter 60 JD44B JD1A–1 JD1A–2 33.90 22.90 45 85 Unit : mm Allow a clearance of about 10 cm above the adapter for connection and routing of cables. Installation of the I/O 1) Installation on the DIN rail Link
  • Page 229B–63523EN/03 9. CONNECTION TO FANUC I/O Link 9.3 Basically, the i Series can be connected to any unit that has a FANUC I/O Link slave interface. The following table lists general units that can be UNITS THAT CAN BE connected to the i Series. Detailed descriptions of each unit are given later CONNECT
  • Page 2309. CONNECTION TO FANUC I/O Link B–63523EN/03 9.4 CONNECTION OF CONNECTOR PANEL I/O MODULE 9.4.1 Configuration Flat cable for module connection Direction to be used when the Direction to be used when modules are the modules are connected directly to the connection mounted using printed circuit board
  • Page 231B–63523EN/03 9. CONNECTION TO FANUC I/O Link 9.4.2 Connection Diagram CNC I/O UNIT JD1B I/O Link JD44A JD1B JD1A CA52 CB150 Basic module MPG +24 V power supply MPG JA3 DI/DO module MPG Connector panel CA53 CB150 Machine side DI/DO CA52 Extension module (with MPG (Note)) 2A output CA53 module CB154 C
  • Page 2329. CONNECTION TO FANUC I/O Link B–63523EN/03 NOTE 1 Ensure that the extension module with the MPG interface is located nearest to the basic module, as shown in the figure. The MPG can be connected to the connector panel I/O module only when the i series CNC is used. When the connector panel I/O modu
  • Page 233B–63523EN/03 9. CONNECTION TO FANUC I/O Link Installation conditions Ambient temperature Operation: 0°C to 55°C for the unit Storage and transportation: –20°C to 60°C Temperature change 1.1°C/minute maximum Humidity Normal condition: 75% (relative humidity) Short term (within one month): 95% (relati
  • Page 2349. CONNECTION TO FANUC I/O Link B–63523EN/03 9.4.4 This section describes the DI/DO connector pin allocation of the basic DI/DO Connector Pin module and expansion modules A and B. Assignment CB150 (HONDA MR–50RMA) 33 DOCOM 01 DOCOM 50 male pins with fittings for 34 Yn+0.0 02 Yn+1.0 fixing the connec
  • Page 235B–63523EN/03 9. CONNECTION TO FANUC I/O Link 9.4.5 This section describes the DI (input signal) connections of the basic DI (Input Signal) module and expansion modules A and B. Connection d A maximum of 96 points are provided (24 points per module; 1 basic module + 3 extension modules). Pin number A
  • Page 2369. CONNECTION TO FANUC I/O Link B–63523EN/03 Pin number Address number CB150(18) +24V Bit number CB150(50) Xm+2.0 CB150(10) RV +24V 0V Xm+2.1 CB150(11) +24 V stabilized power supply RV Xm+2.2 CB150(12) RV Xm+2.3 CB150(13) RV Xm+2.4 CB150(14) RV Xm+2.5 CB150(15) RV Xm+2.6 CB150(16) RV Xm+2.7 CB150(17
  • Page 237B–63523EN/03 9. CONNECTION TO FANUC I/O Link 9.4.6 This section describes the DO (output signal) connections of the basic DO (Output Signal) module and expansion modules A and B. Connection d A maximum of 64 points are provided (16 points per module; 1 basic module + 3 extension modules). Pin number
  • Page 2389. CONNECTION TO FANUC I/O Link B–63523EN/03 9.4.7 This section describes the specifications of the DI/DO signals used with DI/DO Signal the basic module and expansion modules A and B. Specifications DI (input signal specifications) Number of points 24 points (per module) Contact rating 30 VDC, 16 m
  • Page 239B–63523EN/03 9. CONNECTION TO FANUC I/O Link NOTE When DO is on in the sequence, the ON/OFF state of DOCOM is directly reflected in the DO state as indicated above by the dashed box. The +24 V signal to be supplied to the I/O module must not be turned off during operation. Otherwise, a CNC communica
  • Page 2409. CONNECTION TO FANUC I/O Link B–63523EN/03 9.4.8 This section describes the 2A output connector pin allocation of 2A Output Connector expansion module C. Pin Allocation CB154 (HONDA MR–50RMA) 33 DOCOMA 01 DOCOMA 50 pins, male, 34 Yn+0.0 02 Yn+1.0 with a metal fitting for securing 19 GNDA the conne
  • Page 241B–63523EN/03 9. CONNECTION TO FANUC I/O Link 9.4.9 This section describes the 2A output connector connections of expansion 2A DO (Output Signal) module C. Connection Address number Bit number 24VDC Solenoid, etc. 225
  • Page 2429. CONNECTION TO FANUC I/O Link B–63523EN/03 9.4.10 This section describes the specifications of the 2A output DO signals used 2A Output DO Signal with expansion module C. Specifications DO (output signal specifications) Number of points 32 points (per module) Maximum load current 2 A or less per po
  • Page 243B–63523EN/03 9. CONNECTION TO FANUC I/O Link 9.4.11 This section describes the analog input connector pin allocation of Analog Input expansion module D. Connector Pin CB157 (HONDA MR–50RMA) Allocation 33 INM3 01 INM1 50 pins, male, 34 COM3 02 COM1 with a metal fitting for securing 19 FGND the connec
  • Page 2449. CONNECTION TO FANUC I/O Link B–63523EN/03 9.4.12 This section provides a diagram of the analog input connector Analog Input Signal connections of expansion module D. Connections Analog input module Pin number Not connected For voltage input Voltage source (Common to all channels) Analog input mod
  • Page 245B–63523EN/03 9. CONNECTION TO FANUC I/O Link NOTE 1 In the diagram above, n represents each channel (n = 1, 2, 3, 4). 2 Current input or voltage input can be selected on a channel–by–channel basis. For current input, connect JMPn to INPn. 3 For the connection, use a shielded twisted pair. 4 In the d
  • Page 2469. CONNECTION TO FANUC I/O Link B–63523EN/03 9.4.13 This section describes the specifications of the analog input signals used Analog Input Signal with expansion module D. Specifications Item Specifications Remarks Number of input Four channels channels (Note) Analog input DC –10 to +10 V Voltage in
  • Page 247B–63523EN/03 9. CONNECTION TO FANUC I/O Link 9.4.14 (Digital output) Analog Input This digital input module has four input channels. The digital output Specifications section consists of a group of 12 bits within the three–byte occupied input points. The output format is indicated below. Address in
  • Page 2489. CONNECTION TO FANUC I/O Link B–63523EN/03 Address in the module 7 6 5 4 3 2 1 0 Xm+3 (odd–numbered address) Undefined Xm+4 (even–numbered address) D07 D06 D05 D04 D03 D02 D01 D00 Xm+5 (odd–numbered address) 0 0 CHB CHA D11 D10 D09 D08 D When the analog input module is allocated in the space for e
  • Page 249B–63523EN/03 9. CONNECTION TO FANUC I/O Link 9.4.15 An example in which three manual pulse generators are connected to Manual Pulse extension module A is shown below. The manual pulse generator can be connected only for the i series CNC. Generator Connection Extension module Manual pulse generators
  • Page 2509. CONNECTION TO FANUC I/O Link B–63523EN/03 (These cables do not include the wire shown in the above figure.) NOTE The number of connectable manual pulse generators depends on the type and option configuration. 9.4.16 Like a pulse coder, the manual pulse generator operates on 5 VDC. The Cable Lengt
  • Page 251B–63523EN/03 9. CONNECTION TO FANUC I/O Link 9.4.17 Modules can be connected in the same way, regardless of whether you are Connection of Basic connecting the basic module to an extension module or connecting two extension modules. Connect the modules by using 34–pin flat cable and Extension Modules
  • Page 2529. CONNECTION TO FANUC I/O Link B–63523EN/03 9.4.18 When connecting a connector panel printed circuit board directly Module Installation (external module view and mounting diagram) Dimensions of connector panel printed circuit board ±0.2 Board thickness 1.6 mm Square hole No. 1 pin Square hole I/O L
  • Page 253B–63523EN/03 9. CONNECTION TO FANUC I/O Link When connecting a connector panel printed circuit board directly (mounting and dismounting a module) Hook Stopper Connector panel printed circuit board Mounting the module 1. Insert the hook of the module into the square hole located at the upper part of
  • Page 2549. CONNECTION TO FANUC I/O Link B–63523EN/03 When mounting a DIN rail (external module view and mounting diagram) Mount the DIN rail here. MPG interface I/O Link interface (for extension module) Note I/O interface NOTE Recommended connector: A02B–0098–K891 (including the following connector and case
  • Page 255B–63523EN/03 9. CONNECTION TO FANUC I/O Link When mounting a DIN rail (mounting and dismounting a module) Hook DIN rail Stopper Slotted screwdriver Mounting the module 1. Hook the module at the upper end of the DIN rail. 2. Push the stopper into the slit located at the lower end of the rail until it
  • Page 2569. CONNECTION TO FANUC I/O Link B–63523EN/03 When mounting a module using screws (external module view and mounting diagram) Note Screw holes I/O interface I/O Link interface MPG interface (for extension module) JD1A JD1B NOTE Recommended connector: A02B–0098–K891 (including the following connector
  • Page 257B–63523EN/03 9. CONNECTION TO FANUC I/O Link 9.4.19 Other Notes DO signal reaction to a If a system alarm occurs in a CNC using the connector panel I/O module, system alarm or if I/O Link communication between the CNC and connector panel I/O module fails, all the DO signals of the I/O module are tur
  • Page 2589. CONNECTION TO FANUC I/O Link B–63523EN/03 Fixed addresses directly supervised by the CNC (for FS21i/210i) 7 6 5 4 3 2 1 0 X0004 SKIP ESKIP –MIT2 +MIT2 –MIT1 +MIT1 ZAE XAE SKIP6 SKIP5 SKIP4 SKIP3 SKIP2 SKIP8 SKIP7 SKIP ESKIP SKIP5 SKIP4 SKIP3 ZAE YAE XAE SKIP6 SKIP2 SKIP8 SKIP7 X0005 X0006 X0007 X
  • Page 259B–63523EN/03 9. CONNECTION TO FANUC I/O Link DO (output signal) alarm The DO driver of the Basic and Extension module A/B is capable of detection detecting an overcurrent and measuring its own temperature. If an accident, such as the connecting of the cable to ground, causes an abnormal increase in
  • Page 2609. CONNECTION TO FANUC I/O Link B–63523EN/03 9.4.20 By changing the setting (rotary switch) for the expansion modules, Distribution I/O Setting connections can be made by omitting some expansion modules as shown below. Expansion module 1 Expansion module 2 Expansion module 3 Expansion module 1 Expan
  • Page 261B–63523EN/03 9. CONNECTION TO FANUC I/O Link The function of the rotary switch is as follows: Setting Actual Meaning of setting position indication 0 0 This is the standard setting. The rotary switch is factory–set to this position. This setting is used when no expansion module is omitted. 1 – Set t
  • Page 2629. CONNECTION TO FANUC I/O Link B–63523EN/03 Examples of setting (When expansion module 1 is omitted) On expansion module 2, set the rotary Expansion module 1 Expansion module 2 Expansion module 3 switch to setting position 1. On expan- sion module 3, keep the rotary switch Basic module set to setti
  • Page 263B–63523EN/03 9. CONNECTION TO FANUC I/O Link 9.5 CONNECTION OF OPERATOR’S PANEL I/O MODULE (FOR MATRIX INPUT) 9.5.1 Overall Connection Diagram CNC I/O UNIT JD1B I/O Link JD44A JD1B JD1A CE53 MPG JA3 Machine operator’s panel MPG MPG CE54 +24 V power supply CPD1(IN) +24 V power supply CPD1(OUT) NOTE T
  • Page 2649. CONNECTION TO FANUC I/O Link B–63523EN/03 Connectors that cannot be used on the cable side Specification Manufacturer Connector FI–20–CV7 Hirose Electric Co., Ltd. Connector case and connector FI30–20S–CV7 Hirose Electric Co., Ltd. 9.5.2 Provide the CPD1 (IN) connector, shown below, with the powe
  • Page 265B–63523EN/03 9. CONNECTION TO FANUC I/O Link 9.5.3 DI/DO Connector Pin CE53 CE54 Arrangement A B A B 01 0V 0V 01 0V 0V 02 N.C. +24V 02 COM1 +24V 03 Xm+0.0 Xm+0.1 03 Xm+1.0 Xm+1.1 04 Xm+0.2 Xm+0.3 04 Xm+1.2 Xm+1.3 05 Xm+0.4 Xm+0.5 05 Xm+1.4 Xm+1.5 06 Xm+0.6 Xm+0.7 06 Xm+1.6 Xm+1.7 07 Yn+0.0 Yn+0.1 07
  • Page 2669. CONNECTION TO FANUC I/O Link B–63523EN/03 9.5.4 DI (General–purpose Input Signal) Pin number Connection Address number CE53(B02) +24V Bit number CE54(B02) Xm+0.0 CE53(A03) RV Xm+0.1 CE53(B03) RV Xm+0.2 CE53(A04) RV Xm+0.3 CE53(B04) RV Xm+0.4 CE53(A05) RV Xm+0.5 CE53(B05) RV Xm+0.6 CE53(A06) RV Xm
  • Page 267B–63523EN/03 9. CONNECTION TO FANUC I/O Link NOTE 1 Xm+1.0 through Xm+1.7 are DI pins for which a common voltage can be selected. That is, by connecting the COM1 CE54(A02) pin to the +24 V power supply, a DI signal can be input with its logical state reversed. If, however, a cable is connected to gr
  • Page 2689. CONNECTION TO FANUC I/O Link B–63523EN/03 9.5.5 d A maximum of 56 points are provided. DI (Matrix Input Signal) Connection *KCM1 CE53(A23) Xn+4.0 Xn+4.1 Xn+4.2 Xn+4.3 Xn+4.4 Xn+4.5 Xn+4.6 Xn+4.7 CE53(B23) Xn+5.0 Xn+5.1 Xn+5.2 Xn+5.3 Xn+5.4 Xn+5.5 Xn+5.6 Xn+5.7 *KCM2 CE53(A24) Xn+6.0 Xn+6.1 Xn+6.2
  • Page 269B–63523EN/03 9. CONNECTION TO FANUC I/O Link 9.5.6 d A maximum of 56 points are provided. DO (Output Signal) Connection Pin number CE53(A25,B25) DOCOM CE54(A25,B24,B25) Address number Bit number +24V 0V +24 V stabilized power supply Yn+0.0 CE53(A07) Relay DV Yn+0.1 CE53(B07) DV Yn+0.2 CE53(A08) DV Y
  • Page 2709. CONNECTION TO FANUC I/O Link B–63523EN/03 Pin number CE53(A25,B25) DOCOM CE54(A25,B24,B25) Address number Bit number +24V 0V +24 V stabilized power supply Yn+2.0 CE53(A15) Relay DV Yn+2.1 CE53(B15) DV Yn+2.2 CE53(A16) DV Yn+2.3 CE53(B16) DV Yn+2.4 CE53(A17) DV Yn+2.5 CE53(B17) DV Yn+2.6 CE53(A18)
  • Page 271B–63523EN/03 9. CONNECTION TO FANUC I/O Link Pin number CE53(A25,B25) DOCOM CE54(A25,B24,B25) Address number Bit number +24V 0V +24 V stabilized power supply Yn+4.0 CE54(A11) Relay DV Yn+4.1 CE54(B11) DV Yn+4.2 CE54(A12) DV Yn+4.3 CE54(B12) DV Yn+4.4 CE54(A13) DV Yn+4.5 CE54(B13) DV Yn+4.6 CE54(A14)
  • Page 2729. CONNECTION TO FANUC I/O Link B–63523EN/03 Pin number CE53(A25,B25) DOCOM CE54(A25,B24,B25) Address number Bit number +24V 0V +24 V stabilized power supply Yn+6.0 CE54(A19) Relay DV Yn+6.1 CE54(B19) DV Yn+6.2 CE54(A20) DV Yn+6.3 CE54(B20) DV Yn+6.4 CE54(A21) DV Yn+6.5 CE54(B21) DV Yn+6.6 CE54(A22)
  • Page 273B–63523EN/03 9. CONNECTION TO FANUC I/O Link 9.5.8 External View 24 V power supply connection Manual pulse generator connection I/O Link signal connection Machine operator’s panel DI/DO interface Note) Lead wires and other components are mounted on the rear Note face of the printed circuit board. En
  • Page 2749. CONNECTION TO FANUC I/O Link B–63523EN/03 9.5.9 Installation specifications Specifications Ambient temperature During operation 0°C to 58°C During storage and transportation –20°C to 60°C Temperature change Max. 1.1°C/min. Relative humidity Normal : 75% or less Short term (1 month or less) : 95%
  • Page 275B–63523EN/03 9. CONNECTION TO FANUC I/O Link Power supply rating Module Supply voltage Current rating Remarks Operator’s panel 24 VDC "10% supplied 0.35A The total power I/O module from the power supply consumption of connector CPD1. The DI points is allowance of "10% included. should include (This
  • Page 2769. CONNECTION TO FANUC I/O Link B–63523EN/03 DO (output signal) specifications Maximum load current in ON state 200 mA or less (including momentary current) Saturation voltage in ON state Max. 1 V (when load current is 200 mA) Withstand voltage 24 V +20% or less (including momentary values) Leakage
  • Page 277B–63523EN/03 9. CONNECTION TO FANUC I/O Link 9.5.10 Other Notes DO signal reaction to a If a system alarm occurs in the CNC using the operator’s panel I/O system alarm module, or if I/O Link communication between the CNC and operator’s panel I/O module fails, all the DO signals of the I/O module are
  • Page 2789. CONNECTION TO FANUC I/O Link B–63523EN/03 Fixed addresses directly supervised by the CNC (for FS21i/210i) 7 6 5 4 3 2 1 0 SKIP ESKIP –MIT2 +MIT2 –MIT1 +MIT1 ZAE XAE X0004 SKIP6 SKIP5 SKIP4 SKIP3 SKIP2 SKIP8 SKIP7 SKIP ESKIP SKIP5 SKIP4 SKIP3 ZAE YAE XAE SKIP6 SKIP2 SKIP8 SKIP7 X0005 X0006 X0007 X
  • Page 279B–63523EN/03 9. CONNECTION TO FANUC I/O Link NOTE When the DO signal is in the ON state in the sequence, the ON or OFF state of the DOCOM pin determines the state of the signal, as indicated by the dotted lines in the above figure. Do not turn off the +24 V supply, provided by the CPD1 to the I/O mo
  • Page 2809. CONNECTION TO FANUC I/O Link B–63523EN/03 DO (output signal) alarm The DO driver of the I/O module is capable of detecting an overcurrent detection and measuring its own temperature. If an accident, such as connecting the cable to ground, causes an abnormal increase in the load current or in the
  • Page 281B–63523EN/03 9. CONNECTION TO FANUC I/O Link 9.6 The difference between the operator’s panel I/O module and the power magnetics cabinet I/O module lies in whether an interface to a manual CONNECTION OF pulse generator is provided. The power magnetics cabinet does not OPERATOR’S PANEL provide an inte
  • Page 2829. CONNECTION TO FANUC I/O Link B–63523EN/03 NOTE The MPG can be connected to this operator’s panel I/O module only when the i series CNC is used. When the operator’s panel I/O module is used together with a unit (connector panel I/O module) connected to the I/O Link supporting another MPG interface
  • Page 283B–63523EN/03 9. CONNECTION TO FANUC I/O Link 9.6.2 Provide the CPD1 (IN) connector, shown below, with the power Power Connection necessary for the printed circuit board operation and that for DI operation. To facilitate power division, the power is output to CPD1 (OUT) exactly as it is input from CP
  • Page 2849. CONNECTION TO FANUC I/O Link B–63523EN/03 9.6.3 DI/DO Connector Pin CE56 CE57 Arrangement A B A B 01 0V +24V 01 0V +24V 02 Xm+0.0 Xm+0.1 02 Xm+3.0 Xm+3.1 03 Xm+0.2 Xm+0.3 03 Xm+3.2 Xm+3.3 04 Xm+0.4 Xm+0.5 04 Xm+3.4 Xm+3.5 05 Xm+0.6 Xm+0.7 05 Xm+3.6 Xm+3.7 06 Xm+1.0 Xm+1.1 06 Xm+4.0 Xm+4.1 07 Xm+1
  • Page 285B–63523EN/03 9. CONNECTION TO FANUC I/O Link 9.6.4 DI (General–purpose Input Signal) Connection Pin number Address number CE56(B01) Bit number +24V CE57(B01) Xm+0.0 CE56(A02) RV Xm+0.1 CE56(B02) RV Xm+0.2 CE56(A03) RV Xm+0.3 CE56(B03) RV Xm+0.4 CE56(A04) RV Xm+0.5 CE56(B04) RV Xm+0.6 CE56(A05) RV Xm
  • Page 2869. CONNECTION TO FANUC I/O Link B–63523EN/03 Pin number Address number CE56(B01) Bit number +24V CE57(B01) Xm+2.0 CE56(A10) RV Xm+2.1 CE56(B10) RV Xm+2.2 CE56(A11) RV Xm+2.3 CE56(B11) RV Xm+2.4 CE56(A12) RV Xm+2.5 CE56(B12) RV Xm+2.6 CE56(A13) RV Xm+2.7 CE56(B13) RV Xm+3.0 CE57(A02) RV Xm+3.1 CE57(B
  • Page 287B–63523EN/03 9. CONNECTION TO FANUC I/O Link Pin number Address number CE56(B01) Bit number +24V CE57(B01) Xm+4.0 CE57(A06) RV Xm+4.1 CE57(B06) RV Xm+4.2 CE57(A07) RV Xm+4.3 CE57(B07) RV Xm+4.4 CE57(A08) RV Xm+4.5 CE57(B08) RV Xm+4.6 CE57(A09) RV Xm+4.7 CE57(B09) RV Xm+5.0 CE57(A10) RV Xm+5.1 CE57(B
  • Page 2889. CONNECTION TO FANUC I/O Link B–63523EN/03 NOTE 1 Xm+0.0 through Xm+0.7 and Xm+5.0 through Xm+5.7 are DI pins for which a common voltage can be selected. That is, by connecting the DICOM0 CE56(A14) or DICOM5 CE57(B14) pin to the +24 V power supply, a DI signal can be input with its logical state r
  • Page 289B–63523EN/03 9. CONNECTION TO FANUC I/O Link 9.6.5 DO (Output Signal) Connection Pin number CE56(A24,B24,A25,B25) DOCOM CE57(A24,B24,A25,B25) Address number Bit number +24V 0V +24 V stabilized power supply Yn+0.0 CE56(A16) Relay DV Yn+0.1 CE56(B16) DV Yn+0.2 CE56(A17) DV Yn+0.3 CE56(B17) DV Yn+0.4 C
  • Page 2909. CONNECTION TO FANUC I/O Link B–63523EN/03 Pin number CE56(A24,B24,A25,B25) DOCOM CE57(A24,B24,A25,B25) Address number Bit number +24V 0V +24 V stabilized power supply Yn+2.0 CE57(A16) Relay DV Yn+2.1 CE57(B16) DV Yn+2.2 CE57(A17) DV Yn+2.3 CE57(B17) DV Yn+2.4 CE57(A18) DV Yn+2.5 CE57(B18) DV Yn+2
  • Page 291B–63523EN/03 9. CONNECTION TO FANUC I/O Link 9.6.6 For details of the connection of the manual pulse generator, see Section Manual Pulse 9.4.15. Generator Connection 9.6.7 External View 95 95 24 V power supply connection Manual pulse generator connection I/O Link signal connection Machine operator’s
  • Page 2929. CONNECTION TO FANUC I/O Link B–63523EN/03 9.6.8 Installation specifications Specifications Ambient temperature During operation 0° to 58°C During storage and transportation –20°C to 60°C Temperature change Max. 1.1°C/min. Relative humidity Normal: 75% or less Short term (1 month or less): 95% or
  • Page 293B–63523EN/03 9. CONNECTION TO FANUC I/O Link Power supply rating Power supply Module Supply voltage Remarks rating Operator’s 24 VDC ±10% is 0.3 A+7.3 mA×DI DI = number of DI panel I/O supplied from points in the ON module power supply state connector CPD1. The tolerance of ±10% includes momentary a
  • Page 2949. CONNECTION TO FANUC I/O Link B–63523EN/03 9.6.9 Other Notes DO signal reaction to a If a system alarm occurs in a CNC using this 48/32–point I/O module, or system alarm if I/O Link communication between the CNC and operator’s panel I/O module fails, all the DO signals of the I/O module are turned
  • Page 295B–63523EN/03 9. CONNECTION TO FANUC I/O Link Fixed addresses directly supervised by the CNC (for FS21i/210i) 7 6 5 4 3 2 1 0 SKIP ESKIP –MIT2 +MIT2 –MIT1 +MIT1 ZAE XAE X0004 SKIP6 SKIP5 SKIP4 SKIP3 SKIP2 SKIP8 SKIP7 SKIP ESKIP SKIP5 SKIP4 SKIP3 ZAE YAE XAE SKIP6 SKIP2 SKIP8 SKIP7 X0005 X0006 X0007 X
  • Page 2969. CONNECTION TO FANUC I/O Link B–63523EN/03 NOTE When the DO signal is in the ON state in the sequence, the ON or OFF state of the DOCOM pin determines the state of the signal, as shown within dotted lines in the above figure. Do not turn off the +24 V supply provided by the CPD1 to the I/O module
  • Page 297B–63523EN/03 9. CONNECTION TO FANUC I/O Link DO (output signal) alarm The DO driver of the I/O module is capable of detecting an overcurrent detection and measuring its own temperature. If an accident, such as the connecting of the cable to ground, causes an abnormal increase in the load current or
  • Page 2989. CONNECTION TO FANUC I/O Link B–63523EN/03 9.7 The machine operator’s panel interface unit (A16B–2201–0110) is connected to the control unit through the I/O Link and is used for CONNECTION OF interfacing with the machine operator’s panel. MACHINE It features interfaces with matrix key switches, LE
  • Page 299B–63523EN/03 9. CONNECTION TO FANUC I/O Link Analog signal inputs D Two inputs (input voltage: 0 to +10 V) D Input voltages are converted from analog to digital. The resulting five bits of data are sent to the CNC through the FANUC I/O Link. D The analog signal input function can be used regardless
  • Page 3009. CONNECTION TO FANUC I/O Link B–63523EN/03 9.7.2 System Configuration CNC Machine operator’s panel Machine operator’s interface unit panel Note 2 FANUC JD1B CM26 Matrix DI/DO I/O Link (I/O Link) *ESP, OTR, and general–purpose JD1A CM15 DI/DO Other machine interface CM16 General–purpose DI/DO CM17
  • Page 301B–63523EN/03 9. CONNECTION TO FANUC I/O Link 9.7.3 Signal Assignment Connector pin signal assignment CM15 (General DI/DO) CM16 (General DI/DO) CM17 (General DI/DO) A B A B A B 01 +5E DI06 01 DI20 DI22 01 0V 0V 02 0V DO06 02 DI24 +5E 02 DO20 DO21 03 +5E DI07 03 DI23 DI21 03 DO22 DO23 04 0V DO07 04 DI
  • Page 3029. CONNECTION TO FANUC I/O Link B–63523EN/03 NOTE 1 LM and SM also function as input terminals to the A/D converter. ÇÇ 2 0M is connected to 0 V on the PCB. Input/output pins shaded by are in pairs. Only one in each pair is usable. 3 Do not connect a cable longer than 30 cm to CM15, CM16, or CM17. J
  • Page 303B–63523EN/03 9. CONNECTION TO FANUC I/O Link DInx General–purpose DI LM Load meter voltage DOnx General–purpose DO SM Speed meter voltage *ESP Emergency stop 0M LM/SM reference voltage (0V) ECM1 *ESP common signal *KYDx Matrix DI data signal OTR OT release *KYCx Matrix DI common signal ECM2 OTR comm
  • Page 3049. CONNECTION TO FANUC I/O Link B–63523EN/03 General–purpose DO +24V Photocoupler DO00 to DO37 + FET 0V Output signal specifications Maximum load current 0.03A Maximum open–circuit leakage current 0.1mA Maximum closed–circuit voltage drop 0.1V NOTE When using an LED at the DO point, connect an exter
  • Page 305B–63523EN/03 9. CONNECTION TO FANUC I/O Link Matrix DI D Key switch addresses See Subsec. 9.7.5 for the corresponding PMC addresses. CM26–A06 KY07 KY06 KY05 KY04 KY03 KY02 KY01 KY00 BZ0 *KYC0 CM26–B06 KY17 KY16 KY15 KY14 KY13 KY12 KY11 KY10 BZ1 *KYC1 CM26–A07 KY27 KY26 KY25 KY24 KY23 KY22 KY21 KY20
  • Page 3069. CONNECTION TO FANUC I/O Link B–63523EN/03 D Mode selection - Preventing malfunctions that may be caused by detouring current When there are three or more matrix DI points, detouring current can cause a nonexistent DI input to be falsely detected as existing. As shown below, if KY01, KY03, and KY2
  • Page 307B–63523EN/03 9. CONNECTION TO FANUC I/O Link - This PCB can raise a confirmation sound when a key is pressed. The condition to raise an audible alarm is set in 8–bit units, or in *KYCn units. If *BZMD and common *KYCn are disconnected, a KYnx input causes a sound to generate. If they are connected,
  • Page 3089. CONNECTION TO FANUC I/O Link B–63523EN/03 D Signal specification Contact rating 6VDC, 2mA or higher Leakage current between open contacts 0.2mA or lower (6VDC) Voltage drop across closed contacts 0.9V or lower (1 mA) Note ) NOTE This voltage must be maintained even when detour prevention diodes a
  • Page 309B–63523EN/03 9. CONNECTION TO FANUC I/O Link Matrix DO D LED addresses See Subsec. 9.7.5 for the corresponding PMC addresses. LC4L CM26–A24 LC3L CM26–A23 LC2L CM26–A22 LC1L CM26–A21 CM26–A13 L1L0 *LD0 CM26–A14 L1L1 *LD1 *LD2 CM26–A15 L1L2 *LD3 CM26–A16 L1L3 *LD4 CM26–A17 L1L4 *LD5 CM26–A18 L1L5 *LD6
  • Page 3109. CONNECTION TO FANUC I/O Link B–63523EN/03 CM26–B24 LC4H CM26–B23 LC3H CM26–B22 LC2H CM26–B21 LC1H CM26–B13 L1H0 *LD8 CM26–B14 L1H1 *LD9 CM26–B15 L1H2 *LD10 CM26–B16 L1H3 *LD11 CM26–B17 L1H4 *LD12 CM26–B18 L1H5 *LD13 CM26–B19 L1H6 *LD14 CM26–B20 L1H7 *LD15 L2H0 L2H1 L2H2 L2H3 L2H4 L2H5 L2H6 L2H7 L
  • Page 311B–63523EN/03 9. CONNECTION TO FANUC I/O Link D Signal specifications The LEDs must have the following rating Forward voltage 2.4V max (If=5mA)(Typical value) Forward current 30mA max Reverse voltage 3V max Interface for manual pulse generator D Connection of connector One interface is provided on co
  • Page 3129. CONNECTION TO FANUC I/O Link B–63523EN/03 Analog signal inputs Analog inputs received from the outside are forwarded without change to output terminals. D Connection diagram Analog inputs from the spindle amp being output for load meter and speed (example) meter indications. LM Spindle LM 1, 2 1
  • Page 313B–63523EN/03 9. CONNECTION TO FANUC I/O Link D Emergency stop A signal generated by the emergency stop switch on the machine operator’s panel can be sent to the power magnetics cabinet. (This signal cannot be sent to the CNC through the FANUC I/O Link.) Emergency stop signal A09 17 *ESP *ESP *ESP B0
  • Page 3149. CONNECTION TO FANUC I/O Link B–63523EN/03 9.7.5 PMC Addresses Scope in which PMC addresses can be used BIT NUMBER I/O Link allocation PMC 7 6 5 4 3 2 1 0 128/128 256/256 ADDRESS DI+00 FUSE DI+01 KY07 KY06 KY05 KY04 KY03 KY02 KY01 KY00 DI+02 KY17 KY16 KY15 KY14 KY13 KY12 KY11 KY10 DI+03 KY27 KY26
  • Page 315B–63523EN/03 9. CONNECTION TO FANUC I/O Link 9.7.6 D Use flat cables for connectors CM15, CM16, CM17, and CM26. Major Connection When splitting and connecting flat cables to the machine operator’s panel or other equipment, be careful not to break or short the Precautions conductors. D All signals wi
  • Page 3169. CONNECTION TO FANUC I/O Link B–63523EN/03 9.7.8 Connector Connector Major use Specification (on the Cable Side) CM15, General–purpose HIF3BA–34D–2.54R : Specifications CM16, DI/DO Manufactured by HIROSE ELECTRIC CM17 CO., LTD. CNA1 Relay terminal PCR–E20FS : (to the machine) Manufactured by HONDA
  • Page 317B–63523EN/03 9. CONNECTION TO FANUC I/O Link 9.7.9 Machine Operator’s Panel Interface Unit Dimension Diagram (Including Connector Locations) 89 22 CM26 A1 B25 15 CPD1 11 A1 17 10 60 CNB1 150 CM17 CNA1 9 B17 41 75 16 JD1B 1 CA40 CM16 CM15 A1 JD1A A1 22 20 B17 B17 40 124 89 26 310 Unit : mm Tolerance
  • Page 3189. CONNECTION TO FANUC I/O Link B–63523EN/03 9.7.10 Machine Operator’s Panel Interface Unit Mounting Dimension Diagram Mounting hole position 20 CM26 18 150 CM17 110 114 Hole for connecting to a ground 4.5f CM16 CM15 20 18 296 310 Fasten the PCB with four M4 screws. Unit : mm 302
  • Page 319B–63523EN/03 9. CONNECTION TO FANUC I/O Link Sheet fixing area It is possible to fix the sheet, spacer, etc. only in the area shown in the (mounting face side) diagram below. 15 12 10 CM26 10 10 8 25 18 7 CM17 130 7 5 130 3 CM16 CM15 20 14 10 8 10 10 12 14 NOTE Applied to the PCB version number “03A
  • Page 3209. CONNECTION TO FANUC I/O Link B–63523EN/03 9.7.11 Fuse Mounting Position CM26 FU1 CPD1 FU3 FU2 CM17 JD1A JD1B CM16 CM15 FU1 : +24V fuse (general–purpose DO, this supplies printed board power protection) FU2 : +5V fuse (IC power, manual pulse generator protection) FU3 : +5E fuse (general–purpose DI
  • Page 321B–63523EN/03 9. CONNECTION TO FANUC I/O Link 9.8 The operator’s panel connection unit (A16B–2200–0660, 0661) is connected to the control unit through the FANUC I/O Link and is used for CONNECTION OF interfacing with the machine operator’s panel. OPERATOR’S PANEL The electric interface and pin layout
  • Page 3229. CONNECTION TO FANUC I/O Link B–63523EN/03 9.8.1 The input signal of the operator’s panel connection unit is 0V common Input Signal non–insulation type interface as shown below. Regulations for Operator’s Panel Machine Operator’s panel connection unit tool Connection Unit Direct +24V current Recei
  • Page 323B–63523EN/03 9. CONNECTION TO FANUC I/O Link WARNING All signals input to this operator’s panel connection unit are of source type. When a source interface is used, a ground fault in an input signal has the same effect as closing the contacts. From the viewpoint of safety, therefore, FANUC does not
  • Page 3249. CONNECTION TO FANUC I/O Link B–63523EN/03 9.8.2 Output signals DO00 to DO77 of the operator’s panel connection unit Output Signal drive indicators and LEDs on the machine operator’s panel and use NPN transistor for drivers. Regulations for Prepare 24VDC for power supply of indicators and LEDs and
  • Page 325B–63523EN/03 9. CONNECTION TO FANUC I/O Link 9.8.3 Connector Layout for Operator’s Panel Connection Unit CM1 1 DI00 33 2 DI03 34 DI02 Address 7 6 5 4 3 2 1 0 19 DI01 3 DI06 35 DI05 20 DI04 Xn DI07 DI06 DI05 DI04 DI03 DI02 DI01 DI00 4 DI11 36 DI10 21 DI07 5 DI14 37 DI13 DI17 DI16 DI15 DI14 DI13 DI12
  • Page 3269. CONNECTION TO FANUC I/O Link B–63523EN/03 CM3 1 DO00 33 +5N 2 DO03 34 DO02 Address 7 6 5 4 3 2 1 0 19 DO01 3 DO06 35 DO05 20 DO04 Yn DO07 DO06 DO05 DO04 DO03 DO02 DO01 DO00 4 DO11 36 DO10 21 DO07 5 DO14 37 DO13 22 DO12 Yn+1 DO17 DO16 DO15 DO14 DO13 DO12 DO11 DO10 6 DO17 38 DO16 23 DO15 7 DO22 39
  • Page 327B–63523EN/03 9. CONNECTION TO FANUC I/O Link 9.8.4 External View of Operator’s Panel Connection Unit 11.8mm Approx. 100mm Weight : 1.2 kg Fig. 9.8.4 External view of operator’s panel connection unit 311
  • Page 3289. CONNECTION TO FANUC I/O Link B–63523EN/03 9.9 The operator’s panel connection unit (A16B–2202–0730, 0731), which connects to the control unit via the FANUC I/O Link, acts as an interface CONNECTION OF with the machine operator’s panel. SOURCE OUTPUT Connectors CM51, CM52, CMB3, and CMB4, used to
  • Page 329B–63523EN/03 9. CONNECTION TO FANUC I/O Link 9.9.1 Most input signals for the source output type connection unit support a Input Signal sink type non–isolated interface. For some input signals, however, either sink or source type can be selected. (European safety standards demand Specifications for
  • Page 3309. CONNECTION TO FANUC I/O Link B–63523EN/03 DC input signal OFF (High) (Signal) (Signal) ON (Low) Logical 0 (18 V or higher) Logical 1 (6V or lower) Chattering of 5 ms or less is ig- nored. Receiver output signal 5 to 22ms 5 to 22ms Fig. 9.9.1 (b) Signal width and delay of input signal In the above
  • Page 331B–63523EN/03 9. CONNECTION TO FANUC I/O Link CAUTION A power supply which satisfies the above specifications shall be connected to the DOCOM and 0V power supply terminals for the output signals. The maximum current that can be carried by the DOCOM pin is 2.0 A. The total load current must not exceed
  • Page 3329. CONNECTION TO FANUC I/O Link B–63523EN/03 NOTE The above red LED and alarm transfer to the CNC are supported by PCBs of version 03B and later. If the output of a signal cannot be turned on even though the CNC diagnostic indicates that the signal is on, that signal or another signal being handled
  • Page 333B–63523EN/03 9. CONNECTION TO FANUC I/O Link Notes on output signals CAUTION Observe the following precautions when connecting output signals: Output pins shall not be connected in parallel, as shown below. DOCOM +24V 0V Relay DV DV 0V CAUTION When using a dimming resistor, connect a diode to preven
  • Page 3349. CONNECTION TO FANUC I/O Link B–63523EN/03 9.9.3 Connector Pin Layout for Source Output Type Connection Unit CM51 CM52 1 DI00 33 DICMN1 1 DI60 33 0V 2 DI03 34 DI02 2 DI63 34 DI62 19 DI01 19 DI61 3 DI06 35 DI05 3 DI66 35 DI65 20 DI04 20 DI64 4 DI11 36 DI10 4 DI71 36 DI70 21 DI07 21 DI67 5 DI14 37 D
  • Page 335B–63523EN/03 9. CONNECTION TO FANUC I/O Link NOTE When the operator’s panel connection unit having 64 DIs and 32 DOs is selected, connector CMB4 is not mounted on the PCB. DICMN1, DICMN2: Pins used to switch the DI common. Usually, jumper these pins with 0V. (input) +24V: +24 VDC output pin. This pi
  • Page 3369. CONNECTION TO FANUC I/O Link B–63523EN/03 [DO address] 7 6 5 4 3 2 1 0 Yq DO07 DO06 DO05 DO04 DO03 DO02 DO01 DO00 DO: DO: Y q+1 DO17 DO16 DO15 DO14 DO13 DO12 DO11 DO10 64 32 points points Y q+2 DO27 DO26 DO25 DO24 DO23 DO22 DO21 DO20 Y q+3 DO37 DO36 DO35 DO34 DO33 DO32 DO31 DO30 Y q+4 DO47 DO46 D
  • Page 337B–63523EN/03 9. CONNECTION TO FANUC I/O Link 9.9.4 Dimensions of Source Output Type Connection Unit 4–f5mm CP1 15 mm 336mm 50mm 10 mm CP1 JD1B 12 12 43 1 2 3 JD1A CP61 35 154 mm 120 mm 155 17.78 mm CMB4 MR20RM CMB3 CM52 CM51 11.72 MR50RM MR50RM MR50RM mm 20 50 50 50 Approx. 31.05mm 46.99mm 88.9mm 88
  • Page 3389. CONNECTION TO FANUC I/O Link B–63523EN/03 9.10 FANUC I/O LINK CONNECTION UNIT 9.10.1 This unit connects FANUC I/O Link master devices’ such as the CNC, Overview via an I/O Link to enable the transfer of DI/DO signals. System A System B CNC or CNC or F–D Mate +24 V power +24 V power F–D Mate suppl
  • Page 339B–63523EN/03 9. CONNECTION TO FANUC I/O Link 9.10.2 Specification Item Specification I/O Link function Provided with two slave mode I/O Link interface channels, between which DI/DO data can be transferred. [Interface types] One of the following combinations is selected: Electrical – optical Electric
  • Page 3409. CONNECTION TO FANUC I/O Link B–63523EN/03 LED indications LED5 LED3 LED4 LED2 (GREEN) (RED) (GREEN) (RED) DC–DC CONVERT- ER CP2 CP1 +5V LED1(RED) 0V : Check pin Fig. 9.10.2 (a) LED locations LED status Description LED1 Normal j 1 LED1 A RAM parity error occurred because of a hardware J failure. L
  • Page 341B–63523EN/03 9. CONNECTION TO FANUC I/O Link Unit: mm 180 10 160 30 5 Printed–circuit board 90 150 Cable Mounted components Cable 50 or less Fig. 9.10.2 (b) Outline drawing 160 4–M4 Unit: mm 90 Fig. 9.10.2 (c) Mounting location 325
  • Page 3429. CONNECTION TO FANUC I/O Link B–63523EN/03 9.10.3 Connection 9.10.3.1 I/O Link interface (1) Connection diagram (example) AC power input AC power input External External power power I/O Link (+24 V) (+24 V) I/O Link master     master JD1A JD1A (JD44A) (JD44A) Optical I/O Link adapter CP(*) CP(
  • Page 343B–63523EN/03 9. CONNECTION TO FANUC I/O Link (2) Signal cable (electrical) JD1A1/JD1A2 JD1B1/JD1B2 11 0V 1 RXB 11 0V 1 RXA 12 0V 2 :RXB 12 0V 2 :RXA 13 0V 3 TXB 13 0V 3 TXA 14 0V 4 :TXB 14 0V 4 :TXA 15 0V 5 15 0V 5 16 0V 6 16 0V 6 17 7 17 7 18 – 8 18 – 8 19 9 – 19 9 – 20 – 10 20 – 10 This unit (JD1A
  • Page 3449. CONNECTION TO FANUC I/O Link B–63523EN/03 (3) Signal cable (optical) D Optical cable specification : A66L–6001–0009#XXXX (where XXXX is a cable length specification) Cable specification examples 10 m – L10R03 100 m – L100R3 D Cable length : 200 m (maximum) (4) Power supply cable CP1/CP2 connector
  • Page 345B–63523EN/03 9. CONNECTION TO FANUC I/O Link 9.11 CONNECTING THE FANUC SERVO UNIT β SERIES WITH I/O LINK 9.11.1 The FANUC servo unit β series with I/O Link (called the β amplifier with I/O Link) is a power motion control servo unit that can be easily connected Overview to a CNC control unit via the
  • Page 3469. CONNECTION TO FANUC I/O Link B–63523EN/03 9.11.2 The β amplifier with I/O Link is connected to the i Series using the usual Connection FANUC I/O Link connection. Control unit FANUC SERVO UNIT β series with I/O Link JD1A I/O IOLINK LINK JD1A I/O Link cable JD1B I/O LINK I/O Link cable JD1B I/O LIN
  • Page 347B–63523EN/03 9. CONNECTION TO FANUC I/O Link 9.11.3 The maximum number of β amplifiers with I/O Link that can be Maximum Number of connected to a control unit depends on the maximum number of FANUC I/O Link points provided by that control unit, as well as their assignments. Units that can be For the
  • Page 3489. CONNECTION TO FANUC I/O Link B–63523EN/03 9.12 CONNECTION OF THE DISTRIBUTION I/O MACHINE OPERATOR’S PANEL 9.12.1 The distribution I/O machine operator’s panel is of distribution I/O type that is connected via I/O Link to the CNC. Its panel is the same as that Differences between of the FS0 stand
  • Page 349B–63523EN/03 9. CONNECTION TO FANUC I/O Link (Standard–size machine operator’s panel) Item FS0 standard machine Distribution I/O machine operator’s panel operator’s panel Panel No design modification Program protect key Override rotary switch Emergency stop button Manual pulse generator Keyboard (ke
  • Page 3509. CONNECTION TO FANUC I/O Link B–63523EN/03 9.12.2 Overall Connection Diagram Distribution I/O machine operator’s panel Emergency stop switch General–purpose DI General–purpose DO CNC +24 V power supply +24 V power supply I/O unit NOTE CNCs of the i series only allow the distribution I/O machine op
  • Page 351B–63523EN/03 9. CONNECTION TO FANUC I/O Link 9.12.3 (1) Small machine operator’s panel Connector Mounting Specification of the printed circuit board: Diagram A20B–8001–0721 (with general–purpose DO) Viewed from behind Printed circuit board (2) Standard–size machine operator’s panel Specification of
  • Page 3529. CONNECTION TO FANUC I/O Link B–63523EN/03 Specification of Description printed circuit board A20B–8001–0210 D Without general–purpose DO D The other input/output interface specifications are the same as those of the A20B–8001–0721 printed circuit board. D The outer shape of the printed circuit bo
  • Page 353B–63523EN/03 9. CONNECTION TO FANUC I/O Link 9.12.5 The emergency stop switch is not wired when the unit leaves the factory. Emergency Stop Signal Perform wiring suitable for the system. For an emergency stop signal, a common pin and emergency stop signal Connection pin are available with connectors
  • Page 3549. CONNECTION TO FANUC I/O Link B–63523EN/03 (3) When an emergency stop signal is output to other I/O Other I/O Machine operator’s panel Printed circuit board Receiver Receiver NOTE In the examples (1) and (2) above, an emergency stop signal is applied to the DI address (Xm+2.4) tied to the 24V comm
  • Page 355B–63523EN/03 9. CONNECTION TO FANUC I/O Link Pin number Address number Bit number 339
  • Page 3569. CONNECTION TO FANUC I/O Link B–63523EN/03 Pin number Address number Bit number 340
  • Page 357B–63523EN/03 9. CONNECTION TO FANUC I/O Link NOTE 1 Xm+1.0 to Xm+1.7 and Xm+3.0 to Xm+3.7 are DI points that allows common selection. This means that by connecting the DICOM1 pin (CM58–A02) and DICOM3 pin (CM58–B02) to +24 V, the DI signal whose logic is inverted can be applied. In this case, howeve
  • Page 3589. CONNECTION TO FANUC I/O Link B–63523EN/03 9.12.7 General–purpose DO Signal Connection Pin number Pin number (Note) Bit number +24 V power supply Relay Cable recommended for use on the CE59 cable side: HIF3BA–20D–2.54R (Hirose Electric) NOTE With the small machine operator’s panel, all of the eigh
  • Page 359B–63523EN/03 9. CONNECTION TO FANUC I/O Link 9.12.8 See Section 9.4.15. Manual Pulse Generator Connection 9.12.9 A relay terminal is used to relay signals on the machine operator’s panel. Relay Terminal Relayed signals are not output to the CNC via I/O Link. An example of using a relay terminal to r
  • Page 3609. CONNECTION TO FANUC I/O Link B–63523EN/03 9.12.10 (Small machine operator’s panel) Keyboard Addresses The relationship of the keyboard key switches and LED I/O addresses is as follows: Key/LED Key switch/LED arrangement Address NOTE T series: 42 keys M series: 46 keys On the machine operator’s pa
  • Page 361B–63523EN/03 9. CONNECTION TO FANUC I/O Link (Standard–size machine operator’s panel) The relationship between the keyboard key switches and LED I/O addresses is as follows: Key/LED Key switch/LED arrangement Address NOTE 53 keys for both the T series and M series 345
  • Page 3629. CONNECTION TO FANUC I/O Link B–63523EN/03 9.12.11 Other Signal DI address Signal Name Addresses Xm+0.0 *OVA Override signal (Note) Xm+0.1 *OVB Xm+0.2 *OVC Xm+0.3 *OVD Xm+0.4 *OVE Xm+0.5 KEY Program protect signal NOTE Override signal (*OVA to *OVE) Gray codes are output according to the table bel
  • Page 363B–63523EN/03 9. CONNECTION TO FANUC I/O Link 9.12.12 The I/O address maps of the distribution I/O machine operator’s panel are Allocation as follows: DI space map DO space map Xm Override, etc. Yn Xm+1 Yn+1 General–purpose Xm+2 Yn+2 DI signals Xm+3 Yn+3 Keyboard (LED) General–purpose Xm+4 Yn+4 DO si
  • Page 3649. CONNECTION TO FANUC I/O Link B–63523EN/03 Basically, arbitrary I/O addresses can be allocated on the distribution I/O machine operator’s panel. For connection with the fixed addresses directly monitored by the CNC, however, DI addresses must be allocated as indicated below. Fixed addresses direct
  • Page 365B–63523EN/03 9. CONNECTION TO FANUC I/O Link 9.12.13 Specifications Setting environment Ambient temperature Operation: 0°C to 58°C Storage and transportation: –20°C to 60°C Temperature change 1.1°C/minute maximum Humidity Normal condition: 75% (relative humidity) Short term (no more than one month):
  • Page 3669. CONNECTION TO FANUC I/O Link B–63523EN/03 Machine operator’s panel specifications Item Specifications Remarks Number of 24 points 24 V input general–purpose DI points Number of Small machine 24 V output general–purpose DO operator’s panel: 8 points points Standard–size machine operator’s panel: 5
  • Page 367B–63523EN/03 9. CONNECTION TO FANUC I/O Link General–purpose DI signal specifications Contact capacity 30 VDC. 16 mA or more Leakage current between 1 mA or less (26.4 V) contacts when opened Voltage decrease between 2 V or less (including voltage drop in the cable) contacts when closed Delay The re
  • Page 3689. CONNECTION TO FANUC I/O Link B–63523EN/03 9.12.14 The keyboard of the machine operator’s panel employs a matrix Other Notes configuration. If three or more keys are simultaneously entered in the matrix DI configuration, a DI signal is erroneously entered due to an abnormal current flow. A counter
  • Page 369B–63523EN/03 9. CONNECTION TO FANUC I/O Link (Ladder operation) The following provides examples of ladder operation based on the DI matrix of 8 (bits) 8 (common), indicated on the next page. (1) The number of data lines where keys are entered is checked. The OR (R1) of the data of all the addresses
  • Page 3709. CONNECTION TO FANUC I/O Link B–63523EN/03 (3) When there are two or less data lines where keys are entered, whether multiple keys are entered on a data line is checked. The data of all addresses are subtracted from the OR (R1) to obtain result R2. When R2 = 00h, there is no data line where multip
  • Page 371B–63523EN/03 9. CONNECTION TO FANUC I/O Link 9.12.15 Operator’s Panel Override rotary switch Emergency stop switch Key switches (sheet keys) The circle on each key switch repre- sents an LED (red). Program protect key Color : Munsell N3, semi–glossed Fig. 9.12.15 (a) Front view of machine operator’s
  • Page 3729. CONNECTION TO FANUC I/O Link B–63523EN/03 Color : Munsell N3, semi–glossed Fig. 9.12.15 (b) Front view of machine operator’s panel for small unit (M series) 356
  • Page 373B–63523EN/03 9. CONNECTION TO FANUC I/O Link Program protect key Key switches (sheet keys) The circle on each key switch repre- sents an LED (red). (Coordinate) Manual pulse Override rotary switch generator Emergency stop button Color : Munsell N3, semi–glossed Fig. 9.12.15 (c) Front view of machine
  • Page 3749. CONNECTION TO FANUC I/O Link B–63523EN/03 (Coordinate) Color : Munsell N3, semi–glossed Fig. 9.12.15 (d) Front view of machine operator’s panel for standard unit (M series) 358
  • Page 375B–63523EN/03 9. CONNECTION TO FANUC I/O Link D Symbol indication on machine operator’s panel Front view of the key sheets (1) M series, full keypad (2) M series, small keypad 359
  • Page 3769. CONNECTION TO FANUC I/O Link B–63523EN/03 (3) T series, full keypad (4) T series, small keypad 360
  • Page 377B–63523EN/03 9. CONNECTION TO FANUC I/O Link D Meanings of keys English Symbol Meaning of key indication indication AUTO AUTO mode selection signal: Sets automatic operation mode. EDIT EDIT mode selection signal: Sets program edit mode. MDI MDI mode selection: Sets MDI mode. JOG JOG feed mode select
  • Page 3789. CONNECTION TO FANUC I/O Link B–63523EN/03 English Symbol Meaning of key indication indication PRG Program stop (output only): Turns on the LED on STOP the button when automatic operation is stopped by M00 specified in the program. OPT Optional stop: Stops automatic operation after STOP execution
  • Page 379B–63523EN/03 9. CONNECTION TO FANUC I/O Link English Symbol Meaning of key indication indication CYCLE Cycle start: Starts automatic operation. START CYCLE Cycle stop: Stops automatic operation. STOP CLNT Coolant on: Start the supply of coolant. ON CLNT Coolant off: Stops the supply of coolant. OFF
  • Page 3809. CONNECTION TO FANUC I/O Link B–63523EN/03 9.13 CONNECTION TO MACHINE OPERATOR’S PANEL 9.13.1 Machine operator’s panel is connected with i series CNC by I/O Link, Overview which is composed by some following operator’s panels. Main panel A/A1 This operator’s panel incorporated with MDI with full a
  • Page 381B–63523EN/03 9. CONNECTION TO FANUC I/O Link 290 10.4” LCD 220 Main panel A 600 300 Sub panel A 80 Unit=mm Main panel B Sub panel B Main panel B Sub panel C 365
  • Page 3829. CONNECTION TO FANUC I/O Link B–63523EN/03 9.13.2 Total Connection Diagram MDI Unit CNK2 CNC CNK1 Main panel A/B/A1/B1 Soft key cable MDI CNK2 MDI(CA55) CNK1 Keyboard CM68 General–purpose DI/DO I/O Link(JD1A) JD1B (JD44A) CM69 JD1A JA3 MPG Next I/O unit MPG MPG Pendant +24V Power CA64(IN) JA58 typ
  • Page 383B–63523EN/03 9. CONNECTION TO FANUC I/O Link 9.13.3 Each Connections 9.13.3.1 Pin assignment CA64 (Power source) CA65 (Power magnetic cabinet) 3 2 0V 1 +24V A01 EON B01 EOFF 6 5 0V 4 +24V A02 COM1 B02 COM2 Recommended connector for cable: A03 *ESP B03 ESPCM1 Housing : AMP 1–178288–3 (3 pins type) Co
  • Page 3849. CONNECTION TO FANUC I/O Link B–63523EN/03 NOTE Input/output Pins shaded by are in pairs. Only one in each pair is usable. Pins shaded by are those for forwarding signals. Pins with the same name are connected directly to one another. JA3 (Manual pulse generator) JA58 (Pendant type manual pulse ge
  • Page 385B–63523EN/03 9. CONNECTION TO FANUC I/O Link 9.13.3.2 Power supply connection CA64 (IN) 01 +24V +24V power 02 0V 03 CA64 (OUT) 01 +24V +24V power 02 0V 03 NOTE 1 Both connectors CA64(IN) and CA64(OUT) are same specification. And there is not indication of (IN) and (OUT) on the PCB. 2 Power supply fo
  • Page 3869. CONNECTION TO FANUC I/O Link B–63523EN/03 9.13.3.3 MDI connection CNC Main panel A/A1 CA55 CNK1 (JAE LY20–20P–DTI–P) (PCR E20MDK–SL–A) P A B 1 *KEY00 11 *KEY01 1 *KEY00 *KEY02 2 *KEY02 12 *KEY03 2 *KEY01 *KEY03 3 *KEY04 13 *KEY05 3 *KEY04 *KEY06 4 *KEY06 14 *KEY07 4 *KEY05 *KEY07 5 *COM00 15 *COM
  • Page 387B–63523EN/03 9. CONNECTION TO FANUC I/O Link 9.13.3.4 I/O link connection Control unit preceding slave unit Main panel A/B/A1/B1 JD1A JD1B (PCR–E20MDK–SL–A) JD1B (PCR–E20MDK–SL–A) JD1A 1 SIN 11 0V 1 SIN 11 0V 2 *SIN 12 0V 2 *SIN 12 0V 3 SOUT 13 0V 3 SOUT 13 0V Next slave 4 *SOUT 14 0V 4 *SOUT 14 0V
  • Page 3889. CONNECTION TO FANUC I/O Link B–63523EN/03 9.13.3.5 A signal generated by the emergency stop switch on the machine Emergency stop signal operator’s panel can be sent to the power magnetic cabinet. (This signal cannot be sent to the FANUC I/O Link.) connection When MTB uses the Sub panel A/B/B1/C/C
  • Page 389B–63523EN/03 9. CONNECTION TO FANUC I/O Link 9.13.3.7 DI (input signal) connection Pin number +24V CM68(A1),CM69(A1), JA58(10),JA58(19) Address number Bit Sub panel A CM65(A04) D Rotary switch Xm+0.0 CM65(B05) A (SA1) RV Xm+0.1 CM65(A03) F RV Xm+0.2 CM65(A05) B RV Xm+0.3 CM65(B03) E RV Xm+0.4 CM65(B
  • Page 3909. CONNECTION TO FANUC I/O Link B–63523EN/03 NOTE Connection of Xm+0.0 to Xm+0.7, Xm+1.0 to Xm+1.4 shows when the Sub panel A is used. Address number Pin number +24V Bit JA58(17) Xm+2.0 CM68(A03) RV JA58(8) Xm+2.1 CM68(B03) RV JA58(3) Xm+2.2 CM68(A04) RV JA58(4) Xm+2.3 CM68(B04) RV JA58(5) Xm+2.4 CM
  • Page 391B–63523EN/03 9. CONNECTION TO FANUC I/O Link NOTE 1 Xm+3.0 to 3.7 have a common line that is possible to select the source/sink type. If DICOM (CM69–B06pin) is connected to +24V, the DI signal logic is negative. But in this connection, if the DI signal wires happen to drop the ground level, the stat
  • Page 3929. CONNECTION TO FANUC I/O Link B–63523EN/03 9.13.3.8 DO (output signal) connection Pin number DOCOM CM68(A10), CM69(A10) Address No. Bit +24V 0V +24V Power JA58(7) Yn+5.3 CM68(A08) Relay DV Yn+5.7 DV CM68(B08) Yn+6.3 DV CM68(A09) Yn+6.7 DV CM68(B09) Yn+7.3 DV CM69(A08) Yn+7.4 DV CM69(B08) Yn+7.5 DV
  • Page 393B–63523EN/03 9. CONNECTION TO FANUC I/O Link Main panel A/B/A1/B1 3 4 5 6 JA3 +5V 0V HA1 HB1 1 HA1 11 Manual pulse generator # 1 2 HB1 12 0V (M3 Screw) 3 HA2 13 3 4 5 6 4 HB2 14 0V +5V 0V HA1 HB1 5 HA3 15 Manual pulse generator # 2 6 HB3 16 0V (M3 Screw) 7 17 3 4 5 6 8 18 +5V +5V 0V HA1 HB1 9 +5V 19
  • Page 3949. CONNECTION TO FANUC I/O Link B–63523EN/03 MPG needs a DC5V power supply and the voltage must be less than 0.2V dropping. (the 0.2V dropping includes the resistance in the cable.) 0.1 : MPG power supply current 0.1A 0.2 w 0.1 R m 2L R : Resistance per wire length (Ω/m) Because m : Wire Number (Bot
  • Page 395B–63523EN/03 9. CONNECTION TO FANUC I/O Link And the receiver circuit is as follows. Manual pulse generator +5V Filter 10K W R Connector – + Internal C receiver 0V circuit 0V VIH,VIL level at Connector pin If Vin low to high, VIH must be higher than 3.7V. If Vin high to low, VIL must be lower than 1
  • Page 3969. CONNECTION TO FANUC I/O Link B–63523EN/03 9.13.3.10 Connector (on the cable side) specifications. Order specifi Connector Maker Specification cation JD1A, JD1B, Stand wire Hirose A02B–0236–K302 JA3, JA58 press– FI30–20S (Connector) (Operators panel mount type FI–20–CV7 (Case) depth=60mm min.) JD1
  • Page 397B–63523EN/03 9. CONNECTION TO FANUC I/O Link 9.13.4 DI/DO Address 9.13.4.1 Keyboard of main panel DI/DO address of Keyswitches and LED on the keyboard of Main panel A/B/A1/B1 are as follows. BIT 7 6 5 4 3 2 1 0 Key/LED Xm+4/Yn+0 B4 B3 B2 B1 A4 A3 A2 A1 Xm+5/Yn+1 D4 D3 D2 D1 D4 C3 C2 C1 Xm+6/Yn+2 A8
  • Page 3989. CONNECTION TO FANUC I/O Link B–63523EN/03 9.13.4.2 Table of gray code output is as follows when the Sub panel A/B/B1/C/C1 Override signals is used Rotary switch (SA1) % 0 1 2 4 6 8 10 15 20 30 40 50 60 70 80 90 95 100 105 110 120 Xm+0.0 0 1 1 0 0 1 1 0 0 1 1 0 0 1 1 0 0 1 1 0 0 Xm+0.1 0 0 1 1 1 1
  • Page 399B–63523EN/03 9. CONNECTION TO FANUC I/O Link 9.13.5 I/O address map is as follows. DI/DO Mapping DI map DO map Xm+0 Yn+0 Xm+1 General–purpose Yn+1 DI/DO Xm+2 Yn+2 Keyboard Xm+3 Yn+3 (LED) Xm+4 Yn+4 Include general– Purpose DO Xm+5 Yn+5 Xm+6 Yn+6 Xm+7 Keyboard of Yn+7 Main panel Xm+8 (Keyswitches) Xm
  • Page 4009. CONNECTION TO FANUC I/O Link B–63523EN/03 Directly processed address by CNC (in case of FS16I, 18i, 21i) 7 6 5 4 3 2 1 0 SKIP#1 ESKIP –MIT2#1 +MIT2#1 –MIT1#1 +MIT1#1 ZAE#1 XAE#1 SKIP6#1 SKIP5#1 SKIP4#1 SKIP3#1 SKIP2#1 SKIP8#1 SKIP7#1 X0004 SKIP#1 ESKIP SKIP5#1 SKIP4#1 SKIP3#1 ZAE#1 YAE#1 XAE#1 SK
  • Page 401B–63523EN/03 9. CONNECTION TO FANUC I/O Link 9.13.6 Outline 9.13.6.1 Outline of main panel A 290 60(80)* 5 5 140 140 5 6 300 290 5 6–φ4 Note) When a low screw–fixing housing ”HIROSE FI–20–CV7” is used, the depth is 60mm. 17.6 When a usual housing is used, the depth is 80mm. 270 140 140 6–M3 290 284
  • Page 4029. CONNECTION TO FANUC I/O Link B–63523EN/03 (1) Outline of Main panel A/A1 (with back up unit) Back up unit Adapter plate B Unit=mm * When a low screw–fixing housing ”HIROSE FI–20–CV7” is used, the dimension is 60mm. When a usual housing is used, the dimension is 80mm. 386
  • Page 403B–63523EN/03 9. CONNECTION TO FANUC I/O Link 9.13.6.2 Outline of main panel B Note) When a low screw–fixing housing ”HIROSE FI–20–CV7” is used, the depth is 60mm. When a usual housing is used, the depth is 80mm. Unit=mm Panel cut drawing 387
  • Page 4049. CONNECTION TO FANUC I/O Link B–63523EN/03 9.13.6.3 Outline of sub panel A Earth stud (M4) 6–φ4 5 80 70 60 5 5 280 5 290 70 270 6–M3 140 140 70 66 274 Unit=mm Panel cut drawing 388
  • Page 405B–63523EN/03 9. CONNECTION TO FANUC I/O Link 9.13.6.4 Outline of sub panel B Earth stud (M4) Unit=mm Panel cut drawing 389
  • Page 4069. CONNECTION TO FANUC I/O Link B–63523EN/03 9.13.6.5 Outline of sub panel C Earth stud (M4) Unit=mm Panel cut drawing 390
  • Page 407B–63523EN/03 9. CONNECTION TO FANUC I/O Link 9.13.6.6 Connector locations of main panel A/A1 Earth stud (M4) CNK1 CNK2 Earth terminal (M3 Screw) Fuse (1A) Unit=mm View from rear side 391
  • Page 4089. CONNECTION TO FANUC I/O Link B–63523EN/03 9.13.6.7 Connector locations of main panel B/B1 Earth stud (M4) Earth terminal (M3 Screw) Fuse (1A) Unit=mm View from rear side 392
  • Page 409B–63523EN/03 9. CONNECTION TO FANUC I/O Link 9.13.6.8 Outline of sub panel B1 Earth stud (M4) Unit=mm Panel cut drawing 393
  • Page 4109. CONNECTION TO FANUC I/O Link B–63523EN/03 9.13.6.9 Outline of main panel A1 290 60 (80)* 5 140 140 5 6 5 300 290 5 6–φ4 Note) When a low screw–fixing housing ”HIROSE FI–20–CV7” is used, the depth is 60mm. 17.6 When a usual housing is used, the depth is 80mm. 270 140 140 6–M3 290 284 274 Panel cut
  • Page 411B–63523EN/03 9. CONNECTION TO FANUC I/O Link 9.13.6.10 Outline of main panel B1 Note) When a low screw–fixing housing ”HIROSE FI–20–CV7” is used, the depth is 60mm. When a usual housing is used, the depth is 80mm. Unit=mm Panel cut drawing 395
  • Page 4129. CONNECTION TO FANUC I/O Link B–63523EN/03 9.13.6.11 Outline of sub panel C1 M4 stud for Earth (Rear side) Unit=mm Panel cut drawing 396
  • Page 413B–63523EN/03 9. CONNECTION TO FANUC I/O Link 9.13.7 Specifications 9.13.7.1 Environmental requirement Temperature At operation 0_C to 55_C Around a unit Storing or transporting –20_C to 60_C Temperature Max. 1.1_C/min variance Humidity Normally 75% or less (Relative humidity) Short time(Within one m
  • Page 4149. CONNECTION TO FANUC I/O Link B–63523EN/03 9.13.7.3 Main panel A/B/A1/B1 specification Item Specification Note General–purpose DI points 32 points 24VDC type input General–purpose DO points 8 points 24VDC type output Keyswitches of MDI 65 keys Full alphabet key (Main panel A/A1) Keyswitches of Mac
  • Page 415B–63523EN/03 9. CONNECTION TO FANUC I/O Link 9.13.7.7 General–purpose DO signal definition Maximum load current in ON state 200mA or less Saturation voltage in ON state Max. 1V (When load current is 200mA) Withstand voltage 24V"20% or less (including momentary values) Leakage current in OFF state 20
  • Page 4169. CONNECTION TO FANUC I/O Link B–63523EN/03 9.13.8 Key Symbol Indication on Machine Operators Panel 9.13.8.1 Meaning of key symbols Symbol English Meaning of key AUTO AUTO mode selection signal; Sets automatic operation mode. EDIT EDIT mode selection signal; Sets program edit operation mode. MDI MD
  • Page 417B–63523EN/03 9. CONNECTION TO FANUC I/O Link Symbol English Meaning of key RESTART Program restart; A program may be restart at a block by specifying the sequence number of the block, after automatic operation is stopped because of a broken tool or for holidays. DRY Dryrun; Sets the axis feedrate to
  • Page 4189. CONNECTION TO FANUC I/O Link B–63523EN/03 9.13.8.2 Keyboard of machine operator’s panel has 55 keys. All key tops are Detachable key top detachable. MTB can customize keys and make his original key layout easily. And using transparent key top (optional), a film sheet with marking is inserted into
  • Page 419B–63523EN/03 9. CONNECTION TO FANUC I/O Link 9.13.9 The keyboard of this operator’s panel is a matrix composition. When three Others or more keys are pushed, the bypass current cause unrelated key to be available. This malfunction can be prevented with ladder program. One example is shown as follows
  • Page 4209. CONNECTION TO FANUC I/O Link B–63523EN/03 (Ladder operation) The following is an example ladder operation for the matrix DI consisting of 8 (bits) ( 8 (common) shown on the previous page. [1] The number of datalines where the keyinput exists is examined. Logical add R1 of the data of all addresse
  • Page 421B–63523EN/03 9. CONNECTION TO FANUC I/O Link [3] When the keyinput exists in two datalines or less, it is examined whether two or more keyinput exists on the same dataline. The data of all addresses is subtracted from logical add R1 and subtraction result R2 is obtained. There are no two or more key
  • Page 4229. CONNECTION TO FANUC I/O Link B–63523EN/03 9.13.10 Maintenance Parts Exhaustion parts Name Ordering code Remarks Fuse For Main panel A/B/A1/B1 A60L–0001–0290#LM10 Rated at 1A Repair parts Name Ordering code Remarks I/O board For Main panel A/B/A1/B1 A20B–8002–0020 Main panel A A02B–0236–C230 Main
  • Page 423B–63523EN/03 10. EMERGENCY STOP SIGNAL 10 EMERGENCY STOP SIGNAL Using the emergency stop signal effectively enables the design of safe WARNING machine tools. See ”Cautions for configuring emergency stop circuit in compliance with safety standards.” The emergency stop signal is provided to bring a ma
  • Page 42410. EMERGENCY STOP SIGNAL B–63523EN/03 Stroke end limit switch Emergency stop button +X –X +Y –Y +Z –Z +4 –4 Relay power Release switch Spark killer SK EMG Relay CNC control unit emg1 +24 *ESP αi series servo amplifier SVM (PSM) SPM emg2 +24 *ESP MCCOFF3 MCCOFF4 External power source L1 L2 L3 Spark
  • Page 425B–63523EN/03 10. EMERGENCY STOP SIGNAL Cautions for config- To configure an emergency stop circuit in compliance with JIS safety standards(*), observe the following cautions. Compliance with these JIS uring an emergency safety standards is a prerequisite for complying with the EC Machine stop circui
  • Page 42611. REMOTE BUFFER INTERFACE (INCLUDING FANUC DNC1 AND DNC2) B–63523EN/03 REMOTE BUFFER INTERFACE 11 (INCLUDING FANUC DNC1 AND DNC2) 410
  • Page 42711. REMOTE BUFFER INTERFACE B–63523EN/03 (INCLUDING FANUC DNC1 AND DNC2) 11.1 When the remote buffer is connected to the host computer or input/output device via serial interface, a great amount of data can be sent to CNC GENERAL consecutively at a high speed. RS–232–C RS–422 interface interface FIL
  • Page 42811. REMOTE BUFFER INTERFACE (INCLUDING FANUC DNC1 AND DNC2) B–63523EN/03 Explanations D Interface between the - Electrical interface remote buffer and host The following two types of interface are prepared as standard computer specifications. D RS–232–C Interface D RS–422 Interface RS–233C RS–422 Se
  • Page 42911. REMOTE BUFFER INTERFACE B–63523EN/03 (INCLUDING FANUC DNC1 AND DNC2) 11.2 REMOTE BUFFER CNC OPTION board Host computer (example) INTERFACE JD28A [JD5L] (RS–232–C) (PCR–EV20LMDETZ–SL) DBM–25S 1 RD 11 SD 1 FG 14 2 0V 12 0V 2 SD 15 3 DR 13 ER 3 RD 16 4 0V 14 0V 4 RS 17 5 CS 15 RS 5 CS 18 6 0V 16 0V
  • Page 43011. REMOTE BUFFER INTERFACE (INCLUDING FANUC DNC1 AND DNC2) B–63523EN/03 Cable wiring 1 2 RD SD 2 0V 3 20 DR ER 4 0V 5 4 CS RS 6 0V 7 8 CD CD 8 0V 9 10 +24V 11 3 SD RD 12 0V 13 6 ER DR 14 0V 15 5 RS CS 16 7 0V SG 17 18 19 1 +24V FG 20 Shield Connect CS to RS if CS is not used. However, when protocol
  • Page 43111. REMOTE BUFFER INTERFACE B–63523EN/03 (INCLUDING FANUC DNC1 AND DNC2) 11.3 REMOTE BUFFER CNC OPTION board Host computer (Example) INTERFACE (RS–422) JD6A [JD6L] 1 FG (PCR–EV20LMDETZ–SL) 20 2 21 1 RD 11 SD 3 22 *SD 2 *RD 12 *SD 4 SD 23 3 RT 13 TT 5 24 *RD 4 *RT 14 *TT 6 RD 25 *RS 5 CS 15 RS 7 RS 2
  • Page 43211. REMOTE BUFFER INTERFACE (INCLUDING FANUC DNC1 AND DNC2) B–63523EN/03 Actual example of RS–422 signal wiring Cable wiring 1 4 RD SD 2 22 *RD *SD 3 17 RT TT 4 35 *RT *TT 5 7 CS RS 6 25 *CS *RS 7 12 DM TR 9 30 *DM *TR 8 19 0V SG 10 +24V 11 6 SD RD 12 24 *SD *RD 13 8 TT RT 14 26 *TT *RT 15 9 RS CS 1
  • Page 43311. REMOTE BUFFER INTERFACE B–63523EN/03 (INCLUDING FANUC DNC1 AND DNC2) 11.4 DNC2 INTERFACE CNC OPTION board Host computer (Example) (RS–232–C) JD28A (PCR–E20LMDETZ–SL) DBM–25S 1 RD 11 SD 1 FG 14 2 0V 12 0V 2 SD 15 3 DR 13 ER 3 RD 16 4 0V 14 0V 4 RS 17 5 CS 15 RS 5 CS 18 6 0V 16 0V 6 DR 19 7 CD 17
  • Page 43411. REMOTE BUFFER INTERFACE (INCLUDING FANUC DNC1 AND DNC2) B–63523EN/03 11.5 DNC1 INTERFACE 11.5.1 Multipoint Connection CNC OPTION board Tap JD6A (PCR–E20LMDETZ–SL) (MR–20RMD) Male 1 TRD1(+) 11 TRD2(+) 1 TRD2(+) 14 8 2 TRD1(–) 12 TRD2(–) 2 TRD2(–) 15 9 3 13 3 16 10 TRD1(+) 4 14 4 17 11 TRD1(–) 5 1
  • Page 43511. REMOTE BUFFER INTERFACE B–63523EN/03 (INCLUDING FANUC DNC1 AND DNC2) 11.5.2 Point–to–point CNC OPTION board Tap Connection JD6A (PCR–E20LMDETZ–SL) (MR–20RMD) Male 1 RD 11 SD 1 SD 14 CS 8 TT 2 :RD 12 :SD 2 :SD 15 :CS 9 :TT 3 RT 13 TT 3 TR 16 10 RD 4 :RT 14 :TT 4 :TR 17 11 :RD 5 CS 15 RS 5 RS 18 R
  • Page 43612. HIGH–SPEED SERIAL BUS (HSSB) B–63523EN/03 12 HIGH–SPEED SERIAL BUS (HSSB) 420
  • Page 437B–63523EN/03 12. HIGH–SPEED SERIAL BUS (HSSB) 12.1 The high–speed serial bus (HSSB) enables the high–speed transfer of large amounts of data between a commercially available IBM PC or OVERVIEW compatible personal computer and a CNC, by connecting them via a high–speed optical fiber. On the CNC, the
  • Page 43812. HIGH–SPEED SERIAL BUS (HSSB) B–63523EN/03 12.3 CONNECTION DIAGRAM PC/AT compatible personal computer HSSB interface board on the CNC High–speed serial bus Personal computer interface board (Installed in an ISA or PCI slot) Optical fiber cable This figure is an example of connecting the I/O Link
  • Page 439B–63523EN/03 12. HIGH–SPEED SERIAL BUS (HSSB) 12.4 PERSONAL CAUTION COMPUTER 1 The machine tool builder or end user is required to procure SPECIFICATION and maintain the personal computer. 2 FANUC is not liable for any problems resulting from the operation of users’ personal computers, regardless of
  • Page 44012. HIGH–SPEED SERIAL BUS (HSSB) B–63523EN/03 12.5 INSTALLATION (1) HSSB Interface Board For Personal Computer ENVIRONMENT Operating : 0 to 55_C Ambient Temperature Non–operating : –20 to 60_C Usual : : 10 to 75% (non–condensing) Humidity Short–term (within one month) : 10 to 95% (non–condensing) If
  • Page 441B–63523EN/03 12. HIGH–SPEED SERIAL BUS (HSSB) 12.6 PROCEDURE FOR WARNING INSTALLING Before starting to mount or remove a personal computer PERSONAL interface board, switch off the personal computer and its COMPUTER peripheral devices, and disconnect their power supply INTERFACE BOARDS cables. Otherw
  • Page 44212. HIGH–SPEED SERIAL BUS (HSSB) B–63523EN/03 Personal computer interface boards A20B–8001–0583 New type 2 (When viewed from The I/O base address of the the top of the board) interface board is LMN0h(*1). The factory settings are as follows: A20B–8001–0583 L, M, N = 0, 2, 8 for channel A (COP7A) Cha
  • Page 443B–63523EN/03 12. HIGH–SPEED SERIAL BUS (HSSB) 12.7 (1) Personal computer interface board HANDLING (A) Electrostatic interference The personal computer interface board is shipped in an anti–static PRECAUTIONS bag. To store or transport the interface board, always place it in the anti–static bag. Befo
  • Page 44412. HIGH–SPEED SERIAL BUS (HSSB) B–63523EN/03 12.8 RECOMMENDED Personal computer CABLES CNC interface card interface card Optical fiber cable COP7 COP7 Compatible cables (optical fiber cables, used for interconnections) A66L–6001–0026#L_ See descriptions about standard cable lengths in Appendix D fo
  • Page 445B–63523EN/03 13. CONNECTION TO OTHER NETWORKS 13 CONNECTION TO OTHER NETWORKS The i Series CNC can be connected to the following networks. For an explanation of how to make the connection, refer to the manuals listed below: Manual title Manual code FANUC I/O Link–II Connection Manual B–62714EN FANUC
  • Page 44614. CONNECTION FOR Series 160is/180is/210is B–63523EN/03 14 CONNECTION FOR Series 160is/180is/210is 430
  • Page 447B–63523EN/03 14. CONNECTION FOR Series 160is/180is/210is 14.1 TOTAL CONNECTION DIAGRAMS 14.1.1 LCD–Mounted Type Series 160is/180is/ 210is Control Unit 160is/180is/210is control unit 24V–IN (CP1) SPDL&POS (JA41) I/O LINK (JD44A) A–OUT&HDI (JA40) The functions and connection methods of these connector
  • Page 44814. CONNECTION FOR Series 160is/180is/210is B–63523EN/03 14.1.2 CNC Display Unit for Windows (Stand–Alone Type) CNC control unit Power Supply HSSB I/F BOARD HSSB(COP7) Main board MDI MDI unit (CK1) Soft key (CK2) This cable is connected only for an MDI unit with soft keys. (The cable is supplied tog
  • Page 449B–63523EN/03 14. CONNECTION FOR Series 160is/180is/210is 14.2 INSTALLATION 14.2.1 Connector Names and Connector Layout 14.2.1.1 LCD–mounted Series 160is/180is/210is JD48 CA55 CA69 JD36A JD36B JA40 JD44A JA41 CP1 Power supply module JD38S JD38A CA75 COP10A–1/2 CNC control (Backside) (The control unit
  • Page 45014. CONNECTION FOR Series 160is/180is/210is B–63523EN/03 CP1 Connector for power supply JA41 Connector for serial spindle or position coder JD44A Connector for I/O Link JA40 Connector for analog spindle or high–speed skip JD36A/B Connector for I/O device interface (A : left side, B : right side) JD3
  • Page 451B–63523EN/03 14. CONNECTION FOR Series 160is/180is/210is 14.2.1.2 CNC display unit for Windows Fan Fan Back plane diagram CP1 CA75 CK2 JD48 COP7 COP 7 (FUSE) CD38S Soft key cable (for unit with soft keys) CP1 Connector for power supply COP7 Connector for HSSB Connector for Soft key cable (for a unit
  • Page 45214. CONNECTION FOR Series 160is/180is/210is B–63523EN/03 14.2.2 External Dimensions of the Units Mounting hole diagram (Install the unit from the outside of the cabinet.) Number of Depth D(mm) optional slot At the rear of the metal panel, the area within 8 mm of the outside edge is left unpainted. L
  • Page 453B–63523EN/03 14. CONNECTION FOR Series 160is/180is/210is 14.2.3 The control units and peripheral units offered by FANUC are designed on Environmental the assumption that they will be enclosed in a tightly closed cabinet. The cabinet can be: Conditions for Control D One that is created by the machine
  • Page 45414. CONNECTION FOR Series 160is/180is/210is B–63523EN/03 14.3 CONNECTION TO CNC PERIPHERALS 14.3.1 Main Power Input LCD–mounted Type CNC and CNC display unit for Windows CP1 1 +24V +24VDC input 2 0V 3 AMP Housing Contact LCD–mounted type 1–178288–3 1–175218–5 CNC display unit for 2–178288–3 1–175218
  • Page 455B–63523EN/03 14. CONNECTION FOR Series 160is/180is/210is 14.3.2 After the power to the CNC is turned off, the backup unit enables power to Backup Unit be supplied to the internal circuits of the CNC for a certain period of time to execute a power turn–off sequence (for allowing important data to be
  • Page 45614. CONNECTION FOR Series 160is/180is/210is B–63523EN/03 (ii) External dimensions of Backup unit Connector A D B E F C G 1 External dimensions [Unit : mm] A02B–0281– A02B–0281– H160 H161 A 198 150 B 104 104 Mounting hole diagram E C 188 139 D 7 12 E 76.5 64 F 23.5 28 G 58 58 Hole M3 M4 C diameter 44
  • Page 457B–63523EN/03 14. CONNECTION FOR Series 160is/180is/210is (iii) Mounting backup unit Install the backup unit on the rear of the MDI unit or in the pendant box where the CNC main unit is housed. Because the backup unit contains parts with limited service life, it should be installed in a place where p
  • Page 45814. CONNECTION FOR Series 160is/180is/210is B–63523EN/03 14.3.3 Ethernet Interface (10BASE–T/ CAUTION 100BASE–TX) Before attaching or removing cables, power off the CNC main unit, and confirm that the power is off. Ask the respective manufacturers for explanations about how to build a network and ab
  • Page 459B–63523EN/03 14. CONNECTION FOR Series 160is/180is/210is (2) Leading in Ethernet cables An Ethernet cable should be fixed with a clamp or the like so that pulling it will not cause tension to be applied to the connector (RJ–45) at the end of the cable. The clamp not only fixes the cable but also gro
  • Page 46014. CONNECTION FOR Series 160is/180is/210is B–63523EN/03 (4) Specification of Twisted–Pair Cable (a) Cable connection The connectors of a cable for connecting between the 10BASE–T/ 100BASE–TX interface (CD38S) and the hub have the pin arrangement shown below. CD38S HUB 1 TX+ 1 TX+ 2 TX– RJ–45 modula
  • Page 461B–63523EN/03 14. CONNECTION FOR Series 160is/180is/210is Recommended cables (for fixed parts) Manufacturer Specification Remark Furukawa Electric Co., Ltd. DTS5087C–4P Twisted wires Nissei Electric Co., Ltd. F–4PFWMF Single–wire cable NOTE These recommended cables for fixed parts must not be used fo
  • Page 46214. CONNECTION FOR Series 160is/180is/210is B–63523EN/03 (c) Connector specification An 8–pin modular connector called the RJ–45 is used with a twisted–pair cable for Ethernet interfaces. Use the connector listed below or equivalent. Manufacturer Specification Remark Connector used with cable AWG26
  • Page 463B–63523EN/03 14. CONNECTION FOR Series 160is/180is/210is Prepare ground plate like the following figure. Ground terminal (grounded) Hole for securing metal fitting clamp Mount screw hole For the ground plate, use a metal plate of 2 mm or thicker, which surface is plated with nickel. Ground 8mm plate
  • Page 46414. CONNECTION FOR Series 160is/180is/210is B–63523EN/03 (Reference) Outer drawings of metal fittings for clamp. Max. 55mm 28mm 6mm 17mm Ordering specification for metal fittings for clamp A02B–0083–K301 (20 pieces) (c) Network Installation Even when the machine satisfies its grounding requirements,
  • Page 465B–63523EN/03 14. CONNECTION FOR Series 160is/180is/210is [Large–scale network] (*1) Power supply for the HUB HUB PC and backbone cable side Electrical separation by STP cable STP cable connection with 10BASE–T/100BASE–TX Machine system side Machine Machine Machine (*1) (*1) (*1) [Small–scale network
  • Page 46614. CONNECTION FOR Series 160is/180is/210is B–63523EN/03 14.3.4 This connector (JD48) is used for a serial port and USB port on the PC Serial Port/USB Port side. 14.3.4.1 This port is used for remote debugging of application software. Serial port To use the following functions, use an RS–232–C conne
  • Page 467B–63523EN/03 14. CONNECTION FOR Series 160is/180is/210is (ii) Connection example (Example 2: Conversion to D–SUB 9–pin connector) Relay connector JD48 D–SUB 9 (example 2) 11 3 SD SD 01 2 RD RD 15 7 RS RS 05 8 CS CS 6 DR 4 ER 1 CD 9 RI 02,12, 5 0V SG 04,14 Shield Ground plate (iii) Connection example
  • Page 46814. CONNECTION FOR Series 160is/180is/210is B–63523EN/03 14.3.4.2 Use this port to connect with the USB keyboard or printer. USB port LCD–mounted Type CNC and Relay connector CNC display unit for Windows USB JD48 1 5V PCR–E20MD 2 D– 3 D+ 1 RD 11 SD 4 0V 2 0V 12 USB_0V 3 Reserve 13 Reserve 4 0V 14 Re
  • Page 469B–63523EN/03 14. CONNECTION FOR Series 160is/180is/210is 14.3.5 This is a USB–connectable FA full keyboard that can be used with the FA Full–Keyboard Series 160is/180is/210is. LCD–mounted type CNC and CNC FA full–keyboard display unit for is series CNC JD48 PCR–E20MD PCR–E20MD 1 RD 11 SD 1 Reserve 1
  • Page 47014. CONNECTION FOR Series 160is/180is/210is B–63523EN/03 (ii) External dimensions [Unit : mm] 22 280 4–M3 204 220 210 274 Mounting hole diagram 290 (iii) Current drain The keyboard is supplied with power from the USB connector (JD48) (bus–powered). It requires 400 mA (maximum) (iv) Others D No mouse
  • Page 471B–63523EN/03 14. CONNECTION FOR Series 160is/180is/210is 14.3.6 High–Speed Serial Bus (HSSB) (HSSB) [For Stand–Alone Type] HSSB interface board (CNC side) CNC display unit for Windows Optical fiber cable COP7 COP7 1) Recommended cable (optical fiber cable) A66L–6001–0026#L1R003 . . . . Cable length=
  • Page 472
  • Page 473APPENDI
  • Page 474
  • Page 475B–63523EN/03 A. EXTERNAL DIMENSIONS OF EACH UNIT A EXTERNAL DIMENSIONS OF EACH UNIT (Outline Drawings of the i Series CNC with a LCD–mounted Type Panel) Outline drawing title Specification drawing number Figure Series 16i/18i/21i 7.2″ STN A02B–0281–B500,B502,B503,B504 A02B–0281–H124 Fig.U1 control u
  • Page 476A. EXTERNAL DIMENSIONS OF EACH UNIT B–63523EN/03 (Outline Drawings of CNC display unit with PC functions) CNC display unit 10.4” TFT color A08B–0082–B001 to –B004 Fig.U12(a) with PC functions LCD panel A08B–0082–B031 to –B038 or PANEL i A08B–0193–B031 to –B038 12.1” TFT color A08B–0082–B011 to –B014
  • Page 477B–63523EN/03 A. EXTERNAL DIMENSIONS OF EACH UNIT CNC battery unit for external installation A02B–0236–C281 Fig.U29 Punch panel 1m A02B–0236–C191 Fig.U30 (narrow type) 2m A02B–0236–C192 5m A02B–0236–C193 Punch panel 1m A02B–0120–C191 Fig.U31 2m A02B–0120–C192 5m A02B–0120–C193 Distribution I/O small
  • Page 478A. EXTERNAL DIMENSIONS OF EACH UNIT B–63523EN/03 With 2 option slots Number of Depth option slots (D) (mm) 2 110 3 125 4 170 With no option slot At the rear of the metal panel, the area within 8 mm of the outside edge is Mounting left unpainted. hole diagram Install the unit from the outside of the
  • Page 479B–63523EN/03 A. EXTERNAL DIMENSIONS OF EACH UNIT With 2 option slots Number of Depth option slots (D) (mm) 2 110 3 125 4 170 With no option slot At the rear of the metal panel, the area within 8 mm of the outside edge is left unpainted. Mounting Install the unit from the hole diagram outside of the
  • Page 480A. EXTERNAL DIMENSIONS OF EACH UNIT B–63523EN/03 With 2 option slots Number of Depth option slots (D) (mm) 2 110 3 125 With no option slot 4 170 At the rear of the metal panel, the area within 8 mm of the outside edge is Mounting left unpainted. hole diagram Install the unit from the outside of the
  • Page 481B–63523EN/03 A. EXTERNAL DIMENSIONS OF EACH UNIT With 2 option slots Number of Depth option slots (D) (mm) 2 110 3 125 With no option slot 4 170 At the rear of the metal panel, the area within 8 mm of the outside edge is left unpainted. Mounting Install the unit from the hole diagram outside of the
  • Page 482A. EXTERNAL DIMENSIONS OF EACH UNIT B–63523EN/03 172 (for 3–slot type) 60 (for 1–slot type) Slot 1 Slot 3 Slot 2 Memory card Weight : For 1–slot type, 0.7 kg For 3–slot type, 1.9 kg For both types, the stated weight does not include printed–circuit boards inserted in the slots. Fig. U6 Stand–alone T
  • Page 483B–63523EN/03 A. EXTERNAL DIMENSIONS OF EACH UNIT 5 280 5 5 220 210 5 290 4–f4 4–M3 Mounting hole layout diagram (The unit shall be fastened to the cabinet from the outside.) Painting shall be masked 8 mm from the edges of the panel sheet metal on the rear surface. Paint color: Munsell code N3, mediu
  • Page 484A. EXTERNAL DIMENSIONS OF EACH UNIT B–63523EN/03 (Mounting hole layout diagram) Grounding stud (M4) Grounding stud (M4) The unit shall be fastened to the cabinet from the outside. Weight: 3.9 kg Paint color: Munsell code N3, medium gloss Fig. U8 7.2″ LCD/MDI Unit Outline Drawing (Unit applied to dis
  • Page 485B–63523EN/03 A. EXTERNAL DIMENSIONS OF EACH UNIT Mounting hole layout diagram Soft-key connector Panel cut pattern layout drawing Grounding stud (M4) The unit shall be fastened to the cabinet from the outside. Weight: 1.6 kg Paint color: Munsell code N3, medium gloss Fig. U9 7.2″ Monochrome LCD Unit
  • Page 486A. EXTERNAL DIMENSIONS OF EACH UNIT B–63523EN/03 Grounding stud (M4) (Mounting hole layout diagram) Grounding stud (M4) Paint color: Munsell code N3, medium gloss The unit shall be fastened to the cabinet from the outside. Weight: 1.3 kg Fig. U10 Stand–alone type MDI Unit (for 7.2″ Stand–alone type
  • Page 487B–63523EN/03 A. EXTERNAL DIMENSIONS OF EACH UNIT Paint color: For case, Munsell code 5GY3.5/0.5, medium gloss For panel, Munsell code N3, medium gloss Weight: 7 kg Fig. U11 Detachable 7.2″ LCD/MDI Unit (Unit applied to display link) 471
  • Page 488A. EXTERNAL DIMENSIONS OF EACH UNIT B–63523EN/03 125 (With PCI Extension Board Fitting Plate) 60 (Without PCI Extension Board Fitting Plate) 25 2 20 Upper View Paint Masking (Mounting side of this plate is unpainted in 8mm 4–φ4 width from the edge ) 290 5 Maximum PCI card defined at Connecting 4. 22
  • Page 489B–63523EN/03 A. EXTERNAL DIMENSIONS OF EACH UNIT 125 (With PCI Extension Board Fitting Plate) 60 (Without PCI Extension Board Fitting Plate) 30 2 25 Upper View Paint Masking (Mounting side of this plate is unpainted in 8mm 340 width from the edge ) 5 280 270 6–f4 57 (From the outside of the plate) 5
  • Page 490A. EXTERNAL DIMENSIONS OF EACH UNIT B–63523EN/03 125 (With PCI Extension Board Fitting Plate) 60 (Without PCI Extension Board Fitting Plate) 35 2 30 Paint Masking Upper View (Mounting side of this plate is unpainted in 8mm 400 width from the edge ) 5 155 320 155 77 (From the outside of the plate) 8–
  • Page 491B–63523EN/03 A. EXTERNAL DIMENSIONS OF EACH UNIT 24 11 33 5 130 5 5 190 69 48 30 5 4–f4 Mounting hole diagram At the rear of the metal panel, the area within 8 mm of the outside edge is left unpainted. Install the unit from the outside of the cabinet. Color : Munsell N3, semi–glossed Fig. U13 Extern
  • Page 492A. EXTERNAL DIMENSIONS OF EACH UNIT B–63523EN/03 Mounting hole diagram At the rear of the metal panel, the area within 8 mm of the outside edge is left unpainted. Install the unit from the 62 outside of the cabinet. 42 33 17 Color : Munsell N3, semi–glossed 11 Fig. U14 External dimensions of stand–a
  • Page 493B–63523EN/03 A. EXTERNAL DIMENSIONS OF EACH UNIT Mounting hole diagram At the rear of the metal panel, the area within 8 mm of the outside edge is left unpainted. Install the unit from the outside of the cabinet. 72 52 33 16 18 Color : Munsell N3, semi–glossed 11 Fig. U15 External dimensions of stan
  • Page 494A. EXTERNAL DIMENSIONS OF EACH UNIT B–63523EN/03 Mounting hole diagram At the rear of the metal panel, the area within 8 mm of the outside edge is left unpainted. Install the unit from the outside of the cabinet. 72 52 33 Color : Munsell N3, 35 semi–glossed 11 Fig. U16 External dimensions of stand–a
  • Page 495B–63523EN/03 A. EXTERNAL DIMENSIONS OF EACH UNIT 1550"40 250"40 2 290 20 60.6 220 10 6 4–φ5 5 32 a 5 a a: M5 10mm b: M5 10mm (Frame GND) 60 56 a 30 b Weight : 3.5 kg 40 a (Unit :mm) 20 Fig. U17 (a) FA Full Keyboard 10.4″ LCD Type (Specification: A02B–0236–C131#JC,A02B–0236–C131#EC) 479
  • Page 496A. EXTERNAL DIMENSIONS OF EACH UNIT B–63523EN/03 1550"40 250"40 2 340 20 60.6 220 10 6 6–φ5 5 32 a 5 a a: M5 10mm b: M5 10mm (Frame GND) 110 54 a 30 b a 40 Weight : 3.7 kg (Unit :mm) 20 Fig. U17 (b) FA Full Keyboard 12.1″ LCD Type (Specification: A02B–0236–C132#JC,A02B–0236–C132#EC) 480
  • Page 497B–63523EN/03 A. EXTERNAL DIMENSIONS OF EACH UNIT 1550"40 250"40 2 400 60.6 20 220 6–φ5 26 5 35 5.5 34 13 5 4-R5 Blank Panel 140 155 86 Hole of 179 Connector 168 27 Panel 59 b 20 80 5.5 2–φ5 Weight :3.9 kg Unpaint rear side (Unit :mm) (φ10) b: M5 10mm (Frame GND) Fig. U17 (c) FA Full Keyboard 15.0″ L
  • Page 498A. EXTERNAL DIMENSIONS OF EACH UNIT B–63523EN/03 280 - FA Full Keyboard 10.4" LCD Type 4–M3 210 HOLE 204 274 330 - FA Full Keyboard 12.1" LCD Type 6–M3 210 HOLE 204 162 324 390 - FA Full Keyboard 15.0" LCD Type 6–M3 HOLE 204 210 Note: Refer to each section of outline about panel cutting of Basic Uni
  • Page 499B–63523EN/03 A. EXTERNAL DIMENSIONS OF EACH UNIT Full Keyboard 101 key (A86L–0001–0210) (Unit : mm) (Unit : mm) Full Keyboard 106key (A86L–0001–0211) Note: These units can be used only during application development and maintenance ,and this is not dust proof. .Ambient temperature during operation i
  • Page 500A. EXTERNAL DIMENSIONS OF EACH UNIT B–63523EN/03 Cap Ball 1800"190 Name Plate of Unit (Unit : mm) Note: This unit can be used only during application development and maintenance ,and this is not dust proof. .Ambient temperature during operation is 0_C–40_C. Fig. U19 Mouse (Specification: A86L–0001–0
  • Page 501B–63523EN/03 A. EXTERNAL DIMENSIONS OF EACH UNIT 5 4–φ3.6 FDD J2 150 140 ACRYLIC WINDOW 104 J1 5 5 70 5 145 80 (Unit : mm) Fornt View Side View 4–M3 140 134 64 (HOLE) 70 Panel Cutting Mounting direction When using the floppy disk unit attached to the machine, mount the floppy disk unit in one of the
  • Page 502A. EXTERNAL DIMENSIONS OF EACH UNIT B–63523EN/03 –0582 –0583 Weight: 0.2 kg Fig. U21 (a) High–speed serial bus interface board type 2 (PC) (ISA bus version) Specification No.: A20B–8001–0583 (1 CH) A20B–8001–0582 (2 CH) 0961 0960 Fig. U21 (b) Interface Board for Personal Computer (PCI bus version) S
  • Page 503B–63523EN/03 A. EXTERNAL DIMENSIONS OF EACH UNIT 98 30 35 +0.15 31 15–0.006 14.3+0 –0.017 –0.11 2 1.15+0.14 –0 16 –0.009 50 –0.025 68 20 52 72 2 4 f5.4 Key position 5 +0012 MS3102A20–29P –0 Note: Mechanical specifications of the position coder are as follows: +0.05 3 –0 (1) Input axis inertia 1.0 ×
  • Page 504A. EXTERNAL DIMENSIONS OF EACH UNIT B–63523EN/03 MC connector: MS3102A–20–29P Fig. U22 (b) α position coder Specification No.: A860–0309–T302 (10000 min–1 maximum) 488
  • Page 505B–63523EN/03 A. EXTERNAL DIMENSIONS OF EACH UNIT 3–M4 On the f72 circumference Fig. U23 External dimensions of manual pulse generator Specification No.: A860–0203–T001 489
  • Page 506A. EXTERNAL DIMENSIONS OF EACH UNIT B–63523EN/03 A860–0203–T010 to T015 Fig. U24 External dimensions of pendant–type manual pulse generator Specification No.: A860–0203–T010 to T015 490
  • Page 507B–63523EN/03 A. EXTERNAL DIMENSIONS OF EACH UNIT COP10B COP10A CP11 JF101(JF105) JF102(JF106) JF103(JF107) JF104(JF108) JA4A The connector names in parentheses are for an expansion unit. The expansion unit does not have connectors CP11, JA4A, COP10A, and COP10B. Fig. U25 External dimensions of separ
  • Page 508A. EXTERNAL DIMENSIONS OF EACH UNIT B–63523EN/03 Negative polarity indication 103 4–M4 counter Positive polarity indication sinking Plus terminal with 3–M3 screw holes 103 Minus terminal 93 with 3–M3 screw holes FANUC 40 4–f4.3 mounting hole Arrow view A 14.1 106.3 92.2 13.2 78 78 Note) The battery
  • Page 509B–63523EN/03 A. EXTERNAL DIMENSIONS OF EACH UNIT ÁÁ 50 ÁÁ Á Á Á ÁÁ Á ÁÁ 25 25 5 5 Á ÁÁÁ ÁÁ ÁÁÁ ÁÁ ÁÁ ÁÁÁ 65 5 Á Á 32.5 1 2 3 ÁÁ ÁÁ Á 100 35 120 Fig. U27 External dimensions of tap 39.3 16.0 ÔÔÔ ÔÔÔ 47.0 ÔÔÔ Fig. U28 External dimensions of terminal resistance unit 493
  • Page 510A. EXTERNAL DIMENSIONS OF EACH UNIT B–63523EN/03 Main unit Cover 103 115 M4 tap × 4 70 81 93 5 Mounting panel hole drilling 13.5 47 Mounting hole (countersink) 145 The battery unit is fitted with a 14–m battery cable. Fig. U29 External dimensions of external CNC battery unit 494
  • Page 511B–63523EN/03 A. EXTERNAL DIMENSIONS OF EACH UNIT Mounting hole diagram At the rear of the metal panel, the area within 8 mm of the outside edge is left unpainted. Fig. U30 External dimensions of punch panel (narrow type) 495
  • Page 512A. EXTERNAL DIMENSIONS OF EACH UNIT B–63523EN/03 Painting shall be masked 8 mm from the edges of the panel sheet metal on the rear surface. The following is the panel cut layout drawing of this punch panel. 115 100 20 2–M3 Fig. U31 Punch Panel (Narrow Type) Specification No.: A02B–0120–C191 (cable l
  • Page 513B–63523EN/03 A. EXTERNAL DIMENSIONS OF EACH UNIT Panel cutting drawing Protection grounding stud (M4, back side) This metal plate can be removed. At the rear of the metal panel, the area within 8 mm of the outside edge is left unpainted. Install the unit from the outside of the cabinet. Color : Muns
  • Page 514A. EXTERNAL DIMENSIONS OF EACH UNIT B–63523EN/03 Panel cutting drawing Protection grounding stud (M4, back side) This metal plate can be removed. At the rear of the metal panel, the area within 8 mm of the outside edge is left unpainted. Install the unit from the Color : Munsell N3, semi–glossed out
  • Page 515B–63523EN/03 A. EXTERNAL DIMENSIONS OF EACH UNIT The back of the metal plate is masked, 8 mm wide along the Mounting hole diagram outside edge, to prevent painting. Up Protective grounding stud (M4) Weight: 2.0kg Fig. U34 61–key MDI unit (vertical type) 499
  • Page 516A. EXTERNAL DIMENSIONS OF EACH UNIT B–63523EN/03 The back of the metal plate is masked, 8 mm wide along the Mounting hole diagram outside edge, to prevent painting. Up Protective grounding stud (M4) Weight: 1.7kg Fig. U35 61–key MDI unit (horizontal type) 500
  • Page 517B–63523EN/03 Protective Blank panel An outline drawing of the blank panel is given in Fig. U38. grounding stud (M4) The back of the metal plate is masked, 8 mm wide along the outside edge, to prevent painting. 501 Up Fig. U36 61–key MDI unit (vertical type) Connector panel Weight: 2.0kg A. EXTERNAL
  • Page 518Protective The back of the metal plate is masked, 8 mm wide along the outside edge, to prevent painting. grounding stud (M4) A. EXTERNAL DIMENSIONS OF EACH UNIT Up 502 Fig. U37 61–key MDI unit (horizontal type) Blank panel Connector panel An outline drawing of the blank panel is given in Fig. U38. W
  • Page 519B–63523EN/03 The back of the blank panel is masked, with a diameter of 10. 503 Fig. U38 Blank panel The hatched portion is an opening of the connector panel. A. EXTERNAL DIMENSIONS OF EACH UNIT
  • Page 520Note) On the back of the plate attached to the panel, coating is masked around the peripheral area with a width of 8 mm. Install the unit from the outside of the cabinet. This plate is removable. Mounting hole diagram A. EXTERNAL DIMENSIONS OF EACH UNIT 504 Fig. U39 Distributed I/O machine operator’
  • Page 521B–63523EN/03 A. EXTERNAL DIMENSIONS OF EACH UNIT Refer to Fig.U34 about panel cutting. b: M5 10mm (Frame GND) 2 10.7 50.5 290 43.5 220 40 24.5 45.5 14.5 9 42.4 70max. 5 9 5 * The depth dimension assumes that the HDD unit is installed. 65 51.8 87.6 83.1 63 b 34 54 177 35 69 79 Fig. U40(a) Stand–alone
  • Page 522A. EXTERNAL DIMENSIONS OF EACH UNIT B–63523EN/03 Refer to Fig.U35 about panel cutting. b: M5 10mm (Frame GND) 2 10.7 230 50.5 43.5 220 40 24.5 45.5 14.5 4–f4 9 42.4 5 9 70max. 5 * The depth dimension assumes that the HDD unit is installed. 35 21.8 57.6 53.1 63 b 16 24 177 18 39 79 Fig. U40(b) Stand–
  • Page 523B–63523EN/03 A. EXTERNAL DIMENSIONS OF EACH UNIT Connectors Fig. title Specification No. Fig. No. PCR connector (soldering type) PCR–E20FS Fig.C1 (a) FI40 connector FI40–2015S Fig.C1 (b) Connector case (HONDA PCR type) PCR–V20LA/PCR–V20LB Fig.C2 (a) Connector case (HIROSE FI type) FI–20–CV Fig.C2 (b
  • Page 524A. EXTERNAL DIMENSIONS OF EACH UNIT B–63523EN/03 TYPE : HONDA PCR–E20FS (SOLDERING TYPE) USAGE : GENERAL MATING HOUSING : HONDA PCR–V20LA (PLASTIC) A n 2 1.27 1 7.3 n n)1 2 Display 7 HONDA 15.1 1.27 B A B PCR–E20FS 21.65 11.43 Fig. C1 (a) PCR connector (soldering type) 508
  • Page 525B–63523EN/03 A. EXTERNAL DIMENSIONS OF EACH UNIT TYPE : HIROSE FI40–2015S USAGE : PULSE CODER INTERFACE LINEAR SCALE INTERFACE MPG INTERFACE MATING/HOUSING : HIROSE FI–20–CV 16.25 15_ 11.43 1.27 Note This connector does not 10 9 8 7 6 5 4 3 2 1 have contacts for positions 5.5 11,13,15,17, and 19. 2.
  • Page 526A. EXTERNAL DIMENSIONS OF EACH UNIT B–63523EN/03 TYPE : HONDA PCR–V20LA (for 6 dia. cable) USAGE : GENERAL 9.5 21 11.4 (1) HONDA (2) 37 30 (3) (6) (5) (4) (1) (2) Case (3) Cable clamp (4) Lock bracket (5) Lock lever (6) Set screw for cable clamp Fig. C2 (a) Connector case (HONDA PCR type) 510
  • Page 527B–63523EN/03 A. EXTERNAL DIMENSIONS OF EACH UNIT TYPE : HIROSE FI–20–CV USAGE : PULSE CODER INTERFACE LINEAR SCALE INTERFACE MANUAL PULSE GENERATOR INTERFACE (1) (2) Case (3) Lock bracket (4) Lock lever (5) Cable clamp (6) Set screw for cable clamp 21±0.3 11.5±0.3 9.5±0.2 (5) (6) (4) 37"0.5 17.5"0.3
  • Page 528A. EXTERNAL DIMENSIONS OF EACH UNIT B–63523EN/03 TYPE : FUJITSU FCN–240C20–Y/S (for 5.8 dia. cable) USAGE : GENERAL 9.5 21 11.4 (2) F C020–02 37 30 Cable clamp Screw Lock lever Fig. C2 (c) Connector case (FUJITSU FCN type) 512
  • Page 529B–63523EN/03 A. EXTERNAL DIMENSIONS OF EACH UNIT Fig. C2 (d) Connector case (PCR type (Hirose Electric)) 513
  • Page 530A. EXTERNAL DIMENSIONS OF EACH UNIT B–63523EN/03 TYPE : AMP1–178128–3 (25.5) Circuit No. DIMENSION 3 2 1 AMP D–3 X 22.8 16.3 19.24 10.16 0.6 5.08 3.1 4.05 6.55 7.15 3 2 1 Circuit No. Fig. C3 (a) AMP connector (1) 514
  • Page 531B–63523EN/03 A. EXTERNAL DIMENSIONS OF EACH UNIT TYPE : AMP2–178128–3 Circuit No. (29.7) DIMENSION 3 2 1 AMP D–3 22.8 " 0.3 Y 16.3" 0.3 (19.24) 0.6 " 0.3 10.16 5.08 " 0.3 " 0.3 3.1 4.05 6.55 7.15 3 2 1 Cricuit No. Fig. C3 (b) AMP connector (2) 515
  • Page 532A. EXTERNAL DIMENSIONS OF EACH UNIT B–63523EN/03 TYPE : AMP1–178288–3 USAGE : POWER SUPPLY UNIT CP1A 3 +24V INPUT 2 0V 1 +24V (22.96) Circuit No. DIMENSION 3 2 1 AMP D–3 X 22.8 16.3 16.7 7.62 0.6 3.81 3.1 4.05 6.55 7.15 3 2 1 Circuit No. Fig. C3 (c) AMPconnector (3) 516
  • Page 533B–63523EN/03 A. EXTERNAL DIMENSIONS OF EACH UNIT TYPE : AMP2–178288–3 USAGE : POWER CP1B 3 +24V OUTPUT 2 0V 1 +24V DIMENSION Circuit No. 0.6 6.55 7.15 3 2 1 Circuit No. Fig. C3 (d) AMP connector (4) 517
  • Page 534A. EXTERNAL DIMENSIONS OF EACH UNIT B–63523EN/03 SEPARATE : AMP1–175218–2(Gold coated) AMP1–175218–5(Tin coated) REEL : AMP1–175196–2(Gold coated) AMP1–175196–5(Tin coated) WIRE : AWG 16, 18, 20 (21.8) A–A ±0.4 2.9 2.9 " 0.5 1 In case of reel ±0.5 3 B–B 17.8 ±0.4 4.2 (9.3) (2.5) B ±0.2 A 2.9 " 0.5 "
  • Page 535B–63523EN/03 A. EXTERNAL DIMENSIONS OF EACH UNIT (2) (4) (1) (3) C (5) A (D) (B) Symbol Number of Specification A (B) C (D) terminals MR–20LMH (Plug) 39.3 44.9 39.8 17 20 MR–20LFH (Jack) MR–50LMH (Plug) 67.9 73.5 44.8 18 50 MR–50LFH (Jack) Symbol Name Outer diameter of the cable 1 Connector cover MR
  • Page 536A. EXTERNAL DIMENSIONS OF EACH UNIT B–63523EN/03 External dimensions of 50–pin connector Fig. C4 (b) Honda connector (angled–type case) 520
  • Page 537B–63523EN/03 A. EXTERNAL DIMENSIONS OF EACH UNIT 2–M2 13 A B (1) 2.4 18.1 6 (2) 8.5 (3) 14 15 16 17 18 19 20 HONDA 8 9 10 11 12 13 1 2 3 4 5 6 7 Number of A B terminals MR–20RMH 32.8 27.8 20 MR–50RHF 61.4 56.4 50 Symbol Name 1 Cable clamp 2 Screw 2.6dia.×8 3 Connector (MR–20,–50MH) Fig. C4 (c) HONDA
  • Page 538A. EXTERNAL DIMENSIONS OF EACH UNIT B–63523EN/03 2–M2 13 B A (1) 2.4 19.9 8.4 10.9 (2) (3) 1 2 3 4 5 6 7 HONDA 8 9 10 11 12 13 14 15 16 17 18 19 20 Number of A B terminals MR–20RMH 32.8 27.8 20 MR–50RMH 61.4 56.4 50 Symbol Name 1 Cable clamp 2 Screw 2.6dia.×8 3 Connector ( MR–20,– 50FH) Fig. C4 (d)
  • Page 539B–63523EN/03 A. EXTERNAL DIMENSIONS OF EACH UNIT 33 34 35 36 37 38 39 40 41 42 43 44 45 46 47 48 49 50 HONDA MR–50MH 19 20 21 22 23 24 25 26 27 28 29 30 31 32 (50–core,plug) 1 2 3 4 5 6 7 8 9 10 11 12 13 14 15 16 17 18 1 2 3 4 5 6 7 8 9 10 11 12 13 14 15 16 17 18 MR–50FH HONDA 19 20 21 22 23 24 25 2
  • Page 540A. EXTERNAL DIMENSIONS OF EACH UNIT B–63523EN/03 19.06" 0.2 3 5.08 32 max. 2 1 6 ±0.2 7.7 30 Manufacturer : Burndy Japan Corp. Specification Name (Connector maker Remarks number) Connector housing for cable SMS3PNS–5 Brown For details on tools (Crimp type) RC16M–23T3 required for crimp Contact termi
  • Page 541B–63523EN/03 A. EXTERNAL DIMENSIONS OF EACH UNIT CONNECTOR FOR FLAT CABLE (HIROSE ELEC. CO.) Specification HIROSE ELEC. CO. HIF3BB–50D–2. 54R (50contacts) HIF3BB 15.6 14.4 1.27 1.27 1.09 1.27 Section A–A’ Section B–B’ ASS’Y DIAGRAM MAIN BODY PROTECTOR CRAMP A A A 6.0 2.54 A A’ B D 3.6 6.0 6.0 1.27 2
  • Page 542A. EXTERNAL DIMENSIONS OF EACH UNIT B–63523EN/03 +0.2 18 2 (pitch) ±0.15 13 0 20.5 –0.3 +0.3 21.6 0 Fig. C7 (a) Connector (Japan Aviation Electronics)(for MDI) 526
  • Page 543B–63523EN/03 A. EXTERNAL DIMENSIONS OF EACH UNIT Section A–A Contact position Detailed contact diagram Excluding the crimp terminal Product name Fig. C7 (b) Contact (Japan Aviation Electronics)(for MDI) 527
  • Page 544A. EXTERNAL DIMENSIONS OF EACH UNIT B–63523EN/03 H J A 53.0 D 7.8 G 10.7 B 38.3 E 12.6 H 1.2 C 47.0 F 41.3 J 0.8 A C A–A cross section B F A 10 E D G 6.1 10 A 10 2–3.05f 10.8 Fig. C8 (a) Punch panel connector for reader/puncher interface Small round M2.6 P0.45 screw Interlock screw head screw 1.2gro
  • Page 545B–63523EN/03 A. EXTERNAL DIMENSIONS OF EACH UNIT Honda MR type, 50 pins, male, connection printed circuit board soldering type connector Type No. Honda Tsushin Kogyo Co., Ltd. MRH–50FD Pin configuration of Honda MR connector, 50 pins, male 19 Viewed from the connector side Fig. C9 Honda connector 52
  • Page 546A. EXTERNAL DIMENSIONS OF EACH UNIT B–63523EN/03 Type: AMP 178214–1 Application: Used for the loader I/O board Dimensions: Fig. C10 AMP connector Type: Faston terminal Use: Frame grounding Applicable housing: 170604–1 manufactured by AMP Japan, Ltd. or FVDDF2–250 TYPE I (blue) manufactured by Japan
  • Page 547B–63523EN/03 B. 20–PIN INTERFACE CONNECTORS AND CABLES B 20–PIN INTERFACE CONNECTORS AND CABLES 531
  • Page 548B. 20–PIN INTERFACE CONNECTORS AND CABLES B–63523EN/03 B.1 This section provides supplementary information about the recommended (FANUC–approved) 20–pin interface connectors used OVERVIEW with the following target model. B.2 FANUC i series ADDITIONAL TARGET MODEL B.3 BOARD–MOUNTED CONNECTORS B.3.1 M
  • Page 549B–63523EN/03 B. 20–PIN INTERFACE CONNECTORS AND CABLES B.4 Cable connectors consist of a connector main body and housing. The models listed below are available. Those connectors not marked with an CABLE asterisk are currently being mass–produced as manufacturer’s standard CONNECTORS models. Those ma
  • Page 550B. 20–PIN INTERFACE CONNECTORS AND CABLES B–63523EN/03 Cable Connectors Strand wire press–mount connector : With this connector, #28AWG wires are press–connected to each pin at the same time. The cost of producing a cable/connector assembly with this connector model is much lower than with connector
  • Page 551B–63523EN/03 B. 20–PIN INTERFACE CONNECTORS AND CABLES Connector model Housing model (applicable cable diameter) D FI40B–2015S FI–20–CV (8.5 mm in diameter) only (formerly FI40–2015S) D FI40–20S FI–20–CV2 (f6.2mm) Those listed FI40B–20S FI–20–CV5 (f9.2mm) on the left (formerly FI40A–20S) can be FI–2
  • Page 552B. 20–PIN INTERFACE CONNECTORS AND CABLES B–63523EN/03 B.5 RECOMMENDED CONNECTORS, APPLICABLE HOUSINGS, AND CABLES Table B.5 Recommended connectors, applicable housings, and cables Connector name FANUC–approved FANUC–approved Compatible cable (cable diameter) Remark referenced in the connector housi
  • Page 553B–63523EN/03 B. 20–PIN INTERFACE CONNECTORS AND CABLES Press–mount type connector assembly tools and jigs Connector model FANUC–approved Wire forming tool Press–mounting Remark referenced in the connector tool Connection Manual (manufacturer) PCR–E20FA PCR–E20FA PCS–K2A FHPT–918A Low cost (Honda Tsu
  • Page 554B. 20–PIN INTERFACE CONNECTORS AND CABLES B–63523EN/03 Materials for cable Machine tool builders are required to manufacture or procure the assemblies materials for the cable assemblies to be used with their products. FANUC recommends the following materials as being suitable for interface connector
  • Page 555B–63523EN/03 B. 20–PIN INTERFACE CONNECTORS AND CABLES 10–pair cable (a) Specifications Item Unit Specifications Product No. – A66L–0001–0284#10P Manufacturer Hitachi Cable,Ltd. Oki Electric Cable, Co.,Ltd. Rating – 60°C 30V:UL2789 80°C 30V:UL80276 Material Conductor – Stranded wire of tinned anneal
  • Page 556B. 20–PIN INTERFACE CONNECTORS AND CABLES B–63523EN/03 (b) Cable structure Wire identification table (Hitachi) Insulator color Wire No. First Second wire wire 1 Twisted 1 Blue White 10 2 pair wire 2 Yellow White 5 Binding 3 Green White 9 3 tape 4 Red White 6 Shield braid 5 Purple White 8 4 Sheath 6
  • Page 557B–63523EN/03 B. 20–PIN INTERFACE CONNECTORS AND CABLES Composite 12–core (a) Specifications cable Item Unit Specifications Product No. – A66L–0001–0286 Manufacturer – Oki Cable, Ltd. Hitachi Electric Cable Co., Ltd. Rating – 80°C, 30V Material Conductor,braid–shielded – Strand wire of tinned anneale
  • Page 558B. 20–PIN INTERFACE CONNECTORS AND CABLES B–63523EN/03 Item Unit Specifications Sheath Color – Black Standard thickness (The mm 1.1 minimum thickness is at least 85% of the standard thickness.) Outside diameter mm 8.5Max. 9.0(1) Standard length m 100 Packing method – Bundle Electrical Electric resis
  • Page 559B–63523EN/03 B. 20–PIN INTERFACE CONNECTORS AND CABLES (c) Specifications Item Specification FANUC specification number A66L–0001–0402 A66L–0001–0403 Manufacturer Oki Electric Cable Co., Ltd. A–conductor B–conductor A–conductor B–conductor Conductor Constitution 16/0.12 3/22/0.12 16/0.12 7/16/0.12 N
  • Page 560B. 20–PIN INTERFACE CONNECTORS AND CABLES B–63523EN/03 Item Specification FANUC specification number A66L–0001–0402 A66L–0001–0403 Manufacturer Oki Electric Cable Co., Ltd. A–conductor B–conductor A–conductor B–conductor Finished Rating 80_C 30V assembly performance Standard Shall comply with UL STY
  • Page 561B–63523EN/03 B. 20–PIN INTERFACE CONNECTORS AND CABLES 5–core coaxial cable D Specifications Item Unit Description Specification – A66L–0001–0371 Manufacture – HITACHI CABLE CO., LTD. Number of Conductors Core 5 Inside Con- Size mm2 0.14 ductor Components Conduc- 7/0.16 tors (PCS)/m m Material – Tin
  • Page 562B. 20–PIN INTERFACE CONNECTORS AND CABLES B–63523EN/03 Red Red Black Green Green Black White Blue White Blue An example of circuit testing 20–pin interface cable . . . Ω Resistor Check . every pin . . Cable (20–pin interface connector) PCB connector PCR–E20LMD–SL (Honda) 546
  • Page 563B–63523EN/03 C. CONNECTION CABLE (SUPPLIED FROM US) C CONNECTION CABLE (SUPPLIED FROM US) Maximum allowable cable length between units Maximum Cable type Use and condition cable length (m) MDI cable Control unit–to–MDI unit 50 m I/O Link cable Electrical cable 10 m Note 2 Electrical–to–optical conve
  • Page 564C. CONNECTION CABLE (SUPPLIED FROM US) B–63523EN/03 Purpose Description Specification Length Spindle signal PCR–E20FA cable (when 3 or 4 serial A02B– spindles are 0236– 5m connected) K845 Electrical–to–electr FI–20–CV7 ical Spindle signal cable PCR–E20FA (when 3 or 4 serial spindles are A02B– connec
  • Page 565B–63523EN/03 C. CONNECTION CABLE (SUPPLIED FROM US) Purpose Description Specification Length Manual pulse generator cable (for one unit) FI40–2015S A02B– Control unit (JA3) 0120– 7m á K847 Manual pulse M3 crimp style terminal generator terminal board Manual pulse generator cable (for two units) FI40
  • Page 566C. CONNECTION CABLE (SUPPLIED FROM US) B–63523EN/03 Purpose Description Specification Length Serial spindle signal cable A02B– Control unit (JA41) 0236– 1m á K844 Electric/optical PCR–E20FA converter Serial spindle signal cable A02B– Control unit (JA41) 0236– 5m á K810 a series amplifier PCR–E20FA (
  • Page 567B–63523EN/03 D. OPTICAL FIBER CABLE D OPTICAL FIBER CABLE The i Series CNC uses optical fiber cables for the following interfaces. This table lists the usable combinations. Interface Recommended Maximum allowable Applicable junc- Remark optical cable transmission distance tion adapter Serial spindle
  • Page 568D. OPTICAL FIBER CABLE B–63523EN/03 Notes on the (1) Supported optical fiber cables specifications of optical (a) Internal cord type cable: A66L–6001–0023#LjRjjj fiber cable C Cable length: 0.15 to 10 m Code diameter: 2.2 mm × 2 cords Tensile strength: Optical fiber cord 7 kg per cord Between optica
  • Page 569B–63523EN/03 D. OPTICAL FIBER CABLE Table D.1 Standard cable length Internal cord type cable External cable A66L–6001–0023# A66L–6001–0026# Specification Length Specification Length L150R0 0.15 m L1R003 1.0 m L300R0 0.3 m L2R003 2.0 m L500R0 0.5 m L3R003 3.0 m L1R003 1.0 m L5R003 5.0 m L2R003 2.0 m
  • Page 570D. OPTICAL FIBER CABLE B–63523EN/03 3. Procuring the cable All the optical fiber cables mentioned above are special cable products with optical connectors, which are designed, produced, and tested to ensure the required system performance and reliability. It is technically impossible for users to pr
  • Page 571B–63523EN/03 D. OPTICAL FIBER CABLE Electrical/optical conversion module Lid Optical fiber cable Optical fiber cable caps Fig. D.3 Protection of electrical/optical conversion module and optical fiber cable (when not in use) (2) Optical fiber cable • Make sure that the bending radius and tensile stre
  • Page 572D. OPTICAL FIBER CABLE B–63523EN/03 pull it. Because the combined tensile strength of the two cords is only 14 kg, however, avoid applying too great a force to the cable during installation, regardless of whether you have taken the protective measures. Optical connector Reinforcing cover Optical con
  • Page 573B–63523EN/03 D. OPTICAL FIBER CABLE Reinforcing cover of external Optical connector Optical fiber cord cable or cord binding portion of internal cord type cable Bending radius of 25 mm or more (Make the bending radius as large as possible.) Bending radius of 50 mm or more (for reinforcing cover) Cab
  • Page 574D. OPTICAL FIBER CABLE B–63523EN/03 5. Optical fiber cable relay When used for the FANUC I/O Link application, optical fiber cables can be connected by using an optical fiber adapter, as follows. (a) External view of an optical fiber adapter 32"0.3 10.16 R1.6 6.6 8.2 21"0.5 3.2 42"0.5 18.2"0.5 2.2 (
  • Page 575B–63523EN/03 D. OPTICAL FIBER CABLE 6. Optical fiber cable relay of FANUC high–speed serial bus With the FANUC high–speed serial bus, special low–loss optical cables can be connected by using a special low–loss optical relay adapter as an optical fiber relay adapter. (a) External view of the low–los
  • Page 576D. OPTICAL FIBER CABLE B–63523EN/03 7. Precautions for connection with low–loss optical junction adapter D Features of and handling precautions for low–loss optical junction adapter (A63L–0020–0004) When optical connectors for a conventional optical junction adapter (A63L–0020–0002) are jointed, the
  • Page 577B–63523EN/03 D. OPTICAL FIBER CABLE 8. Installing the optical fiber junction adapter The optical fiber junction adapter should be installed within a cabinet, as a rule. If it is impossible to avoid installing it within a cabinet, protect the adapter and the optical cable portions (such as connectors
  • Page 578D. OPTICAL FIBER CABLE B–63523EN/03 D Cleaning optical cables For the optical cables, it is important to clean the connectors at their ends. Any soiling on the optical fiber end surfaces will hamper optical transmission, resulting in a malfunction. Wipe the optical fiber end surfaces (that is, the f
  • Page 579B–63523EN/03 E. LIQUID CRYSTAL DISPLAY (LCD) E LIQUID CRYSTAL DISPLAY (LCD) Brightness of the When the ambient temperature is low, the brightness of the LCD monochrome LCD decreases. (The LCD screen is dark particularly immediately after the power is turned on.) This phenomenon is not a failure but
  • Page 580E. LIQUID CRYSTAL DISPLAY (LCD) B–63523EN/03 <6> With a dry soft cloth, wipe off moisture completely. 2) Applying the protection sheet 2–1) For A02B–0236–K110 <1> Fold the tab over the front side (the side opposite to the backing sheet). Fold <2> Peel off the backing sheet. <3> Position the sheet, t
  • Page 581B–63523EN/03 E. LIQUID CRYSTAL DISPLAY (LCD) 2–2) For A02B–0236–K130 Peel off the white film attached on the back (facing the LCD) of the new protection sheet. Attach the protection sheet so that it is to the lower–left of the replacement tab. At this time, align the overhang edge at bottom of the e
  • Page 582F. MEMORY CARD INTERFACE B–63523EN/03 F MEMORY CARD INTERFACE Overview Using the memory card interface located on the left side of the LCD, input/output of data inside the CNC and remote diagnosis using a modem card can be performed. This appendix describes the memory card interface for data input/o
  • Page 583B–63523EN/03 F. MEMORY CARD INTERFACE Memory card capacity The capacity of a memory card usually indicates an unformatted capacity. After formatting, the usable capacity decreases slightly. So, a memory card with a capacity larger than the size of data and programs actually stored needs to be prepar
  • Page 584F. MEMORY CARD INTERFACE B–63523EN/03 Names and functions of components Write protect switch Battery case Name Function 1 Write protect Writing to the memory card can be disabled by setting the switch write protect switch. Writing is enabled. Writing is disabled. 2 Battery case A battery for data ba
  • Page 585B–63523EN/03 F. MEMORY CARD INTERFACE Battery holder replacement 1) By replacing the battery holder, the user can use SRAM memory cards that used the previous batteries (CR2325 and BR2325) with the new battery (CR2025). 2) The battery holder set for CR2025 is available from shops handling Fujitsu el
  • Page 586F. MEMORY CARD INTERFACE B–63523EN/03 ATA CARD 1. Overview Flash ATA card (5 V version) can also be used for data input/output. Because the flash ATA card incorporates a storage device and controller, it enables data input/output for a personal computer equipped with a PCMCIA interface without using
  • Page 587B–63523EN/03 F. MEMORY CARD INTERFACE 3. Flash ATA cards whose normal operation has been confirmed The following table shows that the ATA Flash cards which are confirmed to be worked on the Series 16i/18i/21i–MODEL B(note 1) by FANUC. (for February, 2001) The marks on the table mean bellow. Availabl
  • Page 588F. MEMORY CARD INTERFACE B–63523EN/03 Purpose For automatic Vendor Specification Capacity Remarks For Data operation For Data Input/Output from PCMCIA server port. HB286008A3 8MB Available Available — No production HB286015A3 15MB Available Available — No production HB286030A3 30MB Available Availab
  • Page 589B–63523EN/03 F. MEMORY CARD INTERFACE NOTE 1 If a card other than the above is used, the operation is not guaranteed. 2 The cards for 3.3 V cannot be used. 3 The cards for 5 and 3.3 V (automatic switching) can be used only for the i Series. For a CNC other than the i Series, such a card can be inser
  • Page 590
  • Page 591B–63523EN/03 Index [Symbols] Cable for Power Supply to Control Unit, 65 Cable Length for Manual Pulse Generator, 234 +24V Input Power Specifications, 60 Cabling Diagram, 55 Centronics Parallel Port, 191 [Numbers] CNC display unit for Windows, 435 CNC Display Unit for Windows (Stand–Alone Type), 20–p
  • Page 592Index B–63523EN/03 Connection of Operator’s Panel I/O Module (for Ma- trix Input), 247 [D] Design and Installation Conditions of the Machine Connection of Operator’s Panel I/O Module and Pow- Tool Magnetic Cabinet, 33 er Magnetics Cabinet I/O Module, 265 Detachable key top, 402 Connection of Power S
  • Page 593B–63523EN/03 Index FANUC I/O Link Connection Unit, 322 Interface to the Servo Amplifiers, 148 Floppy Disk Drive (Signal and Power Supply), 184 Interface to the servo amplifiers, 148 Function Overview, 282 Interfacing with servo amplifiers (for high–speed HRV function), 148 Fuse Mounting Position, 30
  • Page 594Index B–63523EN/03 [N] Power Supply for the Control Unit, 58 Power Supply Specification, 177 Network Installation, 127 Power supply specification, 398 Noise Suppressor, 47 Power–off Sequence, 64 Notes on Installing a Separate Detector Interface Unit, 164 Power–on Sequence, 63 Procedure for Installin
  • Page 595B–63523EN/03 Index Sub panel A/B/B1/C/C1 specification, 398 Typewriter–style Keyboard, 188 System Configuration, 284 [U] [T] Units that Can be Connected Using FANUC I/O Link, 213 Temperature Rise within the Cabinet, 35 USB port, 452 Thermal Design of Operator’s Panel, 39 Thermal Design of the Cabine
  • Page 596
  • Page 597Revision Record FANUC Series 16i/160i/160is/18i/180i/180is/21i/210i/210is–MODEL B CONNECTION MANUAL (HARDWARE) (B–63523EN) D Addition of Series 160is/180is/210is (Chapter 14) 03 Oct., 2001 D Addition of Series 18i/180i/180is–MB5 D Correction of errors D Addition of Stand–alone type i series CNC 02 J
  • Page 598
  • Page 599TECHNICAL REPORT (MANUAL) NO.TMN 03/ 062E Date General Manager of Hardware Laboratory FANUC Series 16i/160i/160is/18i/180i/180is/21i/210i/210is-MODEL B The additional matter of CONNECTION MANUAL (HARDWARE) 1. Communicate this report to : ○ Your information ○ GE Fanuc-N, GE Fanuc-E FANUC Robotics MIL
  • Page 600FANUC Series 16i/160i/160is/18i/180i/180is/21i/210i/210is-MODEL B The additional matter of CONNECTION MANUAL (HARDWARE) 1. Type of applied technical documents Name FANUC Series 16i/160i/160is/18i/180i/180is/21i/210i/210is-MODEL B CONNECTION MANUAL (HARDWARE) Spec.No./Version B-63523EN/03 2. Summary
  • Page 6011 Outline This report describes additional information of symbol & English key type MDI unit for FANUC Series 16i/160i/160is/18i/180i/180is/21i/210i/210is-MODEL B. (*) 2 Specification of MDI unit MDI unit(compact keys, 200×140mm) Lathe series(T series) A02B-0281-C120#TBE Machine center series(M seri
  • Page 6023 Additional matter The following descriptions are added in 5.1.4. Compact keys for lathe series (T series) Symbol & English Compact keys for Machine center (M series) Symbol & English TITLE The additional matter of 16i/160i/160is/18i/180i/180is/21i/210i/210 is-MODEL B CONNECTION MANUAL DRAW. NO. CU
  • Page 603Standard keys for lathe series (T series) Symbol & English Compact keys for Machine center (M series) Symbol & English TITLE The additional matter of 16i/160i/160is/18i/180i/180is/21i/210i/210 is-MODEL B CONNECTION MANUAL DRAW. NO. CUST. 01 03.07.17 Hada B-63523EN/03-02 SHEET EDIT. DATE DESIG. DESCR
  • Page 6044 Reference MDI unit(compact keys, 200×140mm) TITLE The additional matter of 16i/160i/160is/18i/180i/180is/21i/210i/210 is-MODEL B CONNECTION MANUAL DRAW. NO. CUST. 01 03.07.17 Hada B-63523EN/03-02 SHEET EDIT. DATE DESIG. DESCRIPTION 迨迨 F A N U C LTD 5/ 8
  • Page 605MDI unit(standard keys, 200×260mm) TITLE The additional matter of 16i/160i/160is/18i/180i/180is/21i/210i/210 is-MODEL B CONNECTION MANUAL DRAW. NO. CUST. 01 03.07.17 Hada B-63523EN/03-02 SHEET EDIT. DATE DESIG. DESCRIPTION 迨迨 F A N U C LTD 6/ 8
  • Page 606MDI unit(standard keys, horizontal type, 220×230mm) TITLE The additional matter of 16i/160i/160is/18i/180i/180is/21i/210i/210 is-MODEL B CONNECTION MANUAL DRAW. NO. CUST. 01 03.07.17 Hada B-63523EN/03-02 SHEET EDIT. DATE DESIG. DESCRIPTION 迨迨 F A N U C LTD 7/ 8
  • Page 607MDI unit(standard keys, vertical type, 220×290mm) TITLE The additional matter of 16i/160i/160is/18i/180i/180is/21i/210i/210 is-MODEL B CONNECTION MANUAL DRAW. NO. CUST. 01 03.07.17 Hada B-63523EN/03-02 SHEET EDIT. DATE DESIG. DESCRIPTION 迨迨 F A N U C LTD 8/8
  • Page 608TECHNICAL REPORT (MANUAL) NO.TMN 05/046E Date: 24 May, 2005 General Manager of CNC Laboratory Explanation Addition in FANUC Series 16i/160i/160is/18i/180i/180is/21i/210i/210is-MODEL B CONNECTION MANUAL (Hardware) (B-63523EN/03) 1. Communicate this report to: Your information GE Fanuc-N, GE Fanuc-E F
  • Page 609Explanation Addition in FANUC Series 16i/160i/160is/18i/180i/180is/21i/210i/210is-MODEL B CONNECTION MANUAL (Hardware) (B-63523EN/03) 1. Type of applied technical documents FANUC Series 16i/160i/160is/18i/180i/180is/21i/210i/210is-MODEL B Name CONNECTION MANUAL (Hardware) Spec. No. / B-63523EN/03 Ve
  • Page 610We add note of optical adapter on page 135 in section 6.1.1 Connection of One to Two Serial spindles and update table of a usable optical fiber cable combinations in Appendix D Optical Fiber Cable in FANUC Series 16i/160i/160is/18i/180i/180is/21i/210i/210is-MODEL B CONNECTION MANUAL (Hardware). We w
  • Page 611D OPTICAL FIBER CABLE The i Series CNC uses the optical fiber cables for the following interfaces. This table lists the usable combinations. Maximum Recommended allowable Applicable Interface Junction Optical fiber cable transmission junction adapter distance Serial spindle interface None A66L-6001-