LOADER CONTROL 21/16/18/160/180/16i/18i/21i/160i/180i/210i Connection manual Page 20

Connection manual
2. CONNECTION
B–62443EN–2/03
20
When the Series 16/18 loader control board based on the main B
specification, Series 16/18–MODEL C or Series 21 loader control board
is used
Actuator
sensor
FANUC I/ O Link
CHECK(JA8C)
APCBAT(JA4A)
ESP(CNPW)
AMP1(JS1A)
Control unit
Loader control
board
Servo check board
interface
BRAKE(CNBK)
AMP2(JS2A)
AMP3(JS3A)
AMP4(JS4A)
RDIO(CRM1)
WF(CNWF)
TP(CNTP)
IOLINK(JD1A)
6V
JS1B UL, VL, WL, GL
JS2B
UM, VM, WM, GM
JS1B UL, VL, WL, GL
JS2B
UM, VM, WM, GM
EMG(24V)
100VAC
GND
24V
SW, LED
APC battery
α series servo amp. module #1
α series servo amp. module #2
See 2.5 for connection
details of servo
For increase I/O
24V
Power supply
Corresponded
I/O LINK
JD1A
JD1B DI/DO
Emergency
stop control circuit
Loader
main body
1st axis
servo motor
2nd axis
servo motor
3rd axis
servo motor
4th axis
servo motor
Serial pulse coder
Overtravel limit
Brake rectifier
Actuator
sensor
Workpiece
feeder
Operator’s panel
for loader
PCR series
20pins connector
Another connector
JF1
JF2
JF1
JF2

Contents Summary of LOADER CONTROL 21/16/18/160/180/16i/18i/21i/160i/180i/210i Connection manual

  • Page 1LOADER CONTROL CONNECTION MANUAL B-62443EN-2/03
  • Page 2The export of this product is subject to the authorization of the government of the country from where the product is exported. In this manual we have tried as much as possible to describe all the various matters. However, we cannot describe all the matters which must not be done, or which cannot be
  • Page 3B–62443EN–2/03 DEFINITION OF WARNING, CAUTION, AND NOTE DEFINITION OF WARNING, CAUTION, AND NOTE This manual includes safety precautions for protecting the user and preventing damage to the machine. Precautions are classified into Warning and Caution according to their bearing on safety. Also, suppl
  • Page 4PREFACE B–62443EN–2/03 PREFACE The Series 16/18/21 supports a loader control option that enables one control unit to independently control both a machine and loader at the same time. This option can be used with the CNC products listed below. This manual is aimed at those users who intend to control
  • Page 5B–62443EN–2/03 PREFACE In this manual, T series and M series refer to the loader control option connected to the products indicated below. 16–TA/16–TTA/16–GCA 18–TA/18–TTA/18–GCA 16–TB/18–TB 160–TB/180–TB 16–TC/18–TC T series 160–TC/180–TC 16–TA/18–TA 160–TA/180–TA 21–TB 21–TA/210–TA 16–MB/18–
  • Page 6PREFACE B–62443EN–2/03 Series 16i/18i/160i/180i–MODEL A FANUC Series 16i/18i/21i/160i/180i/210i–MODEL A DESCRIPTIONS B–63002EN FANUC Series 16i/18i/160i/180i–MODEL A CONNECTION MANUAL (Hardware) B–63003EN FANUC Series 16i/18i/21i/160i/180i/210i–MODEL A CONNECTION MANUAL (Function) B–63003EN–1 FANUC
  • Page 7B–62443EN–2/03 Table of Contents DEFINITION OF WARNING, CAUTION, AND NOTE . . . . . . . . . . . . . . . . . . . . . . . . . . 3 PREFACE . . . . . . . . . . . . . . . . . . . . . . . . . . . . . . . . . . . . . . . . . . . . . . . . . . . . . . . . . . . . . . . . 4 1. OVERVIEW . . . . . . . . . . .
  • Page 8Table of Contents B–62443EN–2/03 3.6.1 Interface Signals for the Loader Control CNC . . . . . . . . . . . . . . . . . . . . . . . . . . . . . . . . . . . . . . . . . . . 76 3.6.2 DI/DO Signals (Function by Function) . . . . . . . . . . . . . . . . . . . . . . . . . . . . . . . . . . . . . . . . . .
  • Page 9B–62443EN–2/03     4.4.2 Creating Programs In Teach In Mode . . . . . . . . . . . . . . . . . . . . . . . . . . . . . . . . . . . . . . . . . . . . . . . . . . 126 4.4.3 Loader–NC Communication Signals . . . . . . . . . . . . . . . . . . . . . . . . . . . . . . . . . . . . . . . . . . . . .
  • Page 101. OVERVIEW B–62443EN–2/03 1 OVERVIEW 10
  • Page 11B–62443EN–2/03 1. OVERVIEW 1.1 The loader control option is connected to the Series 16/18/21 as shown below. SYSTEM Axis control for the machine is performed by the main CPU board, while CONFIGURATION that for the loader is performed by a dedicated Loader Control Board (LCB). The PMC of the main CPU
  • Page 121. OVERVIEW B–62443EN–2/03 1.2 When the loader control option is installed and used in a system, sequence control is required to enable interfacing with the peripherals, as well as INSTALLING THE for loader operation. Generally, the required control specifications vary LOADER CONTROL from one system
  • Page 13B–62443EN–2/03 1. OVERVIEW Macro PMC executor Loader operations f (such as mode setting, activation, and overriding) Control of the loader mechanical unit f (such as braking) Hand control (such as open/close, air blow) f Operations that must be synchronized with the f machine (such as activation and
  • Page 141. OVERVIEW B–62443EN–2/03 1.3 TABLE OF SPECIFICATIONS Item Specifications Controlled axis Up to a maximum of 4 axes at a time (up to 4 axes are allowed as standard) Part program storage 10m length 20m (option 1) 40m (option 2) 80m (option 3) Programs Up to 63 programs can be registered. PMC PMC–RA1
  • Page 15B–62443EN–2/03 1. OVERVIEW Item Specifications Cutting feed Linear interpolation G01 Circular interpolation G02, G03 Cutting feedrate clamp Feed per minute Override Manual feedrate override Rapid traverse override Rapid traverse override 1% step Feedrate override 2nd feedrate override (option 11) Th
  • Page 161. OVERVIEW B–62443EN–2/03 Item Specifications Macro Macro executer (option 19) Custom macro B (option 20) Common variables addition (macro B) (option 21) Interruption type custom macro (option 22) Editing Playback function (option 23) Extended part program (option 24) Language display English Japan
  • Page 17B–62443EN–2/03 1. OVERVIEW NOTE To use those functions for which option numbers are indicated, the following options are required. Option 1 Part program storage length 20m Option 2 Part program storage length 40m Option 3 Part program storage length 80m Option 4 PMC Ladder 3000 step Option 5 PMC Lad
  • Page 182. CONNECTION B–62443EN–2/03 2 CONNECTION 18
  • Page 19B–62443EN–2/03 2. CONNECTION 2.1 When the Series 16/18–MODEL A loader control board, or the Series 16/18–MODEL B loader control board based on the main A specification TOTAL CONNECTION is used: Servo check board interface Emergency Loader control Brake rectifier stop control circuit board EMG(24V) C
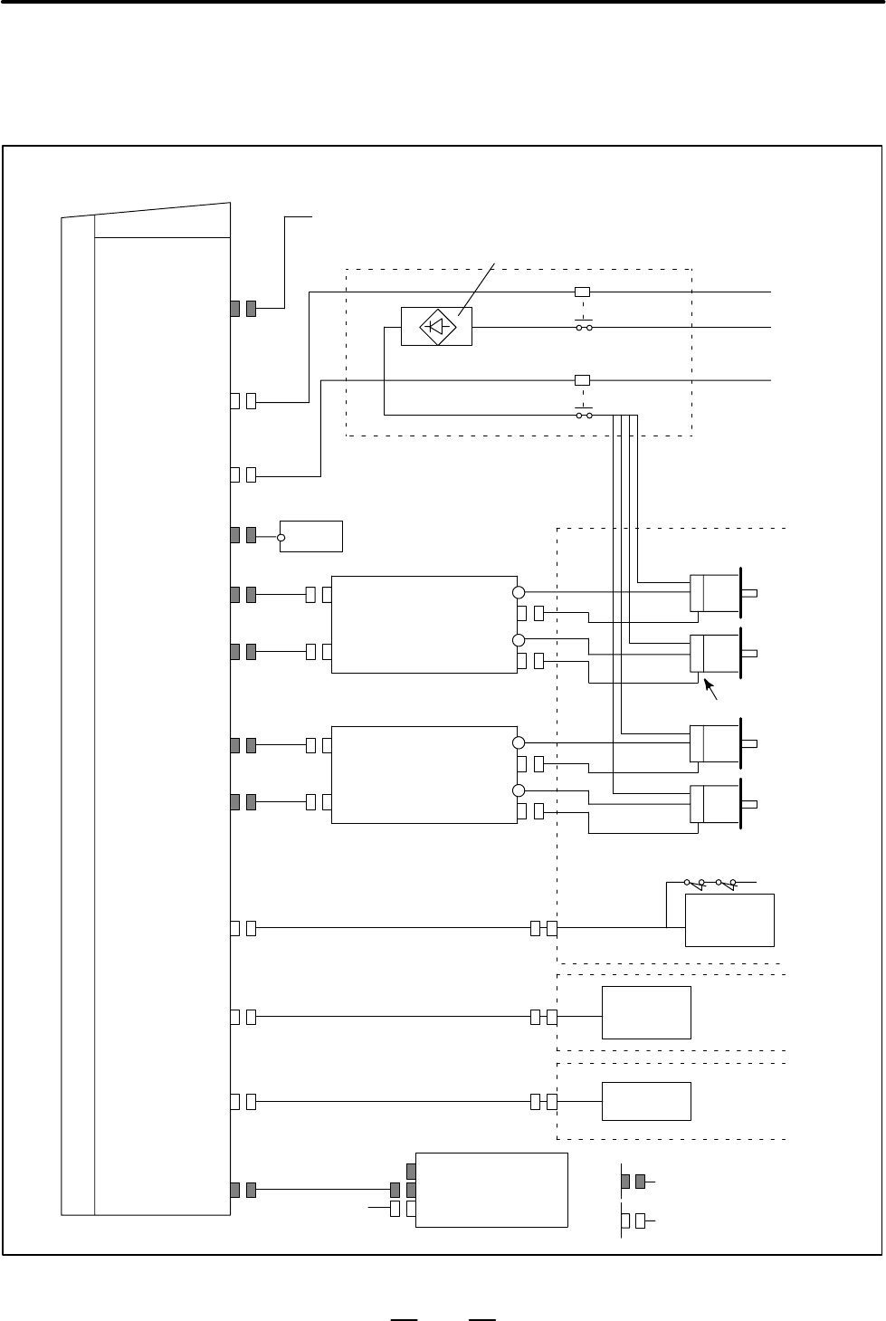
  • Page 202. CONNECTION B–62443EN–2/03 When the Series 16/18 loader control board based on the main B specification, Series 16/18–MODEL C or Series 21 loader control board is used Servo check board interface Emergency Loader control Brake rectifier stop control circuit board EMG(24V) CHECK(JA8C) 100VAC GND ES
  • Page 21B–62443EN–2/03 2. CONNECTION 2.2 In common with the other control PC boards of the Series 16/18, the loader control board is mounted in the control unit. One slot is used LOADER CONTROL exclusively for the loader control board. Any slot other than slot 1 can BOADER be used. Layout of Series 16/18–MO
  • Page 222. CONNECTION B–62443EN–2/03 Panel layout of the Series 16/18–MODEL B loader control board based on the main A specification BRAKE (CNBK) Brake drive output ESP (CNPW) Emergency stop control interface TP (CNTP) Operator’s panel interface WF (CNWF) Workpiece feeder interface IOLNK (JD1A) FANUC I/O LI
  • Page 23B–62443EN–2/03 2. CONNECTION Panel layout of the Series 16/18–MODEL B loader control board based on the main B specification, Series 16/18–MODEL C loader control board, or Series 21 loader control board BRAKE (CNBK) Brake drive output ESP (CNPW) Emergency stop control interface TP (CNTP) Operator’s
  • Page 242. CONNECTION B–62443EN–2/03 2.3 The loader operator’s panel is used to jog the loader and perform teaching. For the loader operator’s panel, the I/O signals described below are stored CONNECTING THE on the loader control board. LOADER OPERATOR’S PANEL 2.3.1 DI = 8 points (+24 V contact signal input
  • Page 25B–62443EN–2/03 2. CONNECTION 2.3.3 Signals Operator’s panel input [Classification] Contact signal input, tied to common 24 V signals [Function] These signals, used with common voltage drive TDI01 to TDI08 source output signals TCOM1 to TCOM4, are used to scan a key matrix. In this case, key scanning
  • Page 262. CONNECTION B–62443EN–2/03 2.3.4 Matrix Configuration +24V Loader control board Loader operator’s panel Driver TCOM4 TCOM3 TCOM2 TCOM1 Reciever SW08 16 24 32 TDI08 R SW07 15 23 31 TDI07 R SW06 14 22 30 TDI06 R SW05 13 21 29 TDI05 R SW04 12 20 28 TDI04 R SW03 11 19 27 TDI03 R SW02 10 18 26 TDI02 R
  • Page 27B–62443EN–2/03 2. CONNECTION 2.4 I/O signals used for controlling the main loader unit are stored in the loader control board. I/O SIGNAL CONNECTION FOR MAIN LOADER UNIT CONTROL 2.4.1 DI = 6 points (contact signal input, general purpose) DO = 8 points (sink output, general purpose) Outline DI = 1 po
  • Page 282. CONNECTION B–62443EN–2/03 2.4.2 Connector CRM1 (MR50–pin, female) Connector pin layout on the loader control board 1 LDI01 33 LDO01 2 LDI02 34 LDO02 19 *LOT 3 LDI03 35 LDO03 20 LDI06 4 LDI04 36 LDO04 21 LDI05 5 37 LDO05 22 COMLD 6 38 LDO06 23 COMWF 7 39 LDO07 24 8 40 LDO08 25 9 FDI01 41 FDO01 26
  • Page 29B–62443EN–2/03 2. CONNECTION 2.4.3 Signals General–purpose input [Classification] Contact signal input signals LDI01 to LDI04 can be switched between 24 V LDI01 to LDI06 common voltage and 0 V common voltage. LDI05 and LDI06 are tied to 24 V common voltage. [Function] Six input signals are provided
  • Page 302. CONNECTION B–62443EN–2/03 Loader overtravel signal [Classification] Contact signal input used for emergency stop, tied to *LOT common 24 V [Function] The emergency stop input signal stops the loader immediately in situations such as loader overtravel (detected by hardware) or hand destruction. B
  • Page 31B–62443EN–2/03 2. CONNECTION 2.5 SERVO SYSTEM CONNECTION 2.5.1 The tables below list the connectors used to connect the servo system. Outline When using the Series 16/18–MODEL A loader control board, or the Series 16/18–MODEL B loader control board based on the main A specification Controlled Connec
  • Page 322. CONNECTION B–62443EN–2/03 2.5.2 Servo system connection when using the C series servo amplifier Connection Diagram Servo command cable 1 axis 2 axis C series servo amp. Loader mechanical LCB board unit AMP1 (JV1) CN1L UL, VL, WL, GL Motor AMP2 (JV2) CN1M UM, VM, WM, GM power 100A, 100B AC L1, L2,
  • Page 33B–62443EN–2/03 2. CONNECTION Servo system connection when using the α series servo amplifier (type A interface) Servo command cable α series servo amp. SVM 1 axis 2 axis Loader mechanical LCB board unit AMP1 (JV1) JV1B UL, VL, WL, GL Motor AMP2 (JV2) JV2B UM, VM, WM, GM power TB1 CX2A JX1A AC Servo
  • Page 342. CONNECTION B–62443EN–2/03 Servo system connection when using the α series servo amplifier (type B interface) Servo command cable α series servo amp. SVM 1 axis 2 axis Loader mechanical LCB board unit AMP1 (JS1A) JS1B UL, VL, WL, GL Motor AMP2 (JS2A) JS2B UM, VM, WM, GM power JF1 JF2 AC TB1 CX2A J
  • Page 35B–62443EN–2/03 2. CONNECTION 2.5.3 Series 16/18–MODEL A loader control board, Series 16/18–MODEL B Servo Amplifier loader control board based on the main A specification Interface Loader control board Servo amplifier JV1 to JV4 CN1, CN1L, CN1M (C Series) (PCR–EV20MDT) JV1B, JV2B (α series typeB I/F)
  • Page 362. CONNECTION B–62443EN–2/03 Series 16/18–MODEL B loader control board based on the main B specification, Series 16–MODEL C loader control board, or Series 21 loader control board Loader control board Servo amplifier JS1A–JS4A JS1B, JS2B (α series typeB I/F) (PCR–EV20MDT) (PCR–EV20MDT) 1 IRn 11 ISn
  • Page 37B–62443EN–2/03 2. CONNECTION 2.5.4 Series 16/18–MODEL A loader control board, Series 16/18–MODEL B Pulse Coder Interface loader control board based on the main A specification CRF1 (MR–50 male) Location of connector pin in the side of loader control board 33 1 SD1 SDn *SDn Serial pulse coder signal
  • Page 382. CONNECTION B–62443EN–2/03 2.5.5 Brake Drive Output Interface CNBK (AMP D–3400, 12pins, male) Location of connector pin in the side of loader control board 1D 2D 1D BKOUT1+ Brake control output +side 1C 2C 3C 1B 2B 3B 1A 2A 3A BKOUT1+ 2.5.6 Series 16/18–MODEL A loader control board, Series 16/18–M
  • Page 39B–62443EN–2/03 2. CONNECTION 2.6 EMERGENCY STOP SYSTEM CONNECTION 2.6.1 The emergency stop control circuit has the functions listed below, and Outline exercises control such that the servo drive power is turned off by hardware when an emergency stop is required. 1 Control of the servo amplifier MCC
  • Page 402. CONNECTION B–62443EN–2/03 If loader overtravel is detected, an emergency stop is performed as described above. The servo power is turned off, and the brake is actuated, thus preventing return from the overtravel. To overcome this, the overtravel release signal OTR can be used. When OTR is turned
  • Page 41B–62443EN–2/03 2. CONNECTION 2.6.2 Emergency Stop System Connection (When a C Series Servo Amplifier is Used) (Apply +24 V to *LOT when the loader does not have an overtravel detection function.) Loader control board CRM1 24V +24E Inside of Loader Overtravel limit *LOT Receiver switch *ROT Input sig
  • Page 422. CONNECTION B–62443EN–2/03 2.6.3 Emergency Stop Control Circuit Interface CNPW (AMP D–3400, 12 pins, male) Connector pin layout on loader control board 1D *EMGHBK1 2D *EMGHBK2 1D HBKR *EMG1 Emergency stop control relay drive signal (+ side) *EMG2 Emergency stop control relay drive signal (– side)
  • Page 43B–62443EN–2/03 2. CONNECTION 2.7 WORKPIECE FEEDER CONNECTION 2.7.1 For workpiece feeder control, 8 input signals and 8 output signals are provided. Outline DI = 8 points (+24 V contact signal input, general purpose) DO = 8 points (sink output, general purpose) These signals are used to move the work
  • Page 442. CONNECTION B–62443EN–2/03 General–purpose input [Classification] Common voltage selection signal common voltage [Function] When COMWF is connected to 0V, FDI01 to FDI08 selection for the function as 24 V common voltage input signals. workpiece feeder When COMWF is connected to +24E, FDI01 to FDI0
  • Page 45B–62443EN–2/03 2. CONNECTION 2.8 DI/DO INTERFACE 2.8.1 A PMC for loader control is built into the loader control board. The PMC Outline has functions equivalent to PMC–RA1 of the Series 18/21. The development environment used with the PMC–RA1 is used. The I/O signals handled by the PMC are classifie
  • Page 462. CONNECTION B–62443EN–2/03 2.8.2 The table below lists the I/O signals stored in the loader control board. Loader Control Board Built–in I/O Signal Input signals (loader → loader control PMC) Address Symbol Signal name X1000.0 LDI01 LDI01=*DEC1 X1000.1 LDI02 When a reference position return LDI02=
  • Page 47B–62443EN–2/03 2. CONNECTION Output signals (loader control PMC → loader) Address Symbol Signal name Y1000.0 LDO01 Y1000.1 LDO02 Y1000.2 LDO03 Y1000.3 LDO04 Signals used for controlling the main loader unit Y1000.4 LDO05 Y1000.5 LDO06 Y1000.6 LDO07 Y1000.7 LDO08 Y1001.0 FDO01 Y1001.1 FDO02 Y1001.2 F
  • Page 482. CONNECTION B–62443EN–2/03 Address Symbol Signal name Y1010.0 LED01 Y1010.1 LED02 Y1010.2 LED03 Y1010.3 LED04 Y1010.4 LED05 Y1010.5 LED06 Y1011.0 LED07 Y1011.1 LED08 Y1011.2 LED09 Y1011.3 LED10 Y1011.4 LED11 Y1011.5 LED12 Loader operator’s panel matrix LED drive signals Y1012.0 LED13 (1: Turns on
  • Page 49B–62443EN–2/03 2. CONNECTION 2.8.4 DI/DO Signals (Function by Function) Ready NC ready signal MA (F001#7) Servo ready signal SA (F000#6) Emergency g y stop Reset Emergency g y stop signal g *ESP (G008#4, ( X1000#7)) External reset signal g ERS ((G008#7)) Reset & Rewind signalg RRW ((G008#6)) Resetti
  • Page 502. CONNECTION B–62443EN–2/03 Manual handle feed Manual handle feed axis select signal HS1A, HS1B, HS1C, HS1D (G018#0 – incremental feed #3) HS2A, HS2B, HS2A HS2B HS2C, HS2C HS2D (G018#4 – #7) Incremental feed signal MP1 MP2 (G019#4, MP1, (G019#4 #5) (Manual handle feed movement amount select signal)
  • Page 51B–62443EN–2/03 2. CONNECTION Multiple M commands 2nd M function code signal g M200 – M215 (F014 ( – F015)) 2nd M function strobe signal g MF2 (F008#4) ( ) 2nd M function finish signal g MFIN2 ((G004#4)) 3rd M function code signal g M300 – M315 (F016 ( – F017)) 3rd M function strobe signal g MF3 (F00
  • Page 522. CONNECTION B–62443EN–2/03 Axis control function byy PMC 1) GroupA G A A i control Axis t l command d signal i l EC0A – EC6A (G143#0 – #6) A i control Axis t l command d read d signal i l EBUFA (G142#7) A i control Axis t l command d read d finish fi i h signal i l EBSYA (F130#7) R Reset t signal
  • Page 53B–62443EN–2/03 2. CONNECTION 3)) GroupC Axis control command signalg EC0C – EC6C ((G167#0 – #6)) Axis control command read signal g EBUFC ((G166#7)) Axis control command read finish signal g EBSYC ((F136#7)) Reset signal g ECLRC ((G166#6)) Axis control temporaryy stop signal g ESTPC ((G166#5)) Servo
  • Page 542. CONNECTION B–62443EN–2/03 5)) Common Control axis select signal g EAX1 – EAX4 ((G136#0 – #3)) Control axis selection status signal g *EAXSL (F129#7)( ) Feedrate override signal g *FV0E – *FV7E (G151) ( ) Override cancellation signal g OVCE ((G150#5)) Rapid traverse override signal g ROVIE, ROV2E
  • Page 55B–62443EN–2/03 2. CONNECTION 2.8.5 DI/DO Signals (In Order of Addresses) Address table for Series 16/18/21 LCB MT³PMC Bit No Address #7 #6 #5 #4 #3 #2 #1 #0 X1000 *EMG1 *LOT LDI06 LDI05 *DEC4 *DEC3 *DEC2 *DEC1 X1001 X1002 FDI08 FDI07 FDI06 FDI05 FDI04 FDI03 FDI02 FDI01 X1003 X1004 TDI08 TDI07 TDI06
  • Page 562. CONNECTION B–62443EN–2/03 Address table for Series 16/18/21 LCB PMC³CNC Bit No. Address #7 #6 #5 #4 #3 #2 #1 #0 G0000 ED7 ED6 ED5 ED4 ED3 ED2 ED1 ED0 G0001 ED15 ED14 ED13 ED12 ED11 ED10 ED9 ED8 G0002 ESTB EA6 EA5 EA4 EA3 EA2 EA1 EA0 G0003 G0004 MFIN3 MFIN2 FIN G0005 AFL SFIN MFIN G0006 OVC *ABSM
  • Page 57B–62443EN–2/03 2. CONNECTION Address table for Series 16/18/21 LCB Bit No. Address #7 #6 #5 #4 #3 #2 #1 #0 G0027 G0028 G0029 G0030 G0031 G0032 G0033 G0034 G0035 G0036 G0037 G0038 G0039 G0040 G0041 G0042 G0043 ZRN MD4 MD2 MD1 G0044 MLK BDT1 G0045 BDT9 BDT8 BDT7 BDT6 BDT5 BDT4 BDT3 BDT2 G0046 DRN KEY4
  • Page 582. CONNECTION B–62443EN–2/03 Address table for Series 16/18/21 LCB Bit No. Address #7 #6 #5 #4 #3 #2 #1 #0 G0056 G0057 G0058 G0059 G0060 G0061 G0062 G0063 NMWT G0064 G0065 G0066 EKSET ENBKY G0067 G0068 G0069 G0070 G0071 G0072 G0073 G0074 G0075 G0076 G0077 G0078 G0079 G0080 G0081 G0082 Reserved for c
  • Page 59B–62443EN–2/03 2. CONNECTION Address table for Series 16/18/21 LCB Bit No. Address #7 #6 #5 #4 #3 #2 #1 #0 G0085 G0086 G0087 G0088 G0089 G0090 G0091 G0092 G0093 G0094 G0095 G0096 HROV *HROV6 *HROV5 *HROV4 *HROV3 *HROV2 *HROV1 *HROV0 G0097 G0097 EKC7 EKC6 EKC5 EKC4 EKC3 EKC2 EKC1 EKC0 G0099 G0100 +J4
  • Page 602. CONNECTION B–62443EN–2/03 Address table for Series 16/18/21 LCB Bit No. Address #7 #6 #5 #4 #3 #2 #1 #0 G0114 *+L4 *+L3 *+L2 *+L1 G0115 G0116 *–L4 *–L3 *–L2 *–L1 G0117 G0118 G0119 G0120 G0121 G0122 G0123 G0124 G0125 G0126 SVF4 SVF3 SVF2 SVF1 G0127 G0128 G0129 G0130 *IT4 *IT3 *IT2 *IT1 G0131 G0132
  • Page 61B–62443EN–2/03 2. CONNECTION Address table for Series 16/18/21 LCB Bit No. Address #7 #6 #5 #4 #3 #2 #1 #0 G0142 EBUFA ECLRA ESTPA ESOFA ESBKA EFINA G0143 EMSBKA EC6A EC5A EC4A EC3A EC2A EC1A EC0A G0144 EIF7A EIF6A EIF5A EIF4A EIF3A EIF2A EIF1A EIF0A G0145 EIF15A EIF14A EIF13A EIF12A EIF11A EIF10A E
  • Page 622. CONNECTION B–62443EN–2/03 Address table for Series 16/18/21 LCB Bit No. Address #7 #6 #5 #4 #3 #2 #1 #0 G0166 EBUFC ECLRC ESTPC ESOFC ESBKC EFINC G0167 EMSBKC EC6C EC5C EC4C EC3C EC2C EC1C EC0C G0168 EIF7C EIF6C EIF5C EIF4C EIF3C EIF2C EIF1C EIF0C G0169 EIF15C EIF14C EIF13C EIF12C EIF11C EIF10C E
  • Page 63B–62443EN–2/03 2. CONNECTION Address table for Series 16/18/21 LCB Bit No. Address #7 #6 #5 #4 #3 #2 #1 #0 G0212 G0213 G0214 G0215 G0216 G0217 G0218 G0219 G0252 G0253 G0254 G0255 G1212 G1213 G1214 G1215 G1216 G1217 G1218 G1219 G1252 G1253 G1254 G1255 CAUTION Signals G212 to G219, G252 to G255, G1212
  • Page 642. CONNECTION B–62443EN–2/03 Address table for Series 16/18/21 LCB CNC³PMC Bit No. Address #7 #6 #5 #4 #3 #2 #1 #0 F0000 OP SA STL SPL RWD F0001 MA DEN BAL RST AL F0002 MDRN CUT RPDO INCH F0003 MTCHIN MEDT MMEM MMDI MJ MH MINC F0004 MREF MAFL MSBK MABSM MMLK MBDT F0005 MBDT9 MBDT8 MBDT7 MBDT6 MBDT5
  • Page 65B–62443EN–2/03 2. CONNECTION Address table for Series 16/18/21 LCB Bit No. Address #7 #6 #5 #4 #3 #2 #1 #0 F0028 F0029 F0030 F0031 F0032 F0033 F0034 F0035 F0036 F0037 F0038 F0039 F0040 F0041 F0042 F0043 F0044 F0045 F0046 F0047 F0048 F0049 F0050 F0051 F0052 F0053 EKENB PRGDPL INHKY F0054 UO7 UO6 UO5
  • Page 662. CONNECTION B–62443EN–2/03 Address table for Series 16/18/21 LCB Bit No. Address #7 #6 #5 #4 #3 #2 #1 #0 F0056 UO107 UO106 UO105 UO104 UO103 UO102 UO101 UO100 F0057 UO115 UO114 UO113 UO112 UO111 UO110 UO109 UO108 F0058 UO123 UO122 UO121 UO120 UO119 UO118 UO117 UO116 F0059 UO131 UO130 UO129 UO128 U
  • Page 67B–62443EN–2/03 2. CONNECTION Address table for Series 16/18/21 LCB Bit No. Address #7 #6 #5 #4 #3 #2 #1 #0 F0085 F0086 F0087 F0088 F0089 F0090 F0091 F0092 F0093 F0094 ZP4 ZP3 ZP2 ZP1 F0095 F0096 ZP24 ZP23 ZP22 ZP21 F0097 F0098 ZP34 ZP33 ZP32 ZP31 F0099 F0100 ZP44 ZP43 ZP42 ZP41 F0101 F0102 MV4 MV3 M
  • Page 682. CONNECTION B–62443EN–2/03 Address table for Series 16/18/21 LCB Bit No. Address #7 #6 #5 #4 #3 #2 #1 #0 F0114 F0115 F0116 F0117 F0118 F0119 F0120 ZRF4 ZRF3 ZRF2 ZRF1 F0121 F0122 F0123 F0124 F0125 F0126 F0127 F0128 F0129 *EAXSL EOV0 F0130 EBSYA EOTNA EOTP EGENA EDENA EIALA ECKZA EINPA F0131 EMFA F
  • Page 69B–62443EN–2/03 2. CONNECTION Address table for Series 16/18/21 LCB Bit No. Address #7 #6 #5 #4 #3 #2 #1 #0 F0212 F0213 F0214 F0215 F0216 F0217 F0218 F0219 F0252 F0253 F0254 F0255 F1212 F1213 F1214 F1215 F1216 F1217 F1218 F1219 G1252 G1253 G1254 G1255 CAUTION Signals F212 to F219, F252 to F255, F1212
  • Page 703. CONNECTING THE LOADER CONTROL BOARD OF THE Series 16i/18i/21i B–62443EN–2/03 CONNECTING THE LOADER CONTROL BOARD OF 3 THE Series 16i/18i/21i 70
  • Page 713. CONNECTING THE LOADER CONTROL B–62443EN–2/03 BOARD OF THE Series 16i/18i/21i 3.1 The loader control board has been specifically designed for axis control of a loader. The loader control board has the following features and OUTLINE enables axis control independently of the machine. D FSSB servo am
  • Page 723. CONNECTING THE LOADER CONTROL BOARD OF THE Series 16i/18i/21i B–62443EN–2/03 3.2 CONNECTION BETWEEN UNITS Loader control board Distributed I/O, loader I/O board, etc. I/O–LINK(JD1A) JD1B JD1A Servo card (up to four axes) To I/O link slave or others Servo amplifier FSSB(COP10A) COP10B COP10A To th
  • Page 733. CONNECTING THE LOADER CONTROL B–62443EN–2/03 BOARD OF THE Series 16i/18i/21i 3.3 Like the other control unit printed circuit boards of the Series 16i/18i/21i, the loader control board is mounted in an optional slot of the control unit. LOADER CONTROL The type of printed circuit board that can be
  • Page 743. CONNECTING THE LOADER CONTROL BOARD OF THE Series 16i/18i/21i B–62443EN–2/03 3.4 A DI/DO signal necessary for sequence control of the loader must be obtained through an I/O link from a connected external input/output unit. CONNECTING AN I/O The external input/output units that can be connected to
  • Page 753. CONNECTING THE LOADER CONTROL B–62443EN–2/03 BOARD OF THE Series 16i/18i/21i 3.5 The Series 16i/18i/21i uses an FSSB interface to connect a servo amplifier. An FSSB interface is also provided on the loader control board. SERVO INTERFACE When connecting a servo amplifier, use the on–board interfac
  • Page 763. CONNECTING THE LOADER CONTROL BOARD OF THE Series 16i/18i/21i B–62443EN–2/03 3.6 DI/DO INTERFACE 3.6.1 The interface signals between the loader control PMC and the CNC Interface Signals for provided in the loader control board are based on the PMC interface signals of the Series 16i/18i/21i. Ther
  • Page 773. CONNECTING THE LOADER CONTROL B–62443EN–2/03 BOARD OF THE Series 16i/18i/21i 3.6.2 DI/DO Signals (Function by Function) Ready Ready signal MA Servo ready signal SA Emergency stop Emergency stop signal *ESP Reset External reset signal ERS Reset & rewind
  • Page 783. CONNECTING THE LOADER CONTROL BOARD OF THE Series 16i/18i/21i B–62443EN–2/03 Automatic operation Cycle start signal ST Feed hold signal *SP Cycle start LED signal STL Feed hold LED signal SPL Automatic operating signal OP Workpiece number search signal
  • Page 793. CONNECTING THE LOADER CONTROL B–62443EN–2/03 BOARD OF THE Series 16i/18i/21i Axis control function by PMC 1) Group A Axis control command signal EC0A – EC6A Axis control command read signal EBUFA Axis control command read finish signal EBSYA Reset signal ECLRA
  • Page 803. CONNECTING THE LOADER CONTROL BOARD OF THE Series 16i/18i/21i B–62443EN–2/03 4) Group A Axis control command signal EC0D – EC6D Axis control command read signal EBUFD Axis control command read finish signal EBSYD Reset signal ECLRD Axis control temporary s
  • Page 813. CONNECTING THE LOADER CONTROL B–62443EN–2/03 BOARD OF THE Series 16i/18i/21i 3.6.3 DI/DO Signals (In Order of Addresses) Address table for series 16/18/21 LCB MT³PMC Bit No. Address 7 6 5 4 3 2 1 0 X000 *EMG1 *DEC4 *DEC3 *DEC2 *DEC1 X001 X002 SKIP PMC³CNC Bit No. Address 7 6 5 4 3 2 1 0 G0000
  • Page 823. CONNECTING THE LOADER CONTROL BOARD OF THE Series 16i/18i/21i B–62443EN–2/03 Address table for series 16/18/21 LCB Bit No. Address 7 6 5 4 3 2 1 0 G0020 G0021 G0022 G0023 G0024 G0025 G0026 G0027 G0028 G0029 G0030 G0031 G0032 G0033 G0034 G0035 G0036 G0037 G0038 G0039 G0040 G0041 G0042 G0043 ZRN
  • Page 833. CONNECTING THE LOADER CONTROL B–62443EN–2/03 BOARD OF THE Series 16i/18i/21i Address table for series 16/18/21 LCB Bit No. Address 7 6 5 4 3 2 1 0 G0050 G0051 G0052 G0053 SMZ UINT G0054 UI7 UI6 UI5 UI4 UI3 UI2 UI1 UI0 G0055 UI15 UI14 UI13 UI12 UI11 UI10 UI9 UI8 G0056 G0057 G0058 G0059 G0060 G0
  • Page 843. CONNECTING THE LOADER CONTROL BOARD OF THE Series 16i/18i/21i B–62443EN–2/03 Address table for series 16/18/21 LCB Bit No. Address 7 6 5 4 3 2 1 0 G0080 G0081 G0082 Reserved for order made macro G0083 Reserved for order made macro G0084 G0085 G0086 G0087 G0088 G0089 G0090 G0091 G0092 G0093 G00
  • Page 853. CONNECTING THE LOADER CONTROL B–62443EN–2/03 BOARD OF THE Series 16i/18i/21i Address table for series 16/18/21 LCB Bit No. Address 7 6 5 4 3 2 1 0 G0110 G0111 G0112 G0113 G0114 *+L4 *+L3 *+L2 *+L1 G0115 G0116 *–L4 *–L3 *–L2 *–L1 G0117 G0118 G0119 G0120 G0121 G0122 G0123 G0124 G0125 G0126 SVF4
  • Page 863. CONNECTING THE LOADER CONTROL BOARD OF THE Series 16i/18i/21i B–62443EN–2/03 Address table for series 16/18/21 LCB Bit No. Address 7 6 5 4 3 2 1 0 G0140 G0141 G0142 EBUFA ECLRA ESTPA ESOFA ESBKA EFINA G0143 EMSBKA EC6A EC5A EC4A EC3A EC2A EC1A EC0A G0144 EIF7A EIF6A EIF5A EIF4A EIF3A EIF2A EIF
  • Page 873. CONNECTING THE LOADER CONTROL B–62443EN–2/03 BOARD OF THE Series 16i/18i/21i Address table for series 16/18/21 LCB Bit No. Address 7 6 5 4 3 2 1 0 G0170 EID7C EID6C EID5C EID4C EID3C EID2C EID1C EID0C G0171 EID15C EID14C EID13C EID12C EID11C EID10C EID9C EID8C G0172 EID23C EID22C EID21C EID20C
  • Page 883. CONNECTING THE LOADER CONTROL BOARD OF THE Series 16i/18i/21i B–62443EN–2/03 Address table for series 16/18/21 LCB Bit No. Address 7 6 5 4 3 2 1 0 G0212 G0213 G0214 G0215 G0216 G0217 G0218 G0219 G0252 G0253 G0254 G0255 G1212 G1213 G1214 G1215 G1216 G1217 G1218 G1219 G1252 G1253 G1254 G1255 CAU
  • Page 893. CONNECTING THE LOADER CONTROL B–62443EN–2/03 BOARD OF THE Series 16i/18i/21i Address table for series 16/18/21 LCB CNC³PMC Bit No. Address 7 6 5 4 3 2 1 0 F0000 OP SA STL SPL RWD F0001 MA DEN BAL RST AL F0002 MDRN CUT RPDO INCH F0003 MTCHIN MEDT MMEM MMDI MJ MH MINC F0004 MREF MAFL MSBK MABSM
  • Page 903. CONNECTING THE LOADER CONTROL BOARD OF THE Series 16i/18i/21i B–62443EN–2/03 Address table for series 16/18/21 LCB Bit No. Address 7 6 5 4 3 2 1 0 F0028 F0029 F0030 F0031 F0032 F0033 F0034 F0035 F0036 F0037 F0038 F0039 F0040 F0041 F0042 F0043 F0044 F0045 F0046 F0047 F0048 F0049 F0050 F0051 F00
  • Page 913. CONNECTING THE LOADER CONTROL B–62443EN–2/03 BOARD OF THE Series 16i/18i/21i Address table for series 16/18/21 LCB Bit No. Address 7 6 5 4 3 2 1 0 F0056 UO107 UO106 UO105 UO104 UO103 UO102 UO101 UO100 F0057 UO115 UO114 UO113 UO112 UO111 UO110 UO109 UO108 F0058 UO123 UO122 UO121 UO120 UO119 UO1
  • Page 923. CONNECTING THE LOADER CONTROL BOARD OF THE Series 16i/18i/21i B–62443EN–2/03 Address table for series 16/18/21 LCB Bit No. Address 7 6 5 4 3 2 1 0 F0085 F0086 F0087 F0088 F0089 F0090 F0091 F0092 F0093 F0094 ZP4 ZP3 ZP2 ZP1 F0095 F0096 ZP24 ZP23 ZP22 ZP21 F0097 F0098 ZP34 ZP33 ZP32 ZP31 F0099 F
  • Page 933. CONNECTING THE LOADER CONTROL B–62443EN–2/03 BOARD OF THE Series 16i/18i/21i Address table for series 16/18/21 LCB Bit No. Address 7 6 5 4 3 2 1 0 F0114 F0115 F0116 F0117 F0118 F0119 F0120 ZRF4 ZRF3 ZRF2 ZRF1 F0121 F0122 F0123 F0124 F0125 F0126 F0127 F0128 F0129 *EAXSL EOV0 F0130 EBSYA EOTNA E
  • Page 943. CONNECTING THE LOADER CONTROL BOARD OF THE Series 16i/18i/21i B–62443EN–2/03 Address table for series 16/18/21 LCB Bit No. 7 6 5 4 3 2 1 0 F0212 F0213 F0214 F0215 F0216 F0217 F0218 F0219 F0252 F0253 F0254 F0255 F1212 F1213 F1214 F1215 F1216 F1217 F1218 F1219 G1252 G1253 G1254 G1255 CAUTION Sig
  • Page 953. CONNECTING THE LOADER CONTROL B–62443EN–2/03 BOARD OF THE Series 16i/18i/21i 3.7 LOADER I/O BOARD 3.7.1 This board has an I/O function based on the loader–specialized I/O signals provided on the loader control board of the Series 16/18–MODEL A/B/C. Outline The board is connected, via an I/O link,
  • Page 963. CONNECTING THE LOADER CONTROL BOARD OF THE Series 16i/18i/21i B–62443EN–2/03 3.7.3 This board is connected as a slave unit of an I/O link via the I/O link Connecting an I/O Link interface of the loader control board. Series 16/18/21 Loader I/O board Loader control board JD1A JD1B JD1A To anoth
  • Page 973. CONNECTING THE LOADER CONTROL B–62443EN–2/03 BOARD OF THE Series 16i/18i/21i 3.7.4 The loader operator’s panel is used to jog the loader and to perform Connecting the Loader teaching. For the loader operator’s panel, the I/O signals described below are stored on the loader I/O board. Operator’s P
  • Page 983. CONNECTING THE LOADER CONTROL BOARD OF THE Series 16i/18i/21i B–62443EN–2/03 D TDO01 to TDO06 TDO01 to TDO06 + 24 VDC 0V – 0V D TCOM01 to TCOM04 +24V + TCOM01 to TCOM04 24 VDC – DV 0V * Connect the common voltage line of the source driver to +24 V on the same board. 3.7.4.4 Signals Operator’s pan
  • Page 993. CONNECTING THE LOADER CONTROL B–62443EN–2/03 BOARD OF THE Series 16i/18i/21i 3.7.5 The loader I/O board has I/O signals for controlling the loader main body. Connecting the I/O Signals for Loader Control 3.7.5.1 DI = 6 points (general–purpose 24–V input) Outline DO = 8 points (general–purpose 24–
  • Page 1003. CONNECTING THE LOADER CONTROL BOARD OF THE Series 16i/18i/21i B–62443EN–2/03 3.7.5.3 Connection D LDI01 to LDI04 COMLD R 0V LDI01 to LDI04 + RV 24 VDC – 0V * COMLD is a common setting pin. When COMLD is connected to 0 V, LDI01 to LDI04 become common 24–V signals. When COMLD is connected to 24 V,
  • Page 1013. CONNECTING THE LOADER CONTROL B–62443EN–2/03 BOARD OF THE Series 16i/18i/21i 3.7.5.4 Signals General–purpose input Classification : 24–V input signals LDI01 to LDI06 The common voltage for LDI01 to LDI04 can be set to 24 V or 0 V. LDI05 and LDI06 are tied to common 24 V. Function : The six input
  • Page 1023. CONNECTING THE LOADER CONTROL BOARD OF THE Series 16i/18i/21i B–62443EN–2/03 General–purpose input Classification : 24–V input, set to common 24 V or 0 V signals for workpiece Function : These eight input signals are provided as an interface feeder FDI01 to FDI08 with a workpiece feeder. The sign
  • Page 1033. CONNECTING THE LOADER CONTROL B–62443EN–2/03 BOARD OF THE Series 16i/18i/21i 1 FDI01 14 FDO01 8 FDI07 2 FDI02 15 FDO02 9 FDI08 3 FDI03 16 FDO03 10 COMWF 4 FDI04 17 FDO04 11 DCMWF 5 FDI05 18 FDO05 12 FDO06 6 FDI06 19 FDO07 13 0V 7 +24V 20 FDO08 3.7.6.3 Connection D FDI01 to FDI08 COMWF R 0V FDI01
  • Page 1043. CONNECTING THE LOADER CONTROL BOARD OF THE Series 16i/18i/21i B–62443EN–2/03 3.7.6.4 Signals General–purpose input Classification : 24–V input signals LDI01 to LDI06 The common voltage for LDI01 to LDI04 can be set to 24 V or 0 V. LDI05 and LDI06 are tied to common 24 V. Function : The six input
  • Page 1053. CONNECTING THE LOADER CONTROL B–62443EN–2/03 BOARD OF THE Series 16i/18i/21i skip signal. When the skip function is not used, FDI08 can also be used for any purpose. The signals are connected in parallel to another connector CNWF. Common selection Classification : Common selection signal for Func
  • Page 1063. CONNECTING THE LOADER CONTROL BOARD OF THE Series 16i/18i/21i B–62443EN–2/03 D Brake drive output interface CNBK (AMP D–3400, 12 pins, male) 1D 2D 3D 1C 2C 3C 1B 2B 3B 1A 2A 3A BKOUT1+ 106
  • Page 1073. CONNECTING THE LOADER CONTROL B–62443EN–2/03 BOARD OF THE Series 16i/18i/21i 3.7.7.3 The figure below shows a sample connection of an emergency stop Sample Connection of system using the loader I/O board. Emergency Stop System Loader I/O board In the loader CRM1 +24V +24V When overtravel is not d
  • Page 1083. CONNECTING THE LOADER CONTROL BOARD OF THE Series 16i/18i/21i B–62443EN–2/03 3.7.8 The table below indicates I/O addresses when this board is addressed X0 I/O Address Table and Y0. Input signals Address 7 6 5 4 3 2 1 0 X0000 *EMG1 *LOT LDI06 LDI05 LDI04 LDI03 LDI02 LDI01 X0001 X0002 SKIP FDI07 FD
  • Page 1093. CONNECTING THE LOADER CONTROL B–62443EN–2/03 BOARD OF THE Series 16i/18i/21i 3.7.9.2 The figure below shows the installation space and mounting holes for Installation space and direct mounting on a board. For direct mounting on a board, the attached metal fixture for the DIN Rail is not used. mou
  • Page 1104. OPERATION B–62443EN–2/03 4 OPERATION 110
  • Page 111B–62443EN–2/03 4. OPERATION 4.1 MDI KEY OPERATION FOR LOADER CONTROL 4.1.1 Screen Switching Switching between the NC screen and loader screen + Each time this operation is performed, the display switches between the NC screen and loader screen. Note, however, that this operation is po
  • Page 1124. OPERATION B–62443EN–2/03 Activating the P–code loader (For Series 16/18, Series 16i/18i/21i) + Activates the P–code loader. Starting the boot system for the Series 16/18–MODEL B/C and Series 21TB, Series 16i/18i/21i Rightmost two soft keys Starts the boot system for the Series 16/18–
  • Page 113B–62443EN–2/03 4. OPERATION 4.2 STARTING THE LOADER CONTROL 4.2.1 The boot system load the CNC system software (flash RAM ⇒ DRAM), Boot System for then start it so that software can be executed. Series For details of the functions and operation of the boot system, refer to the corresponding CNC main
  • Page 1144. OPERATION B–62443EN–2/03 D File names in flash The boot system identifies a file in flash ROM by the first four characters memory of the file name. When a file is read from a memory card while a file having a file name starting with the same four characters exists, the existing file is deleted, t
  • Page 115B–62443EN–2/03 4. OPERATION D Series 21–TB SRAM size File name Remarks MAIN 256KB SRAM256K. XXX Backup of SRAM on the main board 512KB SRAM512K. XXX LCB 512KB SRAM_LCB. XXX Backup of SRAM on the LCB board D Series 16i/18i/21i Number of files SRAM 1 2 3 4 5 6 size 256KB SRAM256A. FDB 0.5MB SRAM0_5A.
  • Page 1164. OPERATION B–62443EN–2/03 4.2.2 Starting the NC and Loader Control 1 Turn on the power. 2 Enter the parameters and ladder programs for the NC. If bit 7 of parameter No. 8100 for the NC is set to 0 at this time, the NC cannot exit from reset processing. In this case, set the servo parameters for lo
  • Page 117B–62443EN–2/03 4. OPERATION 5 Enter ladder programs. (1) When ladder RAM operation is performed with the loader for the Series 16/18–MODEL A D Enter the ladder programs through the RS–232C interface, after first turning the power off then back on again. (2) When the loader for the Series 16/18–MODEL
  • Page 1184. OPERATION B–62443EN–2/03 4.2.3 When Loader Control is Added 1 Hold down both the and <5> keys, and turn on the power. All loader memory areas are cleared. (The NC memory is not affected.) At this time, the symptom described in 2 of Section 3.2.2 arises. To check that the NC starts, set bit
  • Page 119B–62443EN–2/03 4. OPERATION 4.2.4 For loader control, the following parameters must always be set as Special Parameters to described below. be Set Bit 7 of parameter When bit 7 of parameter No. 8100 is set to 0, servo motor activation is No. 8100 simultaneously started for all axes after activation
  • Page 1204. OPERATION B–62443EN–2/03 4.3 PROGRAMMING 4.3.1 The table below lists the G codes that can be used with the loader control G Codes option. When the G code column and group column are divided into two, the left–hand column indicates the G codes for the T series, while the right–hand column indicate
  • Page 121B–62443EN–2/03 4. OPERATION 4.4 LOADER CONTROL FUNCTIONS 4.4.1 Multipath Wait Function with M Code (T Series Only) D Overview 1) Two–path wait function When an M code is specified for the NC and loader control of the FANUC Series 16–TA, 16–TB, 18–TA, or 21–TB a two–path wait can be executed. D When
  • Page 1224. OPERATION B–62443EN–2/03 Program for tool post 1 Program for tool post 2 Loader program O0100; O0200; O0300; G50 X Z ; G50 X Z ; G00 X Z ; G00 X Z T0101; G00 X Z T0202; M102 P7; 2 S1000 M03; S2000 M03; S M101 P3; 1 S G01 X Z F ; S S S S M101 P3; 1 S G01 X Z F ; S <> S S S S S S S M10
  • Page 123B–62443EN–2/03 4. OPERATION D Signals Two–path wait ignore signal NOWT [Classification] Input signal [Function] Specifies whether to execute a two–path wait with an M code. [Operation] 0: A two–path wait with an M code is executed. 1: A two–path wait with an M code is not executed. Thr
  • Page 1244. OPERATION B–62443EN–2/03 Loader control #7 #6 #5 #4 #3 #2 #1 #0 G0063 NMWT NOWT : Two–path wait ignore signal NMWT : Three–path wait ignore signal 2 Waiting signal      #7 #6 #5 #4 #3 #2 #1 #0 F0063 WATO SUB #7 #6 #5 #4 #3 #2 #1 #0 F1063 WATO WATO : Waiting signal (for both two–path and
  • Page 125B–62443EN–2/03 4. OPERATION NOTE An M code not to be buffered as specified in parameters 3411 to 3420 is not buffered, irrespective of the MWB setting. 8110 Waiting M code range (minimum value) [Data type] : 2 words [Valid data range]: 0 and 100 to 99999999 This parameter specifies the minimum value
  • Page 1264. OPERATION B–62443EN–2/03 CAUTION 1 In a system featuring two–path NC (TT) and loader control, a two–path waiting M code functions as a waiting M code for tool posts 1 and 2. If a waiting M code is included in a loader program, it is processed as a general M code. 2 The two–path waiting M code dif
  • Page 127B–62443EN–2/03 4. OPERATION 6 Similarly, key in Z , then press the INSERT key. Then a machine position along the Z axis is stored in memory. Further, key in Y , then press the INSERT key. Then a machine position along the Y axis is stored in memory. All coordinates stored using this method are absol
  • Page 1284. OPERATION B–62443EN–2/03 9 Position the tool at P2 with the manual pulse generator. 10 Enter the P2 machine position for data of the third block as follows: G 0 1 INSERT Z INSERT F 3 0 0 INSERT EOB INSERT This operation registers G01 Z103480 F300; in memory. The automatic sequence number insertio
  • Page 129B–62443EN–2/03 4. OPERATION 4.4.3 Loader–NC Communication Signals D Overview The loader control PMC and machine control PMC communicate via 96 or 192 signals. An F address signal of the loader control PMC informs the contents of the corresponding G address signal of the machine control PMC. An F add
  • Page 1304. OPERATION B–62443EN–2/03 0 : 96 communication signals (G/F0212 to G/F0219 and G/F0252 to G/F0255). 1 : 192 communication signals. NOTE 1 For this parameter setting to take effect, the power must be turned off then back on. 2 Only the loader supports this parameter. 4.4.4 Loader Control Selection
  • Page 131B–62443EN–2/03 5. MAINTENANCE 5 MAINTENANCE 131
  • Page 1325. MAINTENANCE B–62443EN–2/03 5.1 LOADER CONTROL BOARD LED DISPLAY 5.1.1 LED display (V : OFF, J: ON, The STATUS LEDs are green. The LED Display Transition ALARM LEDs are red.) at Power–up No LED display NC status 1 STATUS VVVV Power OFF 2 STATUS JJJJ Startup status immediately after power is turned
  • Page 133B–62443EN–2/03 5. MAINTENANCE 5.2 LED DISPLAY ON THE LOADER CONTROL BOARD OF THE SERIES 16i/18i/21i 5.2.1 Position of LEDs JNA CA54 JD1A LED ÁÁÁÁ ÁÁÁÁÁÁ ÁÁÁÁÁ ÁÁÁÁÁÁ ÁÁÁÁ ÁÁÁÁÁ ALARM(Red) STATUS(Green) 5.2.2 LED Display Transition No. LED display Description at Power–Up 1 STATUS jjjj Power–off statu
  • Page 1345. MAINTENANCE B–62443EN–2/03 5.2.3 LED Display When an LED Description Error Occurs ALM1 SRAM parity error ALM2 Servo alarm ALM3 Other alarm ALM4 134
  • Page 135B–62443EN–2/03 5. MAINTENANCE 5.3 PC BOARD CONFIGURATION 5.3.1 Series 16/18–MODEL A Loader Control Board Drawing number : A16B–2200–0960 Connector Connector Use LED name number PMC ROM BRAKE CNBK Brake output ESP CNPW Emergency stop IO–1 CNWF DI/DO for workpiece feeder TP CNTP DI/DO for loader opera
  • Page 1365. MAINTENANCE B–62443EN–2/03 5.3.2 Series 16/18–MODEL B Loader Control Board Based on the Main A Specification Drawing number : A16B–2202–0560 Connector Connector Use LED name number BRAKE CNBK Brake output ESP CNPW Emergency stop IO–1 CNWF DI/DO for workpiece feeder TP CNTP DI/DO for loader operat
  • Page 137B–62443EN–2/03 5. MAINTENANCE 5.3.3 Series 16/18–MODEL B Loader Control Board Based on the Main B Specification and Series 21 Loader Control Board Drawing number : A16B–2202–0880 Connector Connector Use LED name number BRAKE CNBK Brake output ESP CNPW Emergency stop IO–1 CNWF DI/DO for workpiece fee
  • Page 1385. MAINTENANCE B–62443EN–2/03 5.3.4 Series 16/18–MODEL C Loader Control Board Drawing number : A16B–2203–0080 Connector Connector Use LED name number BRAKE CNBK Brake output ESP CNPW Emergency stop IO–1 CNWF DI/DO for workpiece feeder TP CNTP DI/DO for loader operator’s panel 1 2 IOLINK JD1A Serial
  • Page 139B–62443EN–2/03 5. MAINTENANCE 5.4 CONFIGURATION OF LOADER CONTROL BOARD OF THE SERIES 16i/18i/21i D Code Name Code Loader control board A20B–8100–0190 D Connector location JNA F–BUS backplane connector CA54 JD1A Connector No. Use CA54 Servo check JD1A I/O link D Card location 1 2 Axis control card C
  • Page 140APPENDIX 140
  • Page 141B–62443EN–2/03 A. PARAMETERS A PARAMETERS 141
  • Page 142A. PARAMETERS B–62443EN–2/03 A.1 This section lists parameters classified according to functions. For details of each parameter, refer to the following CNC parameter PARAMETERS manuals : CLASSIFIED FANUC Series 16/18 ACCORDING TO PARAMETER MANUAL (B-61810E) FUNCTIONS FANUC Series 16/18/160/180–MODEL
  • Page 143B–62443EN–2/03 A. PARAMETERS Parameters related to the 1) Parameters for all channels reader/punch interface Parameter 0000, bit 0 : (RS–232–C) Selects the specifications for TV check. Parameter 0000, bit 1 : Selects the specifications for data output in ISO code. Parameter 0020 : Selects an I/O cha
  • Page 144A. PARAMETERS B–62443EN–2/03 Parameters related to 1) Automatically inserting a sequence number program editing Parameter 0000, bit 5 : Selects the function to automatically insert a sequence number. Parameter 3216 : Sequence number increment applied when a number is automatically inserted 2) Prohib
  • Page 145B–62443EN–2/03 A. PARAMETERS Parameters related to Parameter 1006, bit 0 : rotation axes Selects a rotation axis. Parameter 1008, bit 0 : Selects the rotation axis roll–over function. Parameter 1008, bit 1 : Direction of rotation for an absolute command Parameter 1008, bit 2 : Selects specifications
  • Page 146A. PARAMETERS B–62443EN–2/03 Parameter 1250 : Coordinates of the reference position Parameter 1251 : Coordinates of the reference position (when bit 1 of parameter 1201 is set to 1 in inch input) Parameters related to Parameter 1002, bit 0 : manual operation (JOG) Number of axes that are simultaneou
  • Page 147B–62443EN–2/03 A. PARAMETERS 3) Exponential acceleration/deceleration during cutting feed Parameter 1622 : Time constant for exponential acceleration/deceleration during cutting feed Parameter 1623 : FL velocity for exponential acceleration/deceleration during cutting feed 4) Exponential acceleratio
  • Page 148A. PARAMETERS B–62443EN–2/03 Parameters related to Parameter 1601, bit 5 : in–position check Disables in–position check during deceleration. Parameter 1801, bit 4 : Selects a parameter for in–position width between cutting blocks. Parameter 1826 : In–position width Parameter 1827 : In–position width
  • Page 149B–62443EN–2/03 A. PARAMETERS Parameters related to the Parameter 3111, bit 0 : servo system Enables the servo setting screen. Parameter 1800, bit 1 : Suppresses an alarm when VRDY is set to on before PRDY is set to on. Parameter 1820 : CMR Parameter 1821 : Capacity of reference counter Parameter 182
  • Page 150A. PARAMETERS B–62443EN–2/03 Parameters related to Parameter 1828 : excessive errors Position error limit during travel Parameter 1829 : Position error limit in stop state Parameter 3410 : Arc radius error limit Parameters related to the Parameter 3100, bit 3 : MDI Selects the MDI keyboard. Paramete
  • Page 151B–62443EN–2/03 A. PARAMETERS Parameters related to Parameter 3001, bit 2 : DI/DO signals Selects the specifications for the reset and rewind signal RRW. Parameter 3017 : Extended output period for reset signal RST Parameters related to Parameter 3203, bit 7 : clear and reset Selects specifications s
  • Page 152A. PARAMETERS B–62443EN–2/03 Parameter 3404, bit 5 : Selects specifications such that the beginning of a program is not located by M02 in memory operation. Parameter 3404, bit 7 : Enables a multiple M code command. Parameter 3411 : M code 1 not to be buffered Parameter 3412 : M code 2 not to be buff
  • Page 153B–62443EN–2/03 A. PARAMETERS 3) Subprogram call function (M198) Parameter 3404, bit 2 : Selects specifications such that address P in the subprogram call function indicates a program number. Parameter 6030 : M code of subprogram call function (When 0 is specified, M198 is assumed.) 4) External outpu
  • Page 154A. PARAMETERS B–62443EN–2/03 6) Subprogram call by an M code Parameter 6071 : M code for calling a custom macro of program number 9001 Parameter 6072 : M code for calling a custom macro of program number 9002 Parameter 6073 : M code for calling a custom macro of program number 9003 7) Subprogram cal
  • Page 155B–62443EN–2/03 A. PARAMETERS Parameter 6003, bit 6 : Enables a custom macro interrupt during cyclic operation. Parameter 6003, bit 7 : Enables an interrupt–type custom macro. Parameter 6033 : M code that enables a custom macro interrupt Parameter 6034 : M code that disables a custom macro interrupt
  • Page 156A. PARAMETERS B–62443EN–2/03 Parameter 6935 : Maximum value for the operating area of the sixth position switch Parameter 6936 : Maximum value for the operating area of the seventh position switch Parameter 6937 : Maximum value for the operating area of the eighth position switch Parameter 6938 : Ma
  • Page 157B–62443EN–2/03 A. PARAMETERS Parameter related to Parameter 7902, bit 1 : DI/DO on the loader Enables matrix expansion for the loader operator’s panel. control board Parameters related to Parameter 8100, bit 7 : multipath control Makes the servo activation timing of the loader and NC independent. Pa
  • Page 158A. PARAMETERS B–62443EN–2/03 A.2 This section describes the special parameters that are provided for loader control. DETAILS OF For details of the other parameters described in Section A.1, refer to PARAMETERS ”Series 16/18–MODEL A Parameter Manual (B–61810E)”, ”Series 16/18/160/180–MODEL B Paramete
  • Page 159B–62443EN–2/03 A. PARAMETERS #7 #6 #5 #4 #3 #2 #1 #0 (bit) 7902 MTX Data type : Bit MTX Selects whether the loader operator’s panel input/output signals of the loader control board (TDI01 to TDI08, TDO01 to TDO06, TCOM1 to TCOM4) are expanded as a matrix in the range of X1010 to X1013 and Y1010 to Y
  • Page 160A. PARAMETERS B–62443EN–2/03 Number of custom macro variables shared by the loader and NC 6037 (macro numbers 500 to 531) Data type : Byte Unit of data : Item Valid data range : 0 to 32 Specify the number of custom macro variables 500 to 531 that are shared by the loader and NC. A custom macro varia
  • Page 161B–62443EN–2/03 A. PARAMETERS #7 #6 #5 #4 #3 #2 #1 #0 8101 MWB Data type : Bit MWB A waiting M code is: 0 : Buffered. 1 : Not buffered. #7 #6 #5 #4 #3 #2 #1 #0 8102 S19 Data type : Bit S19 The PMC of the loader and NC use: 0 : 96 communication signals. 1 : 192 communication signals. (G1212 to G1219,
  • Page 162B–62443EN–2/03 INDEX ƠAơ ƠEơ Addressing an I/O Link, 96 Emergency Stop Control Circuit Interface, 42 Emergency Stop System Connection, 39 ƠBơ Emergency Stop System Connection (When a C Series Servo Amplifier is Battery Interface for Absolute Pulse Used), 41 Coder, 38 Boot System for Series 16/18–MOD
  • Page 163B–62443EN–2/03 INDEX Matrix Configuration, 26 Screen Switching, 111 MDI Key Operation for Loader Control, Series 16/18–MODEL A Loader Control 111 Board, 135 Mounting on a DIN Rail, 109 Series 16/18–MODEL B Loader Control Board Based on the Main A Multipath Control Parameters, 160 Specification, 136
  • Page 164Revision Record FANUC Series 21/16/18/160/180 LODER CONTROL CONNECTION MANUAL (B–62443EN–1) Edition Date Contents 01 Jun., ’95 02 Aug., ’96 D Addition of Series 16i/18i/21i/160i/180i/210i–MODEL A D Addition of Series 16/18/160/180–MODEL C and Series 21–TB D Correction of errors 03 Aug., ’97 164
  • Page 165D No part of this manual may be reproduced in any form. D All specifications and designs are subject to change without notice.
  • Page 166FANUC LTD Printed in Japan